рефераты
Главная

Рефераты по авиации и космонавтике

Рефераты по административному праву

Рефераты по безопасности жизнедеятельности

Рефераты по арбитражному процессу

Рефераты по архитектуре

Рефераты по астрономии

Рефераты по банковскому делу

Рефераты по сексологии

Рефераты по информатике программированию

Рефераты по биологии

Рефераты по экономике

Рефераты по москвоведению

Рефераты по экологии

Краткое содержание произведений

Рефераты по физкультуре и спорту

Топики по английскому языку

Рефераты по математике

Рефераты по музыке

Остальные рефераты

Рефераты по биржевому делу

Рефераты по ботанике и сельскому хозяйству

Рефераты по бухгалтерскому учету и аудиту

Рефераты по валютным отношениям

Рефераты по ветеринарии

Рефераты для военной кафедры

Рефераты по географии

Рефераты по геодезии

Рефераты по геологии

Рефераты по геополитике

Рефераты по государству и праву

Рефераты по гражданскому праву и процессу

Рефераты по кредитованию

Рефераты по естествознанию

Рефераты по истории техники

Рефераты по журналистике

Рефераты по зоологии

Рефераты по инвестициям

Рефераты по информатике

Исторические личности

Рефераты по кибернетике

Рефераты по коммуникации и связи

Рефераты по косметологии

Рефераты по криминалистике

Рефераты по криминологии

Рефераты по науке и технике

Рефераты по кулинарии

Рефераты по культурологии

Курсовая работа: Цифровой измеритель расхода воздуха

Курсовая работа: Цифровой измеритель расхода воздуха

Введение

Измерение физических величин является одним из способов познания окружающего нас мира и основным средством контроля различных технологических процессов.

Развитие науки и техники ускорило рост роли и объёма измерительной техники. Велико значение измерений при исследовании, производстве, настройки и эксплуатации различных радиоэлектронных приборов, устройств и систем. Измерение параметров элементов электрических цепей относятся к важнейшим измерениям, с которыми часто приходится встречаться на практике.

В настоящее время известен ряд методов измерения этих величин. Выбор метода измерения и измерительной аппаратуры, при конкретном измерении, зависит от многих условий (вида измерения, его значений, требуемой точности измерения и т. п.).

Теплотехнические измерения служат для определения многих физических величин, связанных с процессами выработки и потребления тепловой энергии. Они включают определение как чисто тепловых величин (температуры, теплопроводимость и пр.), так и некоторых других (давления, расхода и пр.), играющих важную роль в теплоэнергетике.

Теплотехнические измерения широко применяются во многих отраслях народного хозяйства: в энергетике, металлургии и др. В энергетической промышленности они используются для повседневного контроля и наблюдения за работой и состоянием установленного на электростанциях оборудования. Наряду с этим теплотехнические измерения необходимы при изучении и дальнейшем совершенствовании способов производства электрической и тепловой энергии и методов потребления тепла.

Надёжная и экономичная эксплуатация современных атомных электростанций немыслима без применения значительного количества разнообразных по устройству, назначению и принципу действия приборов теплотехнического контроля. На этих электростанциях, оснащённых сложным энергетическим оборудованием, теплотехнический контроль органически связан с его работой и является весьма важным звеном управления.

Большинство современных теплотехнических измерительных приборов основано на применении электрических принципов изменения неэлектрических величин (температуры, расхода и др.). Указанный принцип измерения, построенный на количественных соотношениях между некоторыми электрическими и неэлектрическими величинами, повышает точность и надёжность измерений, упрощает устройство приборов и обеспечивает возможность передачи их показаний на расстояние.

Широкое применение для теплотехнических измерений получили электронные измерительные приборы, отличающиеся простотой устройства, высокой точностью, чувствительностью и быстродействием.

Современный инженер, работающий в любой отрасли народного хозяйства, должен уметь выбрать и назначить соответствующие устройства измерений для управления технологическим процессом, контроля качества продукции, должен знать об основных метрологических характеристиках средств измерений.


1 Обзор существующих методов и средств измерения расхода вещества

Количество вещества, проходящее в единицу времени по трубопроводу, каналу и т.п., называется расходом вещества. Расходомеры это преобразователи, которые используются для измерения потока. В зависимости от рода измеряемого вещества они делятся на расходомеры воды, газа, пара и прочего. Они регистрируют скорость и расход жидкого или газообразного вещества за заданный период времени. На практике известно несколько методов определения расхода.

1.1  Скоростной метод измерения расхода

Этот метод измерения расхода жидкости и газа положен в основу ряда расходомеров и счетчиков, обладающих достаточно простым устройством и значительным диапазоном показаний. Принцип действия этих приборов заключается в измерении средней скорости потока, связанной с объемным расходом вещества. Наиболее распространённым механическим преобразователем расхода является турбинный расходомер с вращающимся пропеллером или турбинкой, которые используются в качестве чувствительного элемента. Турбинка устанавливается в потоке вещества на подшипник. В общем случае лопасти турбинки выполняются из ферромагнитного материала. Катушка, укреплённая на корпусе расходомера, используется для определения частоты вращения турбинки. На концах обмотки появляется переменная ЭДС. Частота вращения пропеллера пропорциональна расходу вещества. При точных измерениях важно, чтобы не происходило завихрения протекающего вещества, поскольку это напрямую сказывается на частоте вращения турбинки. Поэтому спрямляющие поток лопасти устанавливаются обычно на входе расходомера. Возможны и существенно более простые конструкции расходомеров, когда точность измерений не существенна, т. е. если торможение и завихрения потока можно не учитывать. Одним из преимуществ турбинных расходомеров по сравнению с расходомерами других типов является линейная зависимость их выходного сигнала от скорости потока в установленном для прибора диапазоне.

Кроме турбинных расходомеров применяют напорные трубки, анемометры и скоростные счетчики. При помощи напорных трубок производится определение расхода жидкости или газа путем измерения динамического давления потока, которое есть разность между полным и статическим давлением среды. По измеренному трубкой давлению вычисляется скорость потока. При помощи анемометров находится скорость газа в точке расположения прибора, поэтому, определяя скоростное поле в трубопроводе, а по нему значение средней скорости потока, можно судить о расходе измеряемой среды. Чувствительным элементом анемометра является алюминиевая вертушка с несколькими радиально расположенными лопастями, ось которой связана механически с показывающим или счетным устройством. Скоростные счетчики жидкости применяются для измерения количества воды, чувствительным элементом их является вертушка с лопастями, приводимая во вращение потоком жидкости. Для определения расхода по скорости необходимо знать ее среднее значение для поперечного сечения потока. Частота вращения вертушки пропорциональна расходу жидкости.

1.2 Измерение расхода на основе метода переменного перепада давления

Для измерения расхода жидкости, газа и пара, протекающих по трубопроводам, широкое применение получили расходомеры с сужающим устройством. Принцип действия их основан на изменении потенциальной энергии измеряемого вещества при протекании через искусственно суженное сечение трубопровода. Расходомер состоит из сужающего устройства, устанавливаемого в трубопроводе и служащего для местного сжатия струи (первичный преобразователь), дифферинциального манометра, предназначенного для измерения разности статических давлений протекающей среды до и после сужающего устройства (вторичный прибор) и соединительных линий (двух трубок) связывающих между собой оба прибора. При прохождении потока через сужающее устройство происходит изменение потенциальной энергии вещества, часть которой вследствие местного сжатия струи и соответствующего увеличения скорости потока преобразуется в кинетическую энергию. Изменение потенциальной энергии приводит к появлению разности статических давлений (перепада давления), который определяется при помощи дифманометра. Так как согласно закону сохранения энергии суммарная энергия движущейся среды уменьшается только на величину потерь, то попеременному перепаду давлений может быть определена кинетическая энергия потока при его сужении, а по ней – средняя скорость и расход вещества. Для измерения расхода среды получили распространение три вида нормализованных сужающих устройств: расходомерная диафрагма, расходомерное сопло и сопло Винтури, имеющие посередине круглое отверстие.

Недостаток этого метода состоит в том, что скорость потока оказывается пропорциональной квадратному корню из перепада давлений, т. е. эти приборы являются нелинейными. Эти преобразователи также не могут быть использованы для измерения расхода газа, поскольку их принцип действия основан на том факте, что вещество является несжимаемым при прохождения узких участков в трубопроводе. Газы, к сожалению, сжимаемые вещества, поэтому требуется вносить соответственные коррекции в показания приборов.


1.3 Измерение расхода на основе термальных явлений

Термальные расходомеры работают на принципе пропорциональности тепла, переносимого веществом от одной точки к другой, массовому расходу этого вещества. Термоанемометры измеряют расход вещества с помощью одиночного нагревательного элемента, расположенного в его потоке. Охлаждающий эффект протекающего через этот элемент вещества характеризуют массовый расход, т. е. охлаждение индицируется благодаря изменению сопротивления проводов нагревательного элемента. Часто вместо проволочного элемента в преобразователе используется металлическая плёнка. С помощью термоанемометра удаётся измерять чрезвычайно быстрые флуктуации расхода вещества.

1.4 Электромагнитный метод измерения расхода

Существует ряд приборов для измерения расхода жидкости, чувствительный элемент которых не имеет непосредственного с ней контакта, что позволяет применять их при агрессивных средах. К числу таких приборов относятся электромагнитные (индукционные) расходомеры. Действие их основано на принципе, что при движении в трубопроводе жидкости поперек силовых линий магнитного поля в ней индуцируется э.д.с, которая пропорциональна скорости потока. Электромагнитный расходомер представляет собой небольшой гидродинамический генератор переменного тока, вырабатывающий э.д.с., пропорциональную средней скорости потока, а, следовательно, и расходу жидкости. Для измерения расхода этим методом можно использовать даже плохо проводящие жидкости. Электромагнитные расходомеры не имеют движущиеся частей. Безударные приборы такого типа применяются не только для измерения расхода жидкостей, но и суспензии.


1.5 Измерение расхода методом постоянного перепада давления

Расходомеры постоянного перепада относятся к средствам измерений, называемыми расходомерами обтекания. Они основаны на измерении вертикального перемещения чувствительного элемента, зависящего от расхода среды и приводящего одновременно к изменению площади проходного отверстия расходомера таким образом, что разность давлений на чувствительный элемент (перепад давлений) остается практически постоянной. Противодействующей силой в расходомерах этого вида является сила тяжести чувствительного элемента, выполненного в виде поплавка или поршня. К приборам постоянного перепада давления относятся ротаметры, поршневые и поплавковые расходомеры. Приборы устанавливаются в вертикальных трубопроводах с восходящим потоком измеряемой среды.

1.6 Измерение расхода путём генерирования завихрений в протекающем веществе

Любое препятствие в трубопроводе создаёт завихрения в потоке вещества, пропорциональное его объёмному расходу. В преобразователях используются два способа генерирования завихрений: вынужденные колебания, при котором поток вещества вращается или прецессирует вдоль оси трубопровода в виде некоторой спирали, и естественные колебания, при которых стабильные структуры периодических вращающихся в разные стороны вихрей возникают в потоке за препятствием.

В расходомерах с генерированием вынужденных колебаний обычно используют пьезоэлектрические преобразователи для определения числа прецессий, проходящих через конкретную точку трубопровода. В расходомерах с естественными колебаниями вещества применяются тензометрические преобразователи силы или ультразвуковые средства для определения периодических изменений силы, происходящих при вихревом движении вещества.

1.7 Объемный метод измерения расхода

Принцип действия объемных счетчиков основан на отмеривании определенного объема проходящего через прибор вещества и суммирования результатов этих измерений. К числу таких устройств относятся мерные баки, счетчики жидкости с овальными шестернями и ротационные счетчики газа.

Мерные баки состоят из двух спаренных мерных баков и расходного бака. Измеряемая жидкость, поступающая по трубопроводу, направляется поочередно в каждый из мерных баков при помощи перекидного желоба. Счетчики с овальными шестернями применяются в широком диапазоне вязкости. Действие их основано на отмеривании (вытеснении) определенных объемов жидкости, заключенных между стенками измерительной камеры и овальными шестернями, при вращении последних под влиянием разности давлений измеряемой жидкости до и после счетчика. Для измерения количества горючих газов применяются ротационные счетчики типа РГ, принцип действия которых тот же, что и счетчиков жидкости с овальными шестернями.

1.8 Ультразвуковой метод измерения расхода

Ультразвуковые приборы можно применять не только в качестве преобразователя в расходомерах с генерированием естественных колебаний вещества, но и непосредственно для измерения расхода. Например, измеряют время, затрачиваемое на прохождение ультразвуковым импульсом через вещество, или прибегают к эффекту Доплера, при котором частота колебаний на входе приёмника ультразвукового излучения изменяется в зависимости от скорости жидкости или газа.

Одним из важнейших параметров преобразователя является линейность его характеристики, которая может влиять на точность измерения. Рекомендуется использовать преобразователи с линейной характеристикой (рис. 1.1, а), поскольку соединённые с  преобразователем схемы формирования сигнала также являются линейными, следовательно, весьма дешёвыми при проектировании и изготовлении. При нелинейном преобразователе можно применить линеаризирующую схему формирования сигнала (рис. 1.1, б). Однако эта схема будет очень дорого стоить.

На основании этого принимаем решение, в качестве первичного преобразующего элемента использовать метод пропеллера, вращающегося при протекании воздуха, частота вращения которого пропорциональна расходу воздуха

Рис. 1.1 Линейные и нелинейные характеристики преобразователей:

а – линейный преобразователь; б - нелинейный преобразователь. (1 – реальная характеристика нелинейного преобразователя; 2 – линейная область выходного сигнала; 3 – линейная характеристика, которая ппроксимирует действительную реакцию преобразователя за счёт использования ограниченной части диапазона).


2 Техническое задание

2.1 Наименование объекта проектирования и область применения (ОП)

Объектом проектирования является цифровой измеритель расхода воздуха, предназначенный для контроля расхода воздуха в вентиляционной трубе САЭС.

2.2 Цель создания ОП

Создание непрерывной системы измерения расхода воздуха, лишенной недостатков других систем, простой по конструкции и имеющей первичный преобразователь с линейной зависимостью.

2.3 Назначение ОП

Измеритель расхода воздуха предназначен для дистанционного измерения текущего и среднесуточного значений расхода воздуха через вентиляционную трубу САЭС.

2.4 Характеристики ОП

Диапазоны измерений:

текущего значения расхода, м3/ч                                   от 0,23·106 до 5·106;

среднесуточного значения расхода, м3/ч                          от 23·106 до 5·106;

-   Основная погрешность не более:

 при измерении текущего расхода, м3/ч                        ± (0,114·106+0,05Q),

 где Q-измеряемое значение расхода;

-   Питание осуществляется:

от сети переменного тока напряжением, В                                              220

частотой, Гц                                                                                              50±1;

от источника постоянного тока напряжением                                     (12)В;

Потребляемая мощность, не более:

от сети переменного тока                                                                     75 ВА;

от источника постоянного тока                                                             10 Вт;

Габаритные размеры, мм, не более:

датчики скорости                                                                       720x400x695;

 пульта                                                                                         330x380x170;

Масса, кг, не более:

датчика скорости                                                                                         6,2;

пульта                                                                                                              8;

Условия эксплуатации:

датчик скорости эксплуатируется:

в диапазоне температур от                                                             –50 +50єС,

относительной влажности до                                                                  98%;

Порог чувствительности датчика, м3/ч не более                       0,183·10;

Момент трения датчика, Н м на оси вертушки           0,0015 (15 Г См);

Амплитуда напряжения выходных импульсов при сопротивлении нагрузки, кОм                                                                                            3.

2.5 Требования к ОП

2.5.1 Требования к структуре ОП

Цифровой измеритель расхода воздуха должен полностью удовлетворять требованиям непрерывного измерения расхода воздуха через вентиляционную трубу САЭС.

2.5.2 Требования к функциям ОП

-   Измерение средней по сечению трубы скорости воздуха;

-   Преобразование скорости воздуха в частоту следования импульсов;

-   Преобразование частоты импульсов в десятичный цифровой код расхода;

2.5.3 Требования к техническим параметрам ОП

Входными сигналами пульта должны быть последовательности импульсов, условно названные ОС и СС, частоты следования которых одинаковы. Для работы пульта достаточно наличия любой из этих последовательностей, другая является резервной.

Номинальная статистическая характеристика преобразования частоты входных импульсов в цифровой код расхода воздуха:

Q=kmf,

где Q-значение расхода воздуха;106 м3/ч;

m=0,254-коэффициент пропорциональности, м3Гц/ч;

f-частота входных импульсов, Гц;

k-отношение средней скорости потока воздуха, в данном сечении трубы к скорости в точке измерения. Регулируется от 0,5 до 1 с дискретностью 0,01. Цена деления младшего разряда трехразрядного десятичного кода-0,01·106 м3/ч.

Диапазоны преобразования:

текущего значения частоты                                                 от 0,9 до 19,7 Гц

(усреднение за 750 с)                                              (от 0,23·106 до 5·106 м3/ч)

среднего значения частоты                                                  от 0,9 до 19,7 Гц

(усреднение за 24 ч)                                              (от 0,23·106 до 5·106 м3/ч).

Диапазоны преобразования частоты в ток                      от 0,9 до 20 Гц.

Номинальная статическая характеристика преобразования частоты в ток пульта определяется по формуле: I=0,317f, где I-выходной ток пульта (мА) при сопротивлении нагрузки не более1 кОм.

Параметры входных сигналов:

уровень – минус (10±5)В;

длительность - не менее 2% периода входных сигналов при значении входного сопротивления пульта не менее 5 кОм.

Электрическое питание пульта осуществляется:

переменным однофазным током с напряжением 220 В, частотой 50 Гц; постоянным током с напряжением 12 В. Допускается одновременное подключение обоих источников (буферный режим).

Потребляемая пультом мощность при номинальном напряжении электрического питания от источника:

переменного тока – 20 ВА, постоянного тока – 7 Вт.

Основная погрешность преобразования частоты импульсов в цифровой код – не более 0,02·106 м3/ч.

Основная погрешность преобразования частоты импульсов в цифровой код при измерении среднесуточного значения расхода – не более ±0,03·106 м3/ч.

Основная погрешность преобразования частоты импульсов в ток – не более ±0,015 мА при частоте входных сигналов менее 9 Гц и ±0,01 мА при 9 Гц и более.

Дополнительная погрешность, обусловленная изменением температуры окружающей среды в диапазоне: при преобразовании частоты импульсов в ток – не более основной погрешности.

Входное сопротивление пульта – не менее 5 кОм.

2.5.4 Требования к средствам защиты от внешних воздействий

При работе прибор должен быть защищен от воздействия пыли, прямого нагрева солнечными лучами или близко расположенными источниками тепла, вблизи прибора не должно быть сильных электромагнитных полей, поэтому для обеспечения нормального функционирования необходимо использовать кожух.

2.5.5 Требования к эксплуатации, техническому обслуживанию и ремонту

Условия эксплуатации: датчик эксплуатируется в диапазоне температур от минус 50 до +50єС и относительной влажности до 98%; пульт – при температуре окружающей среды от 5 до 50єС, максимальная влажность воздуха – 80% при 35єС.

При работе пульта с аккумуляторами в буферном режиме подключить аккумуляторную батарею к контактам 1,2 разъема «Аккумулятор» через зарядное сопротивление, из расчета, что напряжение на контактах 1, 2 составляет 14-16В и ток подзаряда не должен превышать 0,5 А.. Категорически запрещается подключать к пульту незаряженные аккумуляторы.

Техническое обслуживание заключается в систематическом наблюдении за правильностью эксплуатации, регулярном техническом осмотре и устранение возникающих неисправностей.

Перед началом эксплуатации и периодически раз в три месяца необходимо панели плат и контакты разъемов протирать замшей, смоченной в этиловом спирте.

Порядок и сроки проведения профилактических работ: проверка крепления органов управления, плавности их действия и четкости – каждые 12 месяцев; проверка номиналов питающих напряжений – при необходимости; проверка работоспособности прибора не реже раза в 6 месяцев.

Проверка напряжений «Преобразователя напряжения» производится вольтметром класса не ниже 0,5 на контрольных точках. Напряжения должны соответствовать ряду: ±7В, ±0,5В, (24±4)В, ~1В, ±0,2В.

2.5.6 Требования к маркировке и упаковке

Маркировка устройства должна содержать:

товарный знак;

наименование города, где расположено опытное предприятие;

наименование изделия и его шифр;

заводской шифр;

год выпуска;

знак, содержащий наименование изделия.

Транспортная маркировка на таре должна содержать манипуляционные значки: «Осторожно, хрупкое», основные, дополнительные и информационные надписи по ГОСТ 14192-77.

Ящики внутри должны быть выстланы упаковочной бумагой марки БУ-6 по ГОСТ 515-77.

Пространство между изделиями должно быть заполнено изолирующими материалами или поставлены распорки, исключающие возможность перемещения изделий внутри ящика.

В ящик должны упаковываться техническое описание и паспорт, вложенные в папки из полиэтиленовой пленки под крышку ящика по ГОСТ 10354-82.

Ящик, после укладки в него изделий, обмотать по торцам стальной лентой по ГОСТ 3560-73.

2.5.7 Требования к транспортировке и хранению

В упакованном виде изделие может транспортироваться речным, воздушным, автомобильным и железнодорожным видами транспорта.

Транспортировка должна производиться в соответствии с требованиями, изложенными в документах: «Правила перевозки грузов», утвержденными Министерством речного флота; «Руководство по грузовым перевозкам на внутренних воздушных линиях», утвержденными Министерством гражданской авиации; «Общие правила перевозки грузов автотранспортом», утвержденными Министерством автомобильного транспорта; «Правила перевозки грузов», утвержденными Министерством путей сообщения.

Изделия должны храниться на стеллажах в вентилируемых помещениях при температуре окружающей среды от +15 до +40єС и относительной влажности не более 80%. при этом в окружающей среде должны отсутствовать агрессивные примеси.

Погрузочно-разгрузочные работы должны производиться в соответствии с ГОСТ 12.3.009-76.

Устройство в упаковке для транспортирования должно выдерживать по ГОСТ 12997-84 воздействие транспортной тряски с ускорением 30 м/с при частоте от 10 до 120 ударов в минуту.

2.5.8 Требования по стандартизации и унификации

Стандартными элементами цифрового измерителя расхода воздуха для вентиляционной трубы САЭС являются все используемые элементы конструкции и вся элементная база.

2.5.9 Требования по документации

В комплект устройства должны входить: техническая документация и инструкция по эксплуатации.

2.5.10 Требования к надежности

Средний срок службы прибора не менее 10 лет.

Вероятность безотказной работы за 1000 часов должна быть не менее 0,8.

2.5.11 Требования к безопасности

Электрическая прочность изоляции между цепями электрического питания и корпуса пульта в нормальных условиях выдерживает испытательное напряжение переменного тока действующим значением 750В и частотой 50Гц.

Электрическое сопротивление изоляции между цепями электрического питания и корпусом при нормальных условиях – не менее 20 Мом; при температуре окружающего воздуха50єС и относительной влажности 50-80% - не менее 5 Мом.

Электрическое сопротивление между внешним зажимом, подлежащим заземлению и корпусом прибора – не более 0,1 см.

Защита воздействия от электромагнитных полей должна соответствовать ГОСТ 12.1.006-84.

Корпус пульта должен быть приспособлен для заземления по ГОСТ 12.2.007-0-75 и ГОСТ 21.130-75.

Требования по первичным средствам пожаротушения должны соответствовать «Типовым правилам пожарной безопасности».

Безопасность эксплуатации устройства должна быть обеспечена наличием инструкции по технике безопасности при работе с данным оборудованием.

В пульте при работе от сети переменного тока имеется напряжение до 250В, поэтому при эксплуатации, профилактических и регулировочных работах следует соблюдать следующие меры безопасности:

          соединить клемму с заземлением рабочего места и отсоединить от него можно только после отключения пульта от сети;

          перед каждым включением пульта необходимо проверить исправность как заземления, так и предохранителей;

          любой элемент заменять только при отключенном от сети соединительном шнуре;

          при регулировании и измерениях следует пользоваться надежно изолированным инструментом.

Персонал, работающий с прибором, должен быть проинструктирован по правилам техники безопасности при работе с электроизмерительными приборами с высоким напряжением и должен изучить паспорт и инструкцию.

Категорически запрещается работа с прибором без заземления, со снятым кожухом, установка и использование вместо сетевых предохранителей различного рода проволочных перемычек, включение прибора при наличии внешних неисправностей. Запрещается доработка монтажа и другие работы в блоках пульта, находящихся под напряжением.

Безопасность эксплуатации устройства должна быть обеспечена наличием инструкции по технике безопасности при работе с данным оборудованием.

Эксплуатировать устройство разрешается только при наличии инструкции по технике безопасности, утвержденной руководителем предприятия, на котором оно установлено, учитывающей специфику эксплуатации в условиях цеха.

Конструкция устройства должна отвечать требованиям, изложенным в «Правилах эксплуатации электроустановок», утвержденных Главгосэнерго-надзором, ГОСТ 12.2 003-74, ГОСТ 12.2.070-75.

2.5.12 Требования по эргономике и технической эстетике

Художественно-конструкторское оформление изделия должно соот-ветствовать современным требованиям технической эстетики и инженерной психологии в соответствии с ГОСТ 12.2.03-74 и ГОСТ 12.2.032-78.

Эргономические требования по ГОСТ 12.2.049-80 и ГОСТ 12.2.032-78.

Требования по уровню шума должны соответствовать ГОСТ 12.1.003-76.

Требования к микроклимату должны соответствовать ГОСТ 12.1.005.-88.

Требования к освещению должны соответствовать требованиям к общей системе.

Покрытие наружной поверхности должно быть однородной по оттенкам, при этом не иметь подтеков и других дефектов, снижающих качество и ухудшающих внешний вид устройства.

2.5.13 Требования к патентной частоте

Цифровой измеритель расхода воздуха должен обладать патентной частотой по СНГ.

2.5.14 Требования к утечке информации

Каждое измерение должно быть самостоятельным и законченным, и, следовательно, требования по защите от утечки информации не предъявляются.

2.5.15. Требования к техническому обеспечению

Устройство должно эксплуатироваться в условиях цеха при предельных значениях эксплуатационных характеристик.

2.5.16 Требования к информационному обеспечению

Прибор должен быть обеспечен техническим описанием, паспортом и инструкцией по применению.

2.5.17 Требования к организационному обеспечению

Цифровой измеритель расхода должен быть пригодным к эксплуатации рабочим, который ознакомлен с функционированием и порядком работы с прибором.

2.5.18 Требования к составу и содержанию работ по подготовке прибора к работе

Для обслуживания прибора должно быть достаточно оператора, работающего на щите управления приборами.

Перед началом работы убедиться в отсутствии внешних повреждений, механической работоспособности органов управления; поместить на сутки в сухое отапливаемое помещение.

Изучить паспорт, ознакомиться со схемой и конструкцией прибора. Проверить соответствие предохранителей их номиналам.

Соединить клемму «заземление» на задней панели с заземлением рабочего места.

Включить сетевой шнур прибора в сеть 220В или соединить аккумулятор с соответствующим разъемом на задней панели пульта.

Установить тумблер «Питание» на задней панели пульта в положение «ВКЛ».

Прогреть прибор в течение 15 минут.

2.6 Требования к метрологическому обеспечению

2.6.1 Порядок приемки и контроля

Цифровой измеритель расхода воздуха должен подвергаться приемно-сдаточным испытаниям. Перед приемно-сдаточными испытаниями прибор должен пройти технологическую приработку не менее 10 раз.

Цифровой измеритель расхода должен успешно выдержать приемно-сдаточные испытания. Прибор, не сумевший это сделать, должен быть направлен обратно на производство для устранения дефектов и доработки. После устранения дефектов и доработки снова должен подвергаться в полном объеме приемно-сдаточным испытаниям.


3 Разработка структурной схемы устройства

Наиболее близкий к проектируемому устройству по выполняемым функциям является прибор, который предназначен для непрерывного контроля расхода воздуха в вентиляционной трубе Смоленской АЭС. Принцип работы системы основан на подсчёте количества импульсов датчика за определённое время. Время устанавливается при тарировке прибора таковым, чтобы количество поступивших импульсов было пропорциональным расходу воздуха. Состояние счётчика отображается на цифровых индикаторах.

Проектируемое устройство должен состоять из следующих блоков:

1. Первичный преобразователь;

2. Входной формирователь;

3. Генератор импульсов;

4. Управляемый делитель частоты;

5. Коммутатор;

6. Устройство коррекции;

7. Счётчик импульсов;

8. Устройство индикации.

Структурная схема расходомера приведена на рис. 3.1

Входной формирователь выделяет полезный сигнал из сигнала первичного преобразователя и формирует прямоугольные импульсы.

Входной формирователь состоит из входного повторителя, фильтра нижних частот, порогового элемента. На рис. 3.2 представлены временные диаграммы, поясняющие принцип работы входного формирователя.

Сигнал с первичного преобразователя поступает на входной повторитель, далее на фильтр нижних частот с частотой среза 35 Гц. Пороговый элемент преобразует синусоидально изменяющееся напряжение в прямоугольные импульсы и ограничивает их сверху и снизу на логических уровнях.

Рис. 3.1 Структурная схема расходомера.

Рис. 3.2 Временные диаграммы:

1– сигнал после первичного преобразователя; 2 -  входного повторителя; 3 – фильтра нижних частот; 4, 5 – порогового элемента.

Генератор импульсов состоит из задающего генератора и счётчика. Задающим генератором задаётся исходная частота прямоугольных импульсов, равная 32768 Гц. С выхода счётчика снимаются импульсные сигналы частотой 1024; 512; 64 Гц, используемые в различных устройствах прибора.

Управляемый делитель частоты используется, как делитель частоты с переключаемым коэффициентом деления. Подключая входы, элементы сравнения к выходам соответствующих разрядов делителя, можно получить любой коэффициент деления от 1 до 9999 и соответственно время цикла измерения от 1/64 сек. до 156 сек.

За время такта (1/64 сек.) в коммутатор поступает 8 импульсов 512 Гц. На выходах коммутатора последовательно появляются импульсы длительностью 1/512 сек. (рис. 3.3).

Рис. 3.3 Временные диаграммы.

1 – импульсы после устройства коррекции; 2, 3, 4 – коммутатора; 5 - управляемого делителя частоты.

Устройство коррекции посылает пачку импульсов в счётчик.

Счётчик импульсов предназначен для подсчёта числа импульсов, поданный на её вход из устройства коррекции.

Устройство индикации служит для вывода информации о текущем расходе на индикаторы.


4 Разработка принципиальной схемы

Отечественная промышленность выпускает обширную номенклатуру интегральных микросхем. Цифровые микросхемы включают в себя логические и арифметические устройства, триггеры, запоминающие устройства и микропроцессорные комплекты.

В основу классификации цифровых микросхем положены следующие признаки: вид компонентов логической схемы (биполярные, униполярные), способ соединения полупроводниковых приборов в логическую схему и вид связи между логическими схемами.

По этим трём признакам логические микросхемы классифицируются: РТЛ – схемы, входная логика которых осуществляется на резисторных цепях; РЕТЛ – схемы с резисторно-емкостными связями; ДТЛ – схемы, входная логика которых осуществляется на диодах; ТТЛ и ТТЛШ – схемы, входная логика которых выполняется многоэмиттерным транзистором; НСТЛМ – схемы с непосредственными связями на МОП-структурах; И2Л – схемы с совмещёнными транзисторами (интегрально-инжекционные логические).

РТЛ, РЕТЛ, и ДТЛ – схемы первого поколения микросхем низкочастотные с малой степенью интеграции снимаются с производства, появившиеся И2Л (серия К583 и др.), наоборот завоёвывают прочные позиции как наиболее перспективные биполярные схемы для БИС.

В основном цифровые микросхемы относятся к потенциальным схемам: сигнал на их входе и выходе представляется высоким и низким уровнями напряжений. Этим состояниям сигнала ставится в соответствие логические значения «1» и «0». К числу электрических параметров, которые достаточно полно характеризуют эти микросхемы различных серий и позволяют сравнивать их между собой, относятся: напряжение питания и логические уровни, потребляемая мощность и помехоустойчивость, нагрузочная способность и быстродействие.

Широкое применение для построения устройств автоматики и вычислительной техники находят цифровые микросхемы ТТЛ - серий К155, К555, К531. Эти микросхемы обеспечивают построение различных цифровых устройств, работающих на частотах до 50 МГц, однако, их существенным недостатком является большая потребляемая мощность. В ряде случаев, где не нужно такое высокое быстродействие, а необходима минимальная потребляемая мощность, находят применение интегральные микросхемы серий К176 и К561.

Микросхемы серий К176 и К561 изготовляются по технологии комплементальных транзисторов структуры металл – окисел – полупроводник (КМОП). Основной особенностью микросхем является ничтожное потребление тока в статическом режиме – 0,1…100 мкА.

Номинальное напряжение питания микросхем серии К176 9 В + 5%, однако, они сохраняют работоспособность в диапазоне питающих напряжений 5…12 В. Для микросхем серии К561 гарантируется работоспособность при напряжение от 3 до 15 В.

Микросхемы серий К561 являются современными, они превосходят микросхемы серии К176 по всем параметрам, однако номенклатура микросхемы серии К561 лишь частично совпадает с номенклатурой микросхем серии К176. Полностью микросхемы серии К561 заменить микросхемы серии К176 не могут.

Расходомер реализован на четырнадцати микросхемах серии К561 и одной микросхем серии К176.

На основании выбранной структурной схемы разработана принципиальная схема  расходомера. Основные узлы, входящие в состав расходомера, представлены на принципиальной схеме.

Входной формирователь выполнен на операционном усилителе К153УД2 (рис. 4.1). Сигнал с первичного преобразователя поступает на входной повторитель DA1, далее на фильтр нижних частот DA2 с частотой среза 35 Гц. Пороговый элемент DA3 чувствительность устанавливается с помощью R9, преобразует синусоидально изменяющее напряжение в прямоугольные импульсы. Элемент R14, VD1 ограничивает их сверху и снизу на логических уровнях.

Рис. 4.1 Входной формирователь.

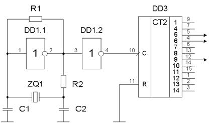
Генератор импульсов состоит из задающего генератора и делителя частоты (рис. 4.2). На базе логических элементов цифровых устройств можно сконструировать задающий генератор. Задающий генератор собран на кварцевом резонаторе с частотой 32768 Гц, микросхемах DD1.1. и DD1.2., резисторах R1, R2 и конденсаторах C1, C2. Конденсаторы С1 и С2 служат для подстройки точного значения частоты. Микросхема DD1.2 необходима для получения стандартных импульсов. Резистор R1 определяет глубину обратной связи, а R2 – нагрузку элемента DD1.1. Для построения делителя частоты можно взять классическую схему – на D-триггерах. Для упрощения схемы используем не отдельные логические элементы, а специализированный счётчик делитель. Счётчик DD3 представлен микросхемой К561ИЕ16 – четырнадцатиразрядный двоичный счётчик с последовательным переносом. У микросхемы два входа – вход установки начального состояния R и вход для подачи тактовых импульсов С. Установка триггеров счётчика в 0 производится при подаче на вход R лог. 1, счёт – по спадам импульсов положительной полярности, подаваемых на вход С. Коэффициент деления микросхемы составляет 214 = 16384. С задающего генератора поступает исходная частота 32768 Гц на вход С в счётчик DD3. С выхода счётчика снимаются импульсные сигналы частотой 1024; 512 и 64 Гц.

Рис. 4.2 Генератор импульсов.

Управляющий делитель частоты DD1.3, DD1.4, DD2, DD4, DD6, DD7, DD9 собран на микросхеме К561ЛН2 и К561ИЕ8. Существует два способа объединения в много разрядные счётчики: с параллельным и последовательным переносом. Достоинство параллельного переноса в его высоком быстродействие, а недостаток в усложнение схемы, т.е. с использованием дополнительных элементов И-НЕ. Преимущество последовательного переноса в простоте схемы. Отсутствие повышенных требований к быстродействию позволяет выбрать счётчик с последовательным переносом, что экономически целесообразно.

Все выводы всех разрядов счётчика  - делителя DD2, DD4, DD7, DD9 выведены на наборное поле. Фрагмент схемы показан на рисунке 4.3.

Микросхемы К561ИЕ8 удобно использовать в делителях частоты с переключаемым коэффициентом деления. В момент пуска на вход CP микросхемы DD2 начинают поступать счётные импульсы частотой 64 Гц. Переключателем S1 устанавливают единицы необходимого коэффициента пересчёта, переключателем S2 – десятки, переключателем S3 – сотни, переключателем S4 –  тысячи. При достижении счётчиками DD2, DD4, DD7, DD9 состояния, соответствующего положениям переключателей, на всех

Рис. 4.3 Управляемый делитель частоты.

входах элемента И-НЕ DD6.2 поступает лог. 1. Этот элемент включится, на выходе инвертора DD1.4 появится сигналы лог. 1, сигнализирующий об окончании временного интервала. Происходит обнуление счётчиков и коммутатора, после цикл повторяется. За один такт (1/64 сек.) до этого срабатывает элемент сравнения DD6.1, который прекращает поступление импульсов от датчика в счётчик DD10, DD11 ключом DD5.2 и подаёт сигнал 512 Гц в коммутатор DD8 ключом DD5.1. За время такта (1/64 сек.) в коммутатор поступает 8 импульсов 512 Гц.

Коммутатор DD8 представлен на микросхеме К561ИЕ8 – десятичный счётчик с дешифратором (рис. 4.4). Микросхема имеет три входа – вход установки исходного состояния R, вход для подачи счётных импульсов отрицательной полярности CN и вход для подачи счётных импульсов положительной полярности CP. Установка счётчика в ноль происходит при подаче на вход R лог. 1. Переключение состояний счётчика происходит по спадам импульсов отрицательной полярности, подаваемых на вход CN, при этом на входе CP должен быть лог. 0. Можно также подавать импульсы положительной полярности на вход CP, переключение будет происходить по их спадам. На входе CN при этом должна быть лог. 1. Последний вид подключений использован для подключения коммутатора. На выходах коммутатора последовательно появляются, импульсы длительностью 1/512 сек.

Рис. 4.4 Коммутатор

При появлении такого импульса на выходе «1» запускается  генератор DD1.5, DD5.4 (f = 13 кГц) и посылает через ключ DD5.3 пачку импульсов коррекции в счётчик DD10, DD11. Количество импульсов в пачке устанавливается резистором R14. Сигнал с выхода «4» записывает состояние счётчиков DD10, DD11 в дешифратор DD15. При появлении сигнала на выходе «5» микросхемы DD8 происходит обнуление счётчика DD10, DD11. По окончанию такта, одновременно с делителем DD10, DD11 коммутатор обнуляется, а все ключи возвращаются в исходное состояние, начинается новый цикл измерения.

Устройство коррекции состоит из генератора DD1.5, DD5.4 и ключа DD5.3 (рис. 4.5). Задающий генератор собран на инверторах К561ЛН2, К561ЛА7, переменного резистора R16 и конденсатора C9. Количество импульсов в пачке устанавливается резистором R16.

Рис. 4.5 Устройство коррекции.

Счётчик DD10, DD11 реализован на двух микросхемах К561ИЕ10. Он содержит два раздельных четырёхразрядных двоичных счётчика, каждый из которых имеет входы CP, CN, R. Установка триггеров счётчика в исходное состояние осуществляется подачей на вход R лог. 1. Логика работы входов CP и CN отлична от работы аналогичных входов в микросхемах К561ИЕ8. Срабатывание триггеров микросхемы К561ИЕ10 происходит по спаду импульсов положительной полярности на входе CP при лог. 0 на входе CN (для К561ИЕ8 на входе CN должны быть лог. 1). Возможна подача импульсов отрицательной полярности на вход CN, при этом на входе CP должна быть лог. 1 (для К561ИЕ8 – лог. 0). Таким образом, входы CP и CN (инверсный) в микросхеме К561ИЕ10 объединены по схеме элемента И (в К561ИЕ8 - ИЛИ). При соединении микросхем в много разрядный счётчик с последовательным переносом выходы с весом 8 предыдущих счётчиков соединяют с входами CP последующих, а на входы CN подают лог. 0 (рис. 4.6).

Рис. 4.6 Счётчик импульсов.

Для отображения цифровой информации представляют устройства, построенные с использованием статической и динамической индикации.

Способ статической индикации заключается в постоянной подсветке индикатора от одного источника информации, т.е. каждый из цифровых индикаторов блока индикации через собственный преобразователь кода (дешифратор) постоянно подключён к «своей» декаде счётчика. В нашем случае «затратами» на индикацию 4 знаков являются 44 соединительных проводников и 4 дешифраторов. С применением совмещённых микросхем, например счётчик – дешифратор или счётчик – дешифратор – индикатор, количество соединительных проводников значительно уменьшится.

Сущность динамической индикации заключается в поочерёдном циклическом подключении каждого индикатора к источнику информации через общую цепь преобразования кода. Достоинство способа – экономия в преобразователях кода и соединительных проводах. Последнее является весьма существенным при удалении блока индикации от источника информации.

Из-за большой экономии выбираем устройство отображения цифровой индикации, построенное с использованием динамической индикации.

Устройство индикации состоит из коммутатора DD14, DD15, дешифратора DD16, преобразователя DD17, индикаторов HG1 – HG4, транзисторов VT1 - VT4 и резисторов R13, R15, R17, R18.

Коммутатор реализован на микросхеме К561КП1 – два четырёхвходовых мультиплексора. Микросхема имеет два адресных входа А0 и А1, общие для обоих мультиплексоров, общий вход стробирования Е, информационные входы Х0 – Х3 первого мультиплексора и его выход, входы Y0 и Y3 и выход второго мультиплексора. При подаче на адресные входы А0 и А1 двоичного кода адреса и на вход Е лог. 0 выходы мультиплексоров соединяются с входами, номера которых соответствуют двоичному эквиваленту кода адреса. Если на входе Е лог. 1 выходы мультиплексоров отключаются от входов и переходят в третье, высокоимпендансное состояние.

Микросхема К561ИД1 – дешифратор на 10 выходов. Микросхема имеет 4 входа для подачи входного кода 1 – 2 – 4 – 8. Выходной сигнал с уровнем лог. 1 появляется на том выходе дешифратора, номер которого соответствует десятичному эквиваленту входного кода, на остальных выходах дешифратора при этом – лог. 0.

Преобразователь реализован на микросхеме К176ИД2.

Микросхема К176ИД2 – преобразователь двоично-десятичного кода в код семисегментного индикатора, включает в себя также триггеры, позволяющие запомнить входной код. Микросхема имеет четыре информационных входа для подачи 1, 2, 4, 8 и три управляющих входа. Вход S определяет полярность выходных сигналов. При подаче лог. 1 на вход К происходит гашение индицируемого знака, лог. 0 на входе К разрешает индикацию. Вход С управляет работой триггеров памяти: при подаче на вход С лог. 1 триггеры превращаются в повторители и изменение входных сигналов на входах 1, 2, 4, 8 вызывает соответствующее изменение выходных сигналов. Если же на вход С подать лог. 0, происходит запоминание сигналов, имевшихся на входах 1, 2, 4, 8 перед подачей лог. 0 микросхема на изменение сигналов на входах 1, 2, 4, 8 не реагирует.


Со счётчика импульсов шестнадцатиразрядная информация поступает на входы X и Y микросхем DD14, DD15 (рис. 4.7). В качестве коммутирующих элементов в них используется двух направленные ключи. Выборка отдельного канала осуществляется по входам А заданием в двоичном коде. Соответствие кода адресного входа каналов приводится в таблице 1.1.

Рис. 4.7 Устройство индикации.

Информация об измеренных параметрах поступают на дешифратор DD15 с целью дальнейшего преобразования двоично-десятичный код числа в код семисегментного индикатора. Выходы дешифратора DD15 соединены с соответствующими сегментами индикатора. Работой устройства динамической индикации управляет счётчик DD3 и дешифратор DD14. Дешифратор DD14 вырабатывает тактирующий код, управляющий открытием транзистора, после чего начинает светиться индикатор.


5 Выводы

На основании этого документа делаем вывод, что производство не вредно для человека и природы. Для улучшения производства необходимо автоматизировать весь и компьютеризировать технологический процесс средства для защиты человека и природы. Установить новейшие оборудование для очистки и контроля воздуха, очистные сооружения. Приобрести новейшие средства защиты для человека.


Список литературы

1. В.Л. Шило Популярные цифровые микросхемы. Челябинск «Металлургия» 1988г.

2. В.С. Гутников Интегральная электроника в измерительных устройствах. Ленинград «Энергоатомиздат» 1988г.

3. Б.В. Тарабкин, Л.Ф. Лунин, Ю.В. Смирнов и др.; Под ред. Б.В. Тарабкина. Интегральные микросхемы. Справочник. Москва «Радио и связь» 1984г.

4. Л.А. Мальцева, Э.М. Фромберг, В.С. Ямпольский Основы цифровой техники. Москва «Радио и связь» 1987г.

5. С.А. Бирюков Цифровые устройства на МОП-интегральных микросхемах. Москва «Радио и связь» 1990г.

6. А.Д. Фролов Теоретические основы конструирования и надёжности радиоэлектронной аппаратуры. Москва «Высшая школа» 1970г.

7. П.П. Кукин, В.Л. Лапшин, Е.А. Подгорных, Н.Л. Пономорёв, Н.И. Сердюк Безопасность технологических проектов. Охрана труда. Москва «Высшая школа» 1999г.

8. А.А. Воронина, Н.Ф. Шибенко Безопасность труда в электроустановках. Москва «Высшая школа» 1984г.

9. Отраслевой стандарт. ОСТ 107.460092.004.01-86 Платы печатные. Типовые технические процессы.

10. Отраслевой стандарт ОСТ92-5074-88 Печатные платы. Общие требования к типовым технологическим процессам изготовления.


 
© 2011 Онлайн коллекция рефератов, курсовых и дипломных работ.