Контрольная работа: Приборы для радиоизмерения
Контрольная работа: Приборы для радиоизмерения
Московский Государственный Технический Университет
Гражданской Авиации
Кафедра теоретической радиотехники
Контрольная работа
по дисциплине "Радиоизмерения"
студента 3 курса заочного
факультета
Табуреткина Ивана Ивановича
Специальность XXXXXX
Шифр: XXXXXX
Адрес: город N.
Москва 2009
План
1. Высокочастотные амперметры: схемы,
принцип действия, погрешности
1.1 Особенности измерения токов высоких частот
2. Характеристика основных видов разверток и синхронизация в
универсальном электронно-лучевом осциллографе
2.1 Генераторы непрерывной развёртки
2.2 Синхронизация частоты генераторов непрерывной развертки
2.3 Генераторы ждущей развертки
3. Электронно-счетный частотомер при измерении частоты СВЧ
сигналов: схема, принцип действия, погрешности
4. Цифровые измерители сопротивления, индуктивности, емкости:
схемы, принцип действия.
5. Аналоговые измерители спектральной плотности мощности
случайного сигнала (метод фильтрации, по корреляционной функции): схемы,
принцип действия
5.1 Краткие технические данные анализатора спектра С4-27 и его
структурная схема
Литература, используемая при подготовке к выполнению
контрольной работы
При настройке и контроле
режима антенных и других колебательных систем радиотехнических устройств
возникает необходимость в измерении токов высоких частот. Электромагнитные и
электродинамические приборы непригодны для этой цели из-за больших значений
индуктивностей катушек и входных емкостей. Ограниченно используются и
выпрямительные приборы, обладающие значительной входной емкостью. Наибольшее
применение для измерения токов в широком диапазоне высоких и низких частот получили
термоэлектрические приборы.
Эквивалентные схемы
высокочастотной цепи при двух возможных вариантах включения в нее амперметра (миллиамперметра)
показаны на рисунке 1.
 
Рисунок 1. Варианты
включения амперметра.
Амперметр представляет для
этой цепи комплексное сопротивление, состоящее из активного сопротивления Rа
и индуктивности La рабочей части прибора, емкости С2 между входными зажимами и
емкостей С1 и С3 входных зажимов по отношению к корпусу. Поэтому
включение амперметра приводит к изменению тока в цепи, размер и характер которого
зависят от частоты тока. Кроме того, часть протекающего в цепи тока
ответвляется через шунтирующие емкости С1, С2 и С3.
Следовательно, ток I1 в цепи
источника, ток I2,
измеряемый прибором, и ток I3,
протекающий через нагрузку Z, будут различны (для схемы на рисунке - I1 > I2 > I3). Поскольку соотношения между этими токами зависят от
частоты, то возникает дополнительная частотная погрешность, возрастающая с
повышением частоты. Даже в лучших приборах при частотах выше 100 МГц
погрешность становится недопустимо большой.
Для получения достаточно
высокой точности измерений необходимо, чтобы полное сопротивление прибора было
значительно меньше сопротивления исследуемой цепи и носило по возможности
активный характер. Это легче достигается при малых размерах измерительного
механизма и удалении его от массивных металлических масс.
Влияние прибора на режим цепи
можно уменьшить включением его в точки цепи с наименьшим высокочастотным
потенциалом относительно корпуса (земли) (рисунок 1, б). В этом случае
емкость С3 оказывается замкнутой накоротко, а ответвление
тока через емкости С1 и С2 уменьшается и не ведет к
шунтированию нагрузки Z.
Правильное включение приборов
для измерения высокочастотных токов показано на рисунке 2.

Рисунок 2. Правильное
включение приборов для измерения ВЧ токов.
Амперметр А измеряет
контурный ток. В индуктивную ветвь контура, например в точке 1, его включать
нельзя, так как результат измерений будет искажен прохождением через прибор
постоянной составляющей I анодного тока. Нежелательно включать амперметр и в
точке 2, так как емкость прибора относительно корпуса установки будет
вызывать расстройку контура. По указанным выше причинам невозможно включение
амперметра и в точке 3 с целью измерения высокочастотной составляющей анодного
тока. Для связи миллиамперметра тА1 с анодной цепью используется (обычно
в мощных передатчиках) измерительный трансформатор тока Тр. Миллиамперметр
тА2 входит в состав термовольтметра, измеряющего переменную составляющую
анодного напряжения.
Выключение измерительного
прибора из колебательной системы (контура, цепи антенны) после настройки
последней неизбежно ведет к некоторой расстройке этой системы, изменению режима
ее работы. Поэтому часто прибегают к постоянному включению высокочастотных
приборов в контролируемые цепи.
Электроннолучевые
осциллографы выполняются по самым разнообразным схемам, различающимся по
компоновке и системе управления, степени универсальности и сложности.

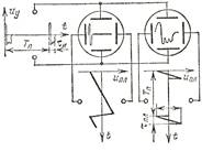
Рисунок 3. Функциональная
схема простейшего осциллографа.
На рисунке 3 представлена
функциональная схема простейшего осциллографа, предназначенного для
воспроизведения на экране кривых периодических колебаний, подводимых к входу У.
Помимо блока питания и ЭЛТ, осциллограф содержит усилитель
с несимметричным выходом и генератор непрерывной развертки. Усилитель
вертикального отклонения (канала Y) обеспечивает возможность
исследования слабых колебаний. Сильные входные сигналы ослабляются с помощью входного
потенциометра R; последний используется также для плавной регулировки
размаха (по вертикали) наблюдаемой осциллограммы. Генератор непрерывной
развертки вырабатывает напряжение пилообразной формы, которое
периодически воздействует на отклоняющие пластины XI, Х2 и заставляет
электронный луч перемещаться с постоянной скоростью в горизонтальном
направлении, развертывая на экране во времени кривую напряжения, подводимого к
пластинам Yl, Y2. Стабилизация частоты повторения пилообразного напряжения на
требуемом уровне достигается воздействием на генератор синхронизирующего
напряжения, в качестве которого может быть использован сам исследуемый сигнал,
подводимый, например, от усилителя канала У. Если амплитуда пилообразного
напряжения оказывается недостаточной для развертки изображения в пределах
ширины экрана, то на выходе генератора включается широкополосный
усилитель.
Большинство осциллографов
широкого применения являются универсальными - они позволяют
проводить исследование и измерение параметров как непрерывных периодических
процессов, так и импульсных сигналов. Функциональная схема
универсального осциллографа приведена на рисунке 4.

Рисунок 4. Функциональная
схема универсального осциллографа.
Исследуемое напряжение
подводится к входу Y, при необходимости ослабляется калиброванным входным
делителем напряжения. Усилитель вертикального отклонения с плавно регулируемым
коэффициентом усиления имеет симметричный выход на отклоняющие пластины Yl, Y2.
Амплитуда входного сигнала может быть измерена посредством сравнения ее с известной
амплитудой калибровочного сигнала частоты 50 Гц, выдаваемого калибратором
амплитуды. Усилитель с симметричным выходом используется и в канале
горизонтального отклонения X.
Основной особенностью
универсального осциллографа является наличие в нем, помимо генератора
непрерывной развертки (ЯР), генератора ждущей развертки (ЖР). Последний позволяет исследовать кратковременные
импульсы со сравнительно низкой частотой повторения, которые при непрерывной
развертке наблюдаются на экране в виде острых световых всплесков. Режим
развертки определяется установкой переключателя ВЗ. Сигнал, используемый для
синхронизации частоты генератора HP или запуска генератора ЖР, выбирается
переключателем В1 и при необходимости может быть усилен. В режиме ЖР при каждом
импульсе запускающего напряжения генератор выдает импульс пилообразного
напряжения фиксированной амплитуды и длительности, обеспечивающий развертку
импульсного сигнала, проходящего по каналу Y, на значительную часть ширины
экрана.
Генераторы непрерывной
развертки являются источниками периодического пилообразного напряжения,
регулируемого по частоте повторения в широком диапазоне, с которым должна быть
согласована полоса пропускания усилителя вертикального отклонения. Например,
если частота генератора может изменяться в пределах от 10 до 50 кГц, то на
экране достаточно детально (с числом наблюдаемых периодов не более десяти) могут
воспроизводиться кривые колебаний с основной частотой в диапазоне 10-500 кГц,
гармонические составляющие которых занимают еще более обширную полосу частот. Амплитуда
пилообразного напряжения должна обеспечивать отклонение светового пятна по
горизонтали вдоль всего диаметра экрана.
Напряжение пилообразной формы
создается в результате периодического процесса заряда-разряда конденсатора. Для
автоматического управления этим процессом используются коммутирующие схемы,
которые обычно представляют собой различные варианты несимметричных
мультивибраторов или триггеров.

Рисунок 5 - Изображение
формы сигнала на осциллографе.
Условие устойчивости
наблюдаемого на экране изображения рисунка, первоначально
удовлетворяемое регулировкой частоты fпл генератора развертки, с течением времени
самопроизвольно нарушается вследствие неизбежных колебаний частот fу и fпл, обусловленных нестабильностью питающих
напряжений, самопрогревом аппаратуры и другими факторами. В результате
изображение на экране начинает перемещаться и приходится вновь регулировать
частоту fпл. Чтобы избежать этого, частоту генератора развертки
обычно синхронизируют с частотой исследуемого напряжения (или кратной ей
частотой).
Сущность процесса
синхронизации частот поясняется графиком на рисунке 5 - на экране трубки будет наблюдаться устойчивое
изображение одного периода кривой исследуемых колебаний.
При увеличении напряжения
синхронизации амплитуда пилообразного напряжения, а с ней и ширина линии
развертки на экране уменьшаются. При чрезмерном синхронизирующем напряжении в
отдельные моменты времени напряжение Uм может оказаться близким к напряжению Uн; это
вызовет искажение формы кривой напряжения развертки, поскольку каждому периоду
напряжения Uсин будут
отвечать два или большее число импульсов пилообразного напряжения различных
амплитуд и длительностей.
Если частота автоколебаний
генератора в несколько раз меньше частоты /С) Ш, то имеет место синхронизация
на субгармониках последней, принцип которой поясняется графиком на
рисунке. При увеличении напряжения синхронизации не только уменьшается
амплитуда пилообразного напряжения, но также возможно и понижение кратности
синхронизации, т.е. отношение частот Uсин / Uпл может
стать равным двум или даже единице. При малом напряжении Uсин амплитуда пилообразного напряжения и кратность
синхронизации возрастают, однако синхронизация становится неустойчивой и при
небольших колебаниях напряжения Uсин возможно скачкообразное изменение кратности
синхронизации, а, следовательно, и числа наблюдаемых на экране периодов
исследуемого напряжения.
Таким образом,
синхронизирующее напряжение систематически в каждый его период или через
фиксированное число N периодов прерывает процесс постепенного заряда или
разряда времязадающего конденсатора на прямом участке формирования
пилообразного напряжения, в результате чего автоматически поддерживается
кратность частот Uсин и Uпл.
В различных генераторах
оптимальное значение напряжения Uсин заключено в пределах от десятых долей вольта до
десятков вольт.д.ля обеспечения устойчивой синхронизации в осциллографах
предусматривают плавную регулировку напряжения Uсин, а иногда и возможность его усиления.
Осуществлять
синхронизацию рекомендуется в следующем порядке. Сперва напряжение Uсин уменьшают входным потенциометром до минимума и
регулировкой частоты генератора добиваются получения неподвижного изображения
кривой процесса с требуемым числом периодов; затем частоту генератора немного
понижают и, постепенно повышая напряжение синхронизации, добиваются
устойчивости наблюдаемой кривой.
Помимо исследуемого сигнала,
в качестве синхронизирующего можно использовать внешние сигналы, подводимые к
зажимам "Внешняя синхронизация" или к входу канала X, а также
напряжение сети частотой 50 Гц; последний вид синхронизации применяется, в
частности, для выявления фона переменного тока, наложенного на исследуемые
колебания.
В некоторых осциллографах
пилообразное напряжение развертки выводится на зажим или гнездо передней панели
и может быть использовано для синхронизации частоты внешних источников
колебаний.
Электроннолучевые
осциллографы с генераторами непрерывной развертки непригодны для исследования
кратковременных импульсов, длительность которых tи значительно меньше периода их повторения Тп;
на экране такие импульсы будут наблюдаться в виде узких вертикальных выбросов,
форма которых неразличима - рисунок 6.

Рисунок 6 -
Воспроизведение импульсов на экране с непрерывной и ждущей развертками.
Для исследования периодических
процессов с большой скважностью, а также одиночных и непериодических импульсов
в состав универсальных и импульсных осциллографов включают генераторы
ждущей развертки. В отличие от генераторов непрерывной развертки, они
могут неограниченное время находиться в заторможенном состоянии (режиме "ожидания").
Генераторы вырабатывают одиночные импульсы линейного пилообразного напряжения
при каждом воздействии на них сигналов запуска; в качестве последних обычно
используются исследуемые импульсы или внешние импульсные сигналы,
синхронизированные по частоте повторения с исследуемыми. Пилообразные импульсы
(с учетом их усиления) должны иметь амплитуду Uпл, обеспечивающую отклонение светового пятна вдоль всей
ширины экрана, и длительность tпл,
регулируемую в широких пределах. Обычно tпл устанавливается несколько большей длительности
исследуемых импульсов tи. При
этом благодаря большой скорости развертки кривая исследуемого импульса
оказывается растянутой на большую часть ширины экрана, что позволяет детально
исследовать её форму и измерить ряд параметров импульса (длительность,
амплитуда и др.)
Любой генератор пилообразных
колебаний, работающий в автоколебательном режиме, посредством некоторых
изменений в его схеме, обычно небольших, может быть переведен в ждущий режим. Поэтому
схемы генераторов непрерывной и ждущей разверток часто совмещаются.
Запуск генератора ждущей
развертки должен производиться короткими импульсами с крутым фронтом. Поэтому
исследуемые сигналы, используемые для запуска, иногда подвергаются нелинейным
преобразованиям (дифференцированию, амплитудному ограничению и т.п.) с целью
придания им требуемой формы и полярности. В некоторых генераторах
предусматривается возможность запуска ждущей развертки импульсами любой
полярности при использовании переключателя, позволяющего изменять точку приложения
этих импульсов.
  3. Электронно-счетный
частотомер при измерении частоты СВЧ сигналов: схема, принцип действия,
погрешности
Электронно-счетные
частотомеры по своим возможностям являются универсальными приборами. Их
основное назначение - измерение частоты непрерывных и импульсных колебаний,
осуществляемое в широком частотном диапазоне (примерно от 10 Гц до 100 МГц) при
погрешности измерений не более 0,0005%. Кроме того, они позволяют измерять периоды низкочастотных колебаний,
длительности импульсов, отношения двух частот (периодов) и т.д.
Действие
электронно-счетных частотомеров основано на дискретном счете числа импульсов,
поступающих за калиброванный интервал времени на электронный счетчик с цифровой
индикацией. На рисунке 7
приведена упрощенная функциональная схема прибора. Напряжение измеряемой
частоты fx в усилительно-формирующем устройстве преобразуется в
последовательность однополярных импульсов, повторяющихся с той же частотой fx. Для этой цели часто используется система из усилителя-ограничителя и
триггера Шмитта, дополненная на выходе дифференцирующей цепочкой и диодным
ограничителем. Временной селектор (электронный ключ с двумя входами) пропускает
эти импульсы на электронный счетчик лишь в течение строго фиксированного
интервала времени Δt, определяемого длительностью
прямоугольного импульса, воздействующего на его второй вход. При регистрации
счетчиком m импульсов измеряемая частота определяется формулой:
fx = m / Δt
Например, если за время Δt = 0,01 с отмечено 5765 импульсов, то fx = 576,5 кГц.
Погрешность измерения
частоты определяется главным образом погрешностью калибровки выбранного
интервала времени счета. Задающим
компонентом в системе формирования этого интервала является высокостабильный
кварцевый генератор, положим, частоты 100 кГц. Создаваемые им колебания с
помощью группы последовательно включенных делителей частоты преобразуются в
колебания с частотами (f0) 10 и 1 кГц, 100, 10, 1 и 0,1 Гц,
которым соответствуют периоды (Т0) 0,0001; 0,001; 0,01; 0,1; 1
и 10 с (последние одно или два из указанных значений f0 и
Т0 у некоторых частотомеров отсутствуют).
Колебания выбранной (посредством
переключателя В2) частоты f0 (числовое значение
последней является множителем к отсчету по счетчику) с помощью триггера Шмитта
преобразуются в прямоугольные колебания с частотой повторения f0.
Под их действием в управляющем устройстве формируется интервальный импульс
длительностью Δt = Т0 = 1/ f0 строго
прямоугольной формы. Этот импульс вызывает сброс предыдущих показаний счетчика,
а затем (с задержкой на несколько микросекунд) поступает на селектор и
открывает его на время Δt для
пропускания импульсов с частотой повторения fx. После закрывания селектора число пропущенных им импульсов m
фиксируется индикатором счетчика, а измеряемая частота определяется по формуле fx = m / Δt.

Рисунок.7 - Структурная
схема электронно-счётного частотомера.
Цепь управления селектором
может запускаться вручную (нажатием кнопки "Пуск"); в этом
случае управляющее устройство посылает на селектор одиночный импульс длительностью
Δt и счетчик выдает разовый результат измерений с
неограниченным временем его индикации. В режиме автоматического измерения
частоты импульсы реле времени периодически повторяются и результаты измерения
обновляются через выбранные интервалы времени.
Частотомер может служить
источником колебаний ряда опорных частот f0; получаемых с
помощью кварцевого генератора, умножителя и делителей частоты и снимаемых со
специального выхода. Эти же колебания, поданные на вход частотомера, могут
служить для проверки правильности показаний счетчика.
Счетчик частотомера
собирается из 4-7 пересчетных декад на триггерных схемах и цифровых
индикаторных лампах. Число декад определяет максимальное число значащих цифр (разрядов)
в результатах измерений. Возможная ошибка счета, называемая погрешностью
дискретности, составляет одну единицу в цифре самого младшего разряда. Поэтому
желателен выбор такого интервала времени счета Δt,
при котором используется максимальное число разрядов счетчика. Так, в
рассмотренном выше примере при Δt = 0,01
с (f0 = 100 Гц) для
отсчета оказалось достаточным четырех разрядов счетчика и результат измерений fx
= 576,5 кГц± 100 Гц. Предположим, что измерения повторены при Δt = 0,1 с (f0 = 10 Гц) и получен отсчет m = 57 653 импульсов. Тогда fx = 576,53 кГц± 10 Гц. Еще меньшая погрешность дискретности (± 1 Гц) будет получена при
Δt = 1с (в
этом случае счетчик должен иметь не менее шести декад).
При расширении диапазона
измерений частотомера в сторону высоких частот ограничивающим фактором является
быстродействие пересчетных декад. При выполнении триггерных схем на
высокочастотных кремниевых транзисторах (например, типа КТ316А), имеющих время
рассасывания заряда в базе примерно 10 нc, верхняя
предельная измеряемая частота может достигать десятков мегагерц. В некоторых
приборах при измерении высоких частот, превышающих, например, 10 МГц, их
предварительно преобразуют в частоту, меньшую 10 МГц (например, частоту 86,347
МГц в частоту 6,347 МГц),, пользуясь гетеродинным методом.
Фактором, ограничивающим
нижнюю предельную измеряемую частоту, является время измерений. Если, например, установить наибольший для многих
частотомеров интервал времени счета Δt = 1с, то при регистрации счетчиком 10 импульсов
результатом измерений явится частота fx =
10 ± 1 Гц, т.е. погрешность измерения
может достигать 10%. Для уменьшения погрешности, положим, до 0,01%
необходимо было бы производить счет импульсов в течение времени Δt = 1000 с. Еще большее время
требуется для точного измерения частот, равных 1 Гц и менее. Поэтому в
электронно-счетных частотомерах измерение очень низких частот fx заменяют измерением периода их колебаний Тx = 1/fx. Схема измерения периода колебаний образуется при
установке переключателя В1 в положение "ТХ". Исследуемое
напряжение после преобразования в триггере. Шмитта воздействует на управляющее
устройство, в котором формируется прямоугольный импульс длительностью Тx, поддерживающий временной селектор в открытом состоянии; в течение этого
времени счетчик регистрирует импульсы, формируемые из колебаний одной из
опорных частот f0,
определяемой установкой переключателя В2. При числе m
отмеченных импульсов измеряемый период Tx=m
/ f0.
Например, при m= 15 625 и f0 =
1000 Гц период Тx = 15,625 с, что соответствует частоте fx = 1/Тx=
0,064 Гц. Измерения, в целях
уменьшения их погрешности, желательно производить при возможно большем значении
частоты f0 (исключающем,
конечно, перегрузку счетчика). Если период Тх < 1 с (fx > 1
Гц), то может оказаться рациональным использование колебаний частоты f0, равной 1 или 10
МГц, получаемых после умножителей частоты. При этом нижний предел
измеряемых частот удается расширить до 0,01 Гц.
Измерению отношения двух
частот f1/f2 (f1 > f2) соответствует
установка переключателей В2 в положение "Выключено", a B1
- в положение "fx". Напряжение меньшей частоты f2
подводят к зажимам "f0", и его период определяет
интервал времени счета Δt. Напряжение
частоты f1, подводимое к входу "fx", преобразуется
в импульсы, число которых (m) регистрируется
счетчиком в течение временя Δt = l // 2. Искомое отношение частот f1/f2
= m (с погрешностью до единицы). Очевидно, что данным способом имеет смысл
находить отношение лишь значительно различающихся частот.
К недостаткам
электронно-счетных частотомеров следует отнести сложность их схем, значительные
габариты и массу, высокую стоимость.
Для измерения комплексных
параметров цепей на различных частотах или комплексного сопротивления
предназначены приборы, которые называют измерители импеданса. Если прибор имеет
возможность измерения комплексной проводимости (амитанса), то такой прибор
называется измеритель иммитанса. Чаще всего эти приборы упрощенно называют
измерители RLC, хотя это название не отражает реального функционального
назначения этих средств измерения. Кроме измерения R, L и C, в зависимости от
типа, эти приборы позволяют измерять такие параметры как:
добротность цепи или электронного
компонента;
тангенс угла потерь;
комплексное сопротивление на
различных частотах;
фазовый сдвиг между током и
напряжением в цепи;
активное сопротивление
постоянному току.
Основными
характеристикам измерителей импеданса, кроме диапазона и погрешности измерения
R, L и C являются:
частотный диапазон тестового
сигнала, чем шире частотный диапазон, тем шире пределы измерения L и C приборе
Для измерения малых емкостей и индуктивностей необходима как можно более
высокая частота тестового сигнала.
пределы изменения уровня
тестового сигнала и возможность его стабилизации при изменении сопротивления
измеряемой цепи;
наличие внутреннего и
внешнего смещения тестового сигнала постоянным напряжением (например,
необходимо для измерения емкости варикапов);
возможность связи прибора с
персональным компьютером для документирования результатов измерения или
программной обработки результатов измерения (например, построение графиков
зависимости емкости или индуктивности от температуры в реальном масштабе
времени и т.п.)
возможность программирования
прибора для сортировки и отбраковки компонентов на производстве; возможность
подключения механического манипулятора.
Принцип измерения всех
измерителей импеданса (иммитанса) основан на анализе прохождения тестового
сигнала с заданной частотой через цепь, обладающую комплексным сопротивлением и
последующим сравнением с опорным напряжением.
Напряжение рабочей частоты с
внутреннего генератора подается на измеряемый объект и на объекте измеряется
напряжение. Ток, протекающий через объект, с помощью внутреннего
преобразователя ток-напряжение преобразуется в напряжение. Измерение отношения
этих двух напряжений и дает полное сопротивление цепи.

Графическое представление
полного сопротивления представлено на рисунке 8. Как видно на рис.1, полное
сопротивление Z состоит из двух компонентов. Один это активное сопротивление
RS, второй реактивное сопротивление XS.

Рисунок 8 - графическое
представление полного сопротивления.
Комплексное сопротивление Z
определяется как:
(формула № 1)
Из формулы 1 следует, что:
Активное сопротивление RS
связано с комплексным сопротивлением как:
(формула № 2)
И соответственно реактивное
сопротивление XS связано с комплексным сопротивлением как:
(формула № 3)
где Θ - угол между
активным и комплексным сопротивлением.
Из рис.1 так же следует, что
комплексное сопротивление связано с активным и реактивным как:
(формула № 4)
Существует два типа
реактивного сопротивления емкостное XС и индуктивное XL. Исходя из параметров
емкости, индуктивности и частоты они определяются как:
(формула № 5)
(формула № 6)
Где C (L) - значение емкости
(индуктивности),
f - частота на которой
измеряется реактивное сопротивление.
Из практики измерения
известно, что наиболее оптимальным, сточки зрения погрешности измерения, является
измерение сопротивлений в пределах от 0,1 Ом до 10 МОм. Измерение сопротивления
ниже 0,1 Ом требует применения специальных методов с большими токами, а
измерение сопротивления выше 10 Мом требует более высокого напряжения. Из
формул 5 и 6 следует, что для измерения малых индуктивностей и емкостей следует
использовать более высокие частоты, а для измерения больших емкостей и больших
индуктивностей наоборот более низкие.
Формулы 5 и 6 определяют
значение реактивных сопротивлений для идеальных емкостей и индуктивностей. Реально
каждая ёмкость имеет свое внутреннее конечное сопротивление между пластинами,
которое приводит к возникновению внутренних утечек. Это сопротивление зависит
от частоты. Очевидно, что чем меньше это сопротивление, тем лучше ёмкость. Аналогично
и для индуктивности, любая индуктивность имеет активное сопротивление витков,
магнитный поток рассеивания и другие параметры, влияющие на отклонение
идеальной индуктивности от реальной. Для оценки степени внутренних потерь в
емкостях и индуктивностях вводят параметр тангенс угла потерь (или тангенс угла
диэлектрических потерь). Для последовательной схемы замещения (понятие
последовательной и параллельной схемы замещения следует ниже) определяется как:
(формула № 7)
(формула № 8)
Для параллельной схемы
замещения, формулы расчета тангенса потерь имеют обратный вид:
(формула № 9)
(формула № 10)
Существует второй параметр,
определяющий потери в реактивных элементах - это добротность. Добротность это
величина обратная тангенсу угла потерь:
(формула № 11)
Исторически сложилось так,
что потери в емкости оценивают по тангенсу угла потерь, а в индуктивности по
величине добротности, хотя, еще раз подчеркнем, эти величины являются обратными
друг другу и для емкости возможно понятие добротность, так же как и для
индуктивности возможно понятие тангенса угла потерь.
Формулы c № 1 по № 11
определяют основные понятия и взаимосвязи из области измерения комплексных и
реактивных сопротивлений.
В практике измерения
комплексных сопротивлений также существуют понятия параллельной или
последовательной схемы замещения. Она представляет собой схему, на которой
отражены все возможные сопротивления (как активные так и реактивные) оказывающие
влияние на полное сопротивление цепи или компонента. Выбор схемы замещения
зависит от частоты сигнала в цепи и учитывает, какое реактивное сопротивление
при этой частоте оказывает большее влияние. Так, например, для емкости, схема
замещения включает последовательное сопротивление выводов, обладающих как активным
так и индуктивным характером, собственно ёмкость, а так же параллельное
обкладкам емкости паразитное сопротивление. При достаточно большой емкости и
небольшой частоте, паразитная индуктивность выводов не оказывает практически
никакого влияния на комплексное сопротивление (см. формулу 5), но при
увеличении частоты, когда реактивное сопротивление емкости уменьшается (см. формулу
6), а реактивное сопротивление индуктивности увеличивается, характер
сопротивления, а следовательно и результат измерения емкости может быть
существенно искажен.
Из всего сказанного выше,
следует, что при проведении измерений с помощью измерителя RLC необходимо
учитывать следующее:
Выбор частоты измерения емкости
и индуктивности должен быть осуществлен грамотно, с учетом величин этих элементов.
Для достижения более низкой
погрешности измерения, малые значения индуктивности (мкГн) и емкости (пФ) следует
измерять на более высоких частотах, а большие значения индуктивности (Гн) и
емкости (мФ) следует измерять на более низких частотах.
Так же корректно должна быть
выбрана и схема замещения. При больших значениях индуктивности (Гн) и емкости (мФ)
следует выбрать параллельную схему замещения. При малых значениях индуктивности
(мкГн) и емкости (пФ) следует выбирать последовательную схему замещения.
Пренебрежение этими правилами
значительно искажает достоверность измерения.
В настоящий момент на рынке
средств измерения присутствует достаточное количество измерителей RLC,
отличающихся как ценой, так и функциональными возможностями.
В диапазоне СВЧ наблюдение
формы сигнала (зависимости его во времени) не позволяет получить полную
информацию о нем. Так, осциллограмма радиосигнала с частотной модуляцией
практически мало отличим от синусоидального сигнала, наличие в составе сигнала
дополнительных гармонических составляющих маскируется большой величиной
гармоники несущей частоты и пр. Анализ спектральных характеристик радиосигналов
в диапазоне СВЧ более информативен и позволяет измерить его мощность, частоту,
коэффициент модуляции и пр. Практически анализатор спектра в СВЧ диапазоне
является таким же универсальным прибором для исследования радиосигналов, каким
на низких частотах является осциллограф.
Напомним спектральные
характеристики радиосигнала. Для
сигнала u (t) вводят спектральную функцию (или спектральную плотность), определяемую
прямым преобразованием Фурье.

Эта функция комплексная,
имеет размерность В/Гц и представляет распределение амплитуд и фаз
гармонических составляющих по частотной оси. Спектральная функция существует
при абсолютной интегрируемости функции сигнала. Для реальных сигналов это
условие обычно всегда выполняется.
Спектральная функция- это функционал уже закончившегося процесса (интеграл
берется до "бесконечного" времени). В реальных условиях
измерять можно только текущий частотный спектр

характеризующий незаконченный
процесс. Чаще измеряют модуль этого выражения - его называют амплитудной
спектральной функцией или амплитудным спектром сигнала. Фазу измерить сложнее,
поэтому в стандартных измерительных задачах этого не делают.
Для периодических бесконечных
сигналов спектральная функция представляет собой последовательность
дельта-функций, смещенных друг относительно друга на частоту повторения сигнала.
Для этого случая используют спектральное представление в виде ряда Фурье:

где T - период повторения
сигнала (u (t ± kT) = u (t), k = 0,1,2,3).
Ряд Фурье представляет собой
совокупность гармонических колебаний с кратными частотами. Составляющая с
нулевой частотой U0 является постоянной составляющей сигнала. Последовательности
амплитуд Un и начальных фаз φn гармоник представляют собой амплитудный и
фазовый спектры периодических сигналов.
Особый класс сигналов,
который исследуется в спектральном представлении - это шумовые и случайные
сигналы. Важной характеристикой шумового сигнала является его
спектральная плотность мощности:

Здесь S (w,T) - спектральная
плотность реализации случайного процесса на интервале [-T/2,T/2]. Размерность
спектральной плотности мощности [В2·с] совпадает с размерностью энергии
сигнала, поэтому иногда говорят об энергетическом спектре случайного сигнала. Фактически
это характеристика распределения мощности случайного сигнала по частоте.
Сформулируем
измерительные задачи спектрального анализа сигналов СВЧ. Это определение амплитуд и частот гармонических
составляющих периодических сигналов, измерение амплитудной спектральной функции
непериодических сигналов и спектральной плотности мощности случайных сигналов.
Стандартные анализаторы
спектра СВЧ диапазона строятся преимущественно по принципу последовательного
анализа. Спектральные составляющие
выделяют узкополосным фильтром. Фактически такой прибор является узкополосным
селективным вольтметром с супергетеродинным принципом перестройки по частоте. Используют
электронную перестройку частоты и панорамный принцип индикации результата. На
выходе фильтра ставят измеритель уровня (квадратичный детектор). Результат
измерения подают на отсчетное устройство - осциллографический индикатор.
Структурная схема
прибора с последовательным методом анализа представлена на рисунке 8.

Рисунок.8 - Структурная
схема анализатора спектра последовательного типа.
Она напоминает схему
измерителя АЧХ (анализатора цепей СВЧ). Управление перестройкой частоты
гетеродина производится генератором пилообразного напряжения uупр (t). Он
задает время анализа Ta, то есть время, за которое анализатор сканирует
заданный диапазон частот спектра (полосу анализа Δfа). Этим же напряжением
производят горизонтальное отклонение луча осциллографического индикатора. Гетеродин
является генератором качающейся частоты (ГКЧ) с постоянной амплитудой и
меняющейся по линейному закону частотой

Сигнал с ГКЧ поступает на
смеситель. Предположим, что на вход анализатора подан синусоидальный сигнал с
частотой fс. Тогда на выходе смесителя возникают колебания с комбинационными
частотами, в том числе с разностной частотой fс - fг (t). Сигнал с разностной (и
меняющейся во времени) частотой подают на вход узкополосного УПЧ, который и
производит процедуру частотного анализа спектра. Закон изменения частоты от
времени показан на графике, где для наглядности ось времени повернута вниз.

Рисунок 9 - Принцип
действия последовательного анализатора спектра.
В момент t0, когда
выполняется c г ПЧ f - f (t) = f 0, на выходе УПЧ появляется радиоимпульс. Его
огибающая повторяет форму АЧХ фильтра УПЧ. Детектор выделяет напряжение (видеоимпульс),
повторяющее его огибающую. Этот сигнал поступает на осциллографический
индикатор. При наличии в составе спектра сигнала нескольких гармоник, процесс
формирования видеоимпульса происходит аналогично, но в разные моменты времени. Совокупность
откликов спектроанализатора на каждую гармоническую составляющую входного
сигнала называют спектрограммой. Величины откликов пропорциональны
амплитудам входных гармоник, расположение откликов на оси Х соответствует
частотам гармонических составляющих входного сигнала.
Полученная спектрограмма
напоминает часто используемое графическое изображение амплитудного спектра
периодического сигнала в виде вертикальных линий, длина которых равна амплитуде
соответствующих гармонических составляющих сигнала.
При широкой полосе анализа и
узкой полосе пропускания требуемое время анализа может достигать десятков
секунд. Поэтому в анализаторах спектра применяют запоминающие
осциллографические трубки. Полоса пропускания УПЧ делается регулируемой, что
позволяет подобрать оптимальное соотношение между временем анализа и формой
отклика спектроанализатора.
Одно из условий неискаженной
спектрограммы - неизменность спектра сигнала за время анализа. Иными словами, в
процессе сканирования спектр сигнала не должен меняться - это соответствует
условию, когда период сигнала T<<Tа. В каждой частотной точке сигнал
должен рассматриваться как периодический. В противном случае возникают
искажения спектрограммы.
Искажают спектрограмму и
помехи, которые попадают на выход анализатора по зеркальному каналу. Напомним,
что для супергетеродинного способа преобразования частоты характерно наличие
паразитного зеркального канала прохождения сигнала. Кроме полезного сигнала с
разностной частотой fс - fг (t) = fУПЧ, в полосу пропускания УПЧ попадает
сигнал с частотой, ниже частоты гетеродина на значение промежуточной частоты fг
(t) - fс = fУПЧ. Этот канал называют "зеркальным"; гармоника,
попадающая на эту частоту, будет преобразована и создаст паразитный отклик,
накладывающийся на полезный. Возникнет искажение спектрограммы. Для исключения
паразитных сигналов необходимо осуществлять фильтрацию сигнала на входе
анализатора.
Основные параметры
последовательных спектроанализаторов:
Рабочий диапазон частот - это тот частотный диапазон, в котором работает
данный прибор. Рабочий диапазон может быть разбит на поддиапазоны.
Полоса анализа - это диапазон частот, в котором производится обзор
спектра сигнала за один ход развертки. Может регулироваться от максимальной
полосы до нуля. В последнем случае спектроанализатор превращается в
измерительный приемник с ручной перестройкой частоты.
Время анализа Та - это время обзора рабочей полосы частот. Регулируется
в широких пределах и для последовательных спектроанализаторов может достигать
десятков секунд. Предусматривают и ручной режим перестройки по частоте - его
используют при узких полосах УПЧ в режиме запоминания изображения.
Разрешающая способность - минимальная разность частот двух спектральных
составляющих, при которых они фиксируются раздельно и могут быть измерены. Количественно
задается разностью частот двух гармонических составляющих, которые на экране
создают спектрограмму сливающихся на уровне 0,5 откликов. Отметим, что
разрешающая способность впрямую не определяет точность измерения амплитуд и
частот гармоник- она показывает возможность визуально различить отклики от
гармонических составляющих.
Различают статическую и
динамическую разрешающие способности. Статическая определяется шириной полосы пропускания УПЧ.
Динамическая разрешающая
способность определяется степенью расширения отклика из-за динамических искажений
в фильтре. Так, при коэффициенте динамических искажений μ=10 разрешающая
способность ухудшается (увеличивается) более чем в 3 раза. Поэтому при
исследовании сигналов с близкими гармониками используют увеличение времени
анализа при минимально возможной полосе пропускания УПЧ.
Чувствительность - это минимальный уровень входного синусоидального
сигнала, который может быть измерен на экране спектроанализатора с заданной
точностью. Она ограничена, как правило, внутренними шумами прибора. Количественно
она оценивается как минимальное значение синусоидального сигнала, при котором
его отклик превышает уровень шумов на экране прибора в заданное число раз (например,
на 20 дБ). Иногда в паспорте прибора указывают уровень собственных шумов
прибора, который позволяет оценить чувствительность по любому отношению
сигнал/шум.
Максимальный уровень
входного сигнала определяется уровнем
допустимых искажений исследуемого спектра при воздействии сигнала на входные
активные блоки прибора. При перегрузках большим сигналом в спектрограмме могут
появляться дополнительные паразитные составляющие, а амплитуды существующих
могут измениться.
Динамический диапазон - это соотношение максимального и минимального
уровней гармоник, при котором искажения спектра пренебрежимо малы. Не следует
путать это понятие с диапазоном измеряемых амплитуд сигнала, который при
наличии входного аттенюатора может быть шире, чем динамический диапазон. Наличие
в реальных сигналах больших и малых уровней гармоник предъявляет жесткие
требования к динамическому диапазону. Как правило, он определяется
нелинейностью входных блоков спектроанализатора (смесителя, усилителя и пр). Современные
спектроанализаторы имеют широкий динамический диапазон (90 - 120 дБ)
Амплитудно-частотная
характеристика - это зависимость измеренной
амплитуды гармоники при изменении ее частоты в пределах полосы обзора и
постоянной амплитуде на входе. Она определяет систематические погрешности при
измерении спектров в широком диапазоне частот.
Метрологические параметры - это погрешность измерения уровня гармоник ΔU и
погрешность измерения частоты гармоники Δf. Погрешность измерения
амплитуды включает погрешность калибровки на фиксированной частоте и
погрешность неравномерности собственной АЧХ, погрешность калиброванного
аттенюатора и пр. Погрешность измерения частоты определяется точностью
калибровки шкалы.
Анализатор спектра
С4-27 предназначен для исследования спектров периодически повторяющихся
радиоимпульсов и непрерывных сигналов.
С его помощью можно проводить
следующие виды измерений:
Определение уровня и частоты
гармонических сигналов;
Наличие паразитных
амплитудной и частотной модуляции;
Определение соотношения
гармонических составляющих в спектрах сигналов сложной формы;
Для импульсных сигналов: измерение
частоты несущей и ширины лепестков спектра, оценку длительности импульса и
искажения его формы по виду спектра.
Прибор обеспечивает
следующие технические и метрологические параметры:
Частотный диапазон прибора 10
МГц…39,6 ГГц с разбивкой на 5 поддиапазонов;
Полоса обзора регулируется в
пределах 0,1 - 5 МГц и 2-80 МГц;
Полоса пропускания УПЧ
регулируется в пределах 3-70; имеется две фиксированные полосы 1 кГц и 300 кГц;
Динамический диапазон (по
уровню интермодуляционных искажений) 50 дБ;
Чувствительность, измеряемая
по синусоидальному сигналу 2 ГГц при максимальной полосе УПЧ не хуже 10 - 3
мкВт.
Погрешность установки частоты
± (2.10 - 2 f + 1), МГц.
Погрешность отсчета уровня по
сетке 10%.
Входное сопротивление
коаксиального входа 50 Ом (разъем 7/3), волноводные входы 16 х 8, 11 х 5,5 и
7,2 х 3,4 мм.
Анализатор спектра
С4-27 представляет собой супергетеродинный приемник с тройным преобразованием
частоты и электронной перестройкой в пределах установленной полосы обзора. Он состоит из двух блоков СВЧ - СВЧ преобразователь
и анализатор спектра на промежуточной частоте 160 МГц. Упрощенная структурная
схема преобразователя СВЧ представлена на рисунке 10.

Рисунок 10 - Структурная
схема СВЧ преобразователя прибора С4-27
Он представляет собой
пятидиапазонный преобразователь, в котором производится перенос спектра
исследуемого сигнала на частоты диапазона (160±40З) МГц. Используется первая,
вторая и третья гармоники триодного гетеродина, перекрывающего диапазон частот
0,01 - 1, 9 ГГЦ. На частотах 1,9 - 39,6 ГГц используются первая, вторая,
четвертая и десятая гармоники клистронного гетеродина. Частота входного сигнала
грубо оценивается по шкале гетеродина.
Особенностью СВЧ
преобразователя является отсутствие дополнительной селекции входного сигнала. Это
не позволяет подавлять паразитные каналы приема (зеркальный и побочные), что
проявляется в виде ложных отметок сигнала на экране анализатора.
Анализатор спектра сигнала ПЧ
(рисунок 11) представляет собой приемник на частоту 160 МГц.

Рисунок 11 - Блок
анализатора ПЧ прибора С4-27.
Первое преобразование
переносит исследуемый спектр на частоту 75,16 МГц. После фильтрации и усиления
сигнал попадает на второй смеситель с фиксированной частотой гетеродина. Частота
третьей ПЧ 8,16 МГц. На этой частоте производится окончательное усиление сигнала
и узкополосная фильтрация, определяющая форму отклика на экране. Амплитуда
отклика пропорциональна уровню гармоники на входе прибора. Ширина отклика связана
с шириной полосы пропускания УПЧ, который содержит плавно перестраиваемый
LC-фильтр, а также два кварцевых фильтра с полосами 1 и 300 кГц.
После детектирования
огибающая выходного сигнала УПЧ подается на канал вертикального отклонения
осциллографического индикатора. Развертка изображения осуществляется
пилообразным напряжением, управляющим напряжением первого гетеродина блока ПЧ.
Для проведения частотных
измерений предусмотрен калибратор. Он представляет собой генератор радиосигнала
частотой 160 МГц, модулированного синусоидой с частотой 0.1, 1 или 10 МГц. Это
сигнал подается на вход анализатора, и на экране появляется его спектр. Расстояние
между откликами соответствует образцовой частоте сигнала модуляции. Такой
спектр представляет собой частотные метки, которые позволяют откалибровать ось
частот анализатора спектра.
Для калибровки оси амплитуд
подают гармонический сигнал от внешнего генератора с известной амплитудой.
1.
Измерения в электронике. Справочник / Под ред. В.А. Кузнецова. - Москва.:
Энергоатомиздат, 1987. - 512 с.
2.
А.М. Меерсон, Радиоизмерительная техника, Ленинград, "Энергия",
Ленинградское отделение.
|