рефераты
Главная

Рефераты по авиации и космонавтике

Рефераты по административному праву

Рефераты по безопасности жизнедеятельности

Рефераты по арбитражному процессу

Рефераты по архитектуре

Рефераты по астрономии

Рефераты по банковскому делу

Рефераты по сексологии

Рефераты по информатике программированию

Рефераты по биологии

Рефераты по экономике

Рефераты по москвоведению

Рефераты по экологии

Краткое содержание произведений

Рефераты по физкультуре и спорту

Топики по английскому языку

Рефераты по математике

Рефераты по музыке

Остальные рефераты

Рефераты по биржевому делу

Рефераты по ботанике и сельскому хозяйству

Рефераты по бухгалтерскому учету и аудиту

Рефераты по валютным отношениям

Рефераты по ветеринарии

Рефераты для военной кафедры

Рефераты по географии

Рефераты по геодезии

Рефераты по геологии

Рефераты по геополитике

Рефераты по государству и праву

Рефераты по гражданскому праву и процессу

Рефераты по кредитованию

Рефераты по естествознанию

Рефераты по истории техники

Рефераты по журналистике

Рефераты по зоологии

Рефераты по инвестициям

Рефераты по информатике

Исторические личности

Рефераты по кибернетике

Рефераты по коммуникации и связи

Рефераты по косметологии

Рефераты по криминалистике

Рефераты по криминологии

Рефераты по науке и технике

Рефераты по кулинарии

Рефераты по культурологии

Дипломная работа: Приемник цифровой системы передачи информации ВЧ-каналом связи по ВЛ

Дипломная работа: Приемник цифровой системы передачи информации ВЧ-каналом связи по ВЛ

РЕФЕРАТ

Целью дипломной работы является разработка функциональной схемы блока приемника цифровой системы передачи информации высокочастотным каналом связи по высоковольтным линиям электропередачи.

Работа посвящена вопросу перехода от аналоговой к цифровой форме обработки сигнала, в уже существующих образцах ВЧ аппаратуры релейной защиты и противоаварийой автоматики (РЗ и ПА), используемой в энергетических системах России. В техническом задании требуется разработать функциональную схему цифрового приёмника ВЧ сигнала с сохранением преемственности параметров с прежней аппаратурой, т.е. конструктивно блок приемника сопрягается с остальными блоками аппаратуры РЗ и ПА, но обладает рядом достоинств присущих цифровой аппаратуре, выгодно отличающих её от аналоговой.

На данном этапе создан экспериментальный образец, который проходит лабораторные испытания.

Внедрение разработанного приемника позволит унифицировать блок аппаратуры релейной защиты и противоаварийной автоматики (РЗ и ПА). Что повысит удобство и эффективность работы с ней при изменении конфигурации линии электропередачи.

В пояснительной записке содержится 75 страниц.


СОДЕРЖАНИЕ

РЕФЕРАТ

ПЕРЕЧЕНЬ ЛИСТОВ ГРАФИЧЕСКИХ ДОКУМЕНТОВ

СПИСОК УСЛОВНЫХ СОКРАЩЕНИЙ

ВВЕДЕНИЕ

1. ОРГАНИЗАЦИЯ ВЧ – КАНАЛА СВЯЗИ ПО ВЫСОКОВОЛЬТНЫМ ЛИНИЯМ

1.1 Конструктивные особенности линий электропередачи

1.2 Структура канала связи

1.3 Особенности ВЧ связи по ВЛ

1.4 Характеристики каналов ВЧ связи

1.5 Уровни помех и линейных затуханий

1.5.1 Электрические помехи в каналах ВЧ связи по ВЛ

1.5.2 Линейные затухания в ВЧ тракте.

1.5.3 Минимальный уровень принимаемого сигнала

2. РАЗРАБОТКА И ОБОСНОВАНИЕ ФУНКЦИОНАЛЬНОЙ СХЕМЫ БЛОКА ПРИЕМНИКА

 2.1 Общие сведения

2.2 Структурная схема цифрового приемника аппаратуры АКА-16 ПРМ

2.3 Линейный тракт приемника

2.4 Функциональная схема аппаратуры каналов автоматики АКА-16 ПРМ

3. ВЫБОР ЭЛЕМЕНТНОЙ БАЗЫ И ПРОВЕРКА РАБОТЫ ОСНОВНЫХ

ФУНКЦИОНАЛЬНЫХ УЗЛОВ ПРИЕМНИКА

3.1 Оценка разрядности входного и выходного сигналов

3.2 Выбор элементов

3.3 Проверка работы модели на аппаратуре

4. ЛИСТИНГ ПРОГРАММНОГО ОБЕСПЕЧЕНИЯ БЛОКА ПРИЕМНИКА

4.1 Возможные неисправности и действия при их возникновении...

5. БЕЗОПАСНОСТЬ И ЭКОЛОГИЧНОСТЬ ПРОЕКТА

5.1 Краткая характеристика проекта

5.2 Безопасность проекта

5.2.1 Электробезопасность

5.2.2 Пожарная безопасность

5.2.3 Микроклимат на рабочем месте

5.2.4 Освещенность на рабочем месте

5.2.5 Шумы и вибрации

5.3 Эргономичность проекта

5.3.1 Эргономические требования к рабочему месту

5.4 Экологичность проекта

5.4.1 Ионизационное излучение

5.4.2 Электромагнитное излучение

5.4.3 Статическое электричество

5.5 Черезвычайные ситуации

5.6 Вывод о безопасности и экологичности проекта

6. ЭКОНОМИЧЕСКОЕ ОБОСНОВАНИЕ ПРОЕКТА

6.1 Расчетное обоснование проекта

6.2 Расчет материальных затрат

6.3 Расчет основной заработной платы

6.4 Расчет дополнительной заработной платы

6.5 Затраты на социальные выплаты

6.6 Затраты на электроэнергию

6.7 Амортизационные отчисления

6.8 Накладные расходы

6.9 Калькуляция затрат

ЗАКЛЮЧЕНИЕ

СПИСОК ИСПОЛЬЗОВАННОЙ ЛИТЕРАТУРЫ

ПРИЛОЖЕНИЕ 1 Структурная схема цифрового приемника

ПРИЛОЖЕНИЕ 2 Функциональная схема АКА-16 ПРМ

ПРИЛОЖЕНИЕ 3 Функциональная схема управления реле команд

ПРИЛОЖЕНИЕ 4 Фрагмент программного обеспечения ADSP-2191M


ПЕРЕЧЕНЬ ЛИСТОВ ГРАФИЧЕСКИХ ДОКУМЕНТОВ

Таблица 1

Наименование документа Обозначение Формат Примечание
1 Пояснительная записка 2007.3033.581 ПЗ А4 80 листов
2 Схема организации ВЧ-канала связи по ВЛ. 2007.3033.581 А1 1 лист
3 Структурная схема многофункционального приёмопередатчика для ВЧ-канала связи по ВЛ. 2007.3033.581 Э1 А1 1 лист
4 Схема электрическая принципиальная блока ПРМ. 2007.3033.581 Э3 А1 1 лист
5 Общий вид блока ПРМ. 2007.3033.581 ОВ А1 1 лист
6 Печатная плата блока ПРМ. 2007.3033.581 А1 1 лист
7 Результаты анализа приёмного тракта 2007.3033.581 А1 1 лист

Список условных сокращений

АЦП - аналого-цифровой преобразователь

БВ1 - блок вспомогательных устройств

БП - блок питания

ВЛ - высоковольтная линия

ВЧ - высокая частота

ГЕН - блок синтезаторов частот

ЖКИ - жидкокристаллический индикатор

ЗИП - комплект запасных частей, инструментов и принадлежностей

КЧ - контрольная частота

ЛФ - линейный фильтр

НЧ - низкая частота

ПА - противоаварийная автоматика

ПДПА - блок управления выходными реле

ПЗУ - постоянное запоминающее устройство

ПРВЧ - блок высокочастотного приемника

ПРТЧ - блок приемника тональных частот

ПРЦ - блок процессора

ПЭВМ - персональная электронно-вычислительная машина

РЭ - руководство по эксплуатации

ТО - техническое обслуживание

ТТЛ - транзисторно-транзисторная логика

УВЧ - усилитель высокой частоты

ФНЧ - фильтр низкой частоты

ШОУ - широкополосный операционный усилитель

ОБП - одна боковая полоса с подавлением несущей

АТП - аналоговый тракт приемника

БДК - блок дискретизации и квантования


Введение

Актуальность перевода приемной части аппаратуры релейных защит и противоаварийной автоматики на цифровую форму обработки вызвана несколькими причинами:

1. Заводом изготовителем прекращены поставки кварцевых фильтров 16-порядка ФП 204 с полосой пропускания 3.1 кГц, ввиду экономической нецелесообразности штучного производства дорогих и не технологичных приборов.

2. Современные цифровые технологии позволяют создавать на основе существующих линий дополнительные каналы управления, связи и диспетчерской сети.

3. Технологичность изготовления, компактность, малые габариты и снижение себестоимости при переходе на цифровые технологии, вот основные критерии, заставляющие вести работы в этом направлении.

В России использование линий электропередачи для связи началось почти одновременно с появлением самих ЛЭП. Этот вид связи является основным средством дальней межобъектной связи в энергетике.[1]

Низкие затраты на сооружение и эксплуатацию каналов ВЧ связи по ВЛ и высокая надёжность обусловили их широкое распространение в энергосистемах многих стран мира. Высокочастотная связь по ВЛ является разновидностью техники дальней связи и имеет много общего со связью по специальным воздушным, кабельным и радиорелейным линиям связи. Однако ВЧ связь по ВЛ обладает рядом особенностей, отличающих её от всех других видов дальней связи. В первую очередь это специфические условия распространения сигналов по многороводным неоднородным линиям больших габаритов, большие уровни электрических помех, вызванных наличием на проводах высокого напряжения промышленной частоты, необходимость в специальных устройствах для присоединения ВЧ аппаратуры к проводам ВЛ. и др. В силу этих особенностей ВЧ связь по ВЛ сформировалась как самостоятельная область техники. [1]

Высокочастотный канал связи используется, как правило, для сигналов релейных защит и противоаварийной автоматики и служебной телефонии. Релейная защита ВЛ предназначена для быстрого отключения линии при возникновении на ней повреждения, что необходимо для обеспечения нормальной работы остальной (неповреждённой ) части сети. Повреждённая линия должна быть отключена с обеих сторон. Потребители обычно получают электроснабжение не менее чем по двум линиям электропередачи. Поэтому при возникновении повреждения на одной ВЛ электроснабжение потребителя не нарушится, если повреждённая линия будет быстро отключена от остальной сети. При коротком замыкании между проводами или проводов на землю к месту КЗ течёт ток короткого замыкания. Чем больше мощность энергосистемы, тем больше ток КЗ и тем быстрее необходимо изолировать повреждённую линию от остальной сети высокого напряжения.

Устройства релейной защиты должны отличать повреждения на защищаемой линии, т.е. в зоне действия защиты, от повреждения на других линиях. Такие повреждения называются внешними. Применяемые в настоящее время устройства релейной защиты реагируют на изменения токов и напряжений промышленной частоты на концах защищаемой линии, т.е. в местах захода линии на шины подстанции. Трудности создания таких защит обусловлены тем, что токи при КЗ в различных точках сети могут изменяться в широких пределах в зависимости от режима работы сети в целом. В некоторых слуаях при внешних КЗ ток данной линии может быть больше, чем при КЗ на этой линии. На некоторых линиях минимальные токи КЗ могут быть меньше максимальновозможных токов нагрузки. Поэтому на одном из концов линии нельзя найти однозначных критериев, позволяющих отличить КЗ на защищаемой линии от внешних КЗ или от нормального режима.[1]

Задача выявления КЗ на защищаемой линии успешно решается, если обеспечен обмен информацией между двумя полукомплектами защиты, установленными по концам защищаемой линии. Информация между этими полукомплектами передаётся по каналу ВЧ связи создаваемого по фазным проводам той же линии. Релейные защиты линии, использующие канал ВЧ связи по ВЛ, называются высокочастотными.

Данная дипломная работа посвящена вопросу перехода от аналоговой к цифровой форме обработки сигнала, в уже существующих образцах ВЧ аппаратуры релейной защиты и противоаварийной автоматики, используемой в энергетических системах России, от аналоговой к цифровой форме обработки сигнала. В техническом задании требуется разработать функциональную схему цифрового приёмника ВЧ сигнала с сохранением преемственности параметров с прежней аппаратурой, т.е. конструктивно он сопрягается с остальными блоками аппаратуры РЗ и ПА, но обладает рядом достоинств присущих цифровой аппаратуре, выгодно отличающих её от аналоговой.


1. Организация ВЧ канала связи по высоковольтным линиям, основные характеристики канала

1.1 Конструктивные особенности линии электропередачи

Воздушная линия электропередачи представляет собой систему проводов, подвешенных на опорах с помощью изоляторов. По части проводов ВЛ осуществляется передача электроэнергии промышленной частоты. Эти провода называются фазными проводами или фазами, потому что каждый из них закреплён за одной из фаз трёхфазной системы передачи токов промышленной частоты. Кроме фазных проводов на ВЛ напряжением 110 кВ и выше имеются ещё тросы для защиты фазных проводов от ударов молнии при грозах. Тросы представляют собой стальные или сталеалюминевые провода, натянутые над фазными проводами. Тросы крепятся на специальных тросостойках, установленных на вершинах опор. Линии электропередачи напряжением ниже 110 кВ выполняются без тросов.[1]

ЛЭП различают по следующим основным признакам:

По классам линейного напряжения. Линии с линейным напряжением 110 кВ и ниже считаются линиями низких классов напряжения, линии 220 – 500 кВ относятся к категории линий высоких классов напряжения, а линии 750 – 1150 кВ – к категориилиний сверхвысокого напряжения.

По назначению. ЛЭП подразделяют на магистральные и распределительные. Магистральные линии служат для транспортирования электроэнергии от мест её производства к районам потребления и для связи между энергосистемами и энергообъединениями. Распределительные линии служат для передачи энергии потребителям. Эти линии отходят от узловых подстанций, куда заходят магистральные линии, и образуют распределительную сеть. Распределительная сеть выполняется в основном на напряжение до 220 кВ включительно, хотя иногда линии220 кВ выполняют роль магистральных линий, а линии 330 – 500 кВ могут использоваться непосредственно для питания крупных потребителей.

По количеству цепей, провода которых подвешены на общих опорах, ВЛ подразделяются на одноцепные и многоцепные. Одноцепные ВЛ образуют одну систему передачи электроэнергии трёхфазным переменным током и потому имеют три фазных провода. Многоцепные линии представляют собой несколько независимых трёхфазных цепей, фазные провода которых подвешены на общих опорах. Большинство многоцепных линий являются двухцепными. Рис. 1.1 в.

По конфигурации расположения проводов. У одноцепных линий расположение проводов может быть либо треугольным рис.1.1б, либо горизонтальным рис 1.1а. Наиболее распространённым видом двухцепной ВЛ является линия с расположением проводов типа «бочка». У двухцепной линии фазные провода каждой из цепей расположены почти в вертикальной плоскости, вследствие чего такие линии часто называются линиями с вертикальным расположением проводов.[2]

   

а ) б ) в )

Рис. 1.1

Для симметрирования ВЛ на промышленной частоте применяется транспозиция фазных проводов. В каждом пункте транспозиции местоположение проводов изменяется.

Необходимость в транспозиции проводов возникает только на линиях протяжённостью более 100 км. На линиях высоких и сверхвысоких напряжений большой протяжённости обычно выполняется полный цикл транспозиции с двумя пунктами, делящими линию на три приблизительно равные участка рис.1.2.

  

 Рис. 1.2

В качестве фазных проводов применяются алюминиевые или сталеалюминиевые провода с сечением по алюминию 95 – 1000 мм.кв. Сталеалюминиевый провод представляет собой сердечник из нескольких свитых стальных проволок. Сечение стальной части провода определяется требованиями к его механической прочности, так как провод в период подвески и во время эксплуатации испытывает большие тяговые усилия. Сечение алюминиевой части провода определяется требованиями, связанными с потерями энергии промышленной частоты от нагрева провода токами нагрузки линии.

Вследствие наличия на проводах по отношению к земле высокого напряжения промышленной частоты эти провода коронируют. Коронированием проводов или просто короной называются электрические разряды с поверхности провода в окружающее пространство при большой напряжённости поля на поверхности проводов.

1.2 Структура канала связи

Структурная схема организации канала связи между источником сообщения и приемником показаны на рис. 1.3. В этой схеме присутствует аппаратура присоединения (АП) и аппаратура обработки ( АО ). Аппаратура присоединения служит для передачи ВЧ сигналов от аппаратуры уплотнения на передающем конце в провода линии электропередачи и для передачи сигналов от проводов к аппаратуре уплотнения на приемном конце. Аппаратура обработки служит для отделения по высокой частоте проводов ВЛ, к которым подключается аппаратура присоединения, от остальной сети высокого напряжения. Аппаратура обработки и присоединения в некоторых случаях образует единую электрическую схему. Участок канала связи от выхода передатчика аппаратуры уплотнения на одном конце канала до входа приемника этой аппаратуры на другом конце называется высокочастотным трактом. Участок ВЧ тракта между точками подключения апппаратуры присоединения к проводам ВЛ называется линейным трактом.[1]

(ИС) – источник сигнала. Преобразователи сигналов (ПС) на передающей и (ПС2) на приемной стороне. Преобразование низкочастотных сигналов в высокочастотные на передающем конце и обратное преобразование на приемном конце осуществляется в аппаратуре ВЧ уплотнения (АУ).

Рис. 1.3 Структурная схема организации канала связи.

1.3 Особенности ВЧ связи по ВЛ

Надежность линии электропередачи значительно выше надежности воздушных и кабельных линий связи благодаря высокой прочности линейных проводов и поддерживающих конструкций (опор). Линии электропередачи повреждаются только при мощных природных воздействиях, таких как ураган, гроза или очень сильный гололёд, в то время как воздушные линии связи повреждаются при сильном ветре, сравнительно небольших гололёдных образованиях, а кабели повреждаются землеройными механизмами, при оползнях, половодьях, вибрациях почвы от автотранспорта и других причинах. Во многих случаях линия электропередачи (ЛЭП) является кратчайшим путем, связывающим энергетические предприятия (например, подстанции), между которыми нужны каналы связи. При этом отпадает необходимость в строительстве линии проводной связи, а также, и это очень важно, в организации их эксплуатации. Эксплуатация ВЛ, требующая специальной линейной службы с большим количеством персонала, ведется независимо от организации по ней каналов связи. По этим причинам затраты на сооружение и эксплуатацию каналов связи по проводам ВЛ значительно меньше аналогичных затрат на каналы по специальным воздушным, кабельным или радиорелейным линиям связи. В то же время использование для связи проводов ВЛ сопряжено с рядом трудностей, которые приходится учитывать при конструировании аппаратуры и проектировании каналов связи.

Повода ВЛ нормально находятся под высоким напряжением промышленной частоты. Вследствие этого по ВЛ возможна только ВЧ связь с использованием таких частот, которые сравнительно простыми средствами могут быть отделены от промышленной частоты.

Для подключения передатчика и приемника аппаратуры уплотнения к проводам ВЛ необходима специальная аппаратура присоединения, не применяемая ни в каких других областях техники связи.[1]

На станциях и подстанциях фазные провода ВЛ подключаются к специальным шинам. К ним также подключено оборудование высокого напряжения (выключатели, трансформаторы, разъединители), которое может иметь низкое сопротивление для токов рабочей частоты каналов связи. В этом сопротивлении поглощается часть энергии сигналов высокой частоты. Кроме того, бывают случаи отключения ВЛ с обеих сторон от шин подстанции и заземления на подстанции её проводов. Работа каналов ВЧ связи в этих случаях также не должна нарушаться. По этим причинам в провода ВЛ у подходов к шинам включается последовательно аппаратура обработки (высокочастотные заградители), имеющая низкое сопротивление для токов промышленной частоты и высокое сопротивление для токов высокой частоты.

Конфигурация сети высокого напряжения не остаётся неизменной. С появлением новых потребителей энергии в линии врезаются новые подстанции, что часто приводит к необходимости реконструировать каналы связи, идущие по этим линиям. Эта реконструкция бывает связана со сложной перестройкой или даже заменой аппаратуры связи, установкой дополнительных устройств обработки и присоединения.

Некоторые трудности в создании и проектировании каналов ВЧ связи по ВЛ обусловлены конструктивными особенностями ВЛ. Линии электропередачи являются многопроводными системами с числом проводов от трех до нескольких десятков (двухцепне линии с тросами и расщеплёнными фазами). При присоединении к одному или двум проводам остальные провода и нагрузочные сопротивления этих проводов по отношению к земле оказывают существенное влияние на параметры каналов связи.

Расстояния между проводами соизмеримо с высотой подвеса проводов над землей, а в некоторых случаях (для ЛЭП свыше 500 кВ ) даже больше средней высоты подвеса проводов. При этом земля оказывает большое влияние на ВЧ параметры линии. Влияние земли сказывается главным образом на увеличении затухания линейных трактов каналов ВЧ связи по ВЛ.

Транспозиция линейных проводов симметрирует линию только на низкой частоте, когда расстояние между пунктами транспозиции намного меньше длины волны. На высокой частоте между соседними пунктами транспозиции укладывается несколько десятков длин волн, поэтому пункты транспозиции не симметрируют линию, а являются, местами нарушения её однородности, вызывающими увеличение потерь энергии высокочастотных сигналов.[1]

Наличие на проводах линии высокого напряжения промышленной частоты вызывает электрические разряды в воздухе вблизи поверхности проводов ( коронирование ) и разряды по поверхности изоляторов. Эти разряды создают электрические помехи во всем спектре высоких частот, который может быть использован для ВЧ связи по ВЛ. Поэтому каналы связи по этим линиям характеризуются высоким уровнем электрических помех. К помехам от коронирования проводов и разрядов по поверхности изоляторов добавляются ещё помехи, возникающие при оперативных переключениях (коммутациях) силового оборудования, а также помехи при аварийных режимах линии, например при КЗ.

Наличие на лини высокого напряжения осложняет эксплуатацию аппаратуры каналов ВЧ связи. Плановая или послеаварийная ревизия аппаратуры обработки связана с необходимостью отключения ВЛ, а это в свою очередь связано с ослаблением надежности электроснабжения. Часто по условиям режима работы энергосистемы отключение линии не возможно осуществить в течении длительного времени. Испытания и ревизии устройств присоединения должны производиться в непосредственой близости от проводов линии высокого напряжения. Поэтому работа эта регламентирована жёсткими правилами техники безопасности. Волны перенапряжений, которые возникают на ВЛ при грозовых перекрытиях и коммутационных операциях, через устройства присоединения частично попадают на вход ВЧ аппаратуры и могут вызвать её повреждение. Особенно велики перенапряжения, возникающие на элементах аппаратуры обработки. Приходится применять специальные меры по защите этих элементов аппаратуры от перенапряжений.

Несмотря на отмеченные трудности ВЧ связь стала в России основным средством дальней межобъектной связи в энергетике. [1]

1.4 Характеристики каналов ВЧ связи

Возможность использования каналов ВЧ связи для передачи того или иного вида информации определяется его характеристиками. Эти характеристики можно разделить на четыре основные категории, связанные: с искажениями передаваемых сигналов, с дальностью действия канала связи, с электромагнитной совместимостью с другими системами связи и с надежностью канала связи.[1]

Характеристики, связанные с искажениями передаваемых сигналов.

Полоса эффективно передаваемых частот- ширина спектра низких частот, в пределах которого обеспечивается передача первичных сигналов.

Частотная характеристика - зависимость напряжения на выходе приемника от частоты передаваемого сигнала при неизменном напряжении этого сигнала на входе аппаратуры уплотнения. Частотная характеристика главным образом определяется характеристиками фильтров аппаратуры уплотнения и частично – характеристиками аппаратуры обработки и присоединения, а также линейного тракта.

Расхождение частот в канале – разность частот сигналов на входе и выходе канала связи. Этот вид искажений характерен для систем ОБП.

Амплитудная характеристика – зависимость напряжения на выходе канала от напряжения на его входе. От линейности амплитудной характеристики зависит степень нелинейных искажений.

Коэффициент нелинейных искажений– это отношение действующего напряжения всех гармоник сигнала на выходе канала связи к действующему значению суммарного сигналав тех же точках при подаче на вход канала напряжения первичного сигнала синусоидальной формы.

Уровень собственных шумов аппаратуры – уровень помех на выходе приемника, когда на вход передатчика канала не подается напряжение первичного сигнала и нет помех, обусловленных линейным трактом. [1]

Характеоистики, связанные с дальностью действия канала связи. Минимально допустимое отношение сигнал / помеха на входе ВЧ приемника - в полосе частот, занимаемой данным каналом в линейном тракте. Перекрываемое затуханиемаксимально допустимое затухание линейного тракта, при котором на выходе канала связи ( на выходе приемника ) обеспечивается необходимое для данного назначения канала связи отношение сигнал/помеха. Определяется как:

Аперекр = Рпер – Рпр,min (1.1)

где Рпер – уровень передачи ВЧ сигнала данного канала ;

Рпр,min – минимально допустимый уровень приема, определяемый уровнем линейных помех, помехоустойчивостью приемника и отношением с/п на входе приемника, необходимым для передачи данного вида информации с требуемым качеством.

Чувствительность приемникаминимальное значение уровняпринимаемого сигнала, при котором на выходе приемника обеспечивается нормальная мощность низкочастотного сигнала.

Электромагнитная совместимость с другими каналами ВЧ связи по ВЛ определяется защищенностью от влияния со стороны других каналов связи и уровень влияния данного канала на другие каналы связи. [1]

1.4.1 Технические характеристики каналов аппаратуры команд автоматики АКА-16 ПРМ

АКА-16 ПРМ, в зависимости от исполнения, предназначен для приема сигналов автоматики, переданных:

-  по ВЧ-каналу высоковольтных линий (ВЛ) электропередач;

-  по опто-волоконной линии;

-  по телефонному каналу;

-  по каналу расширения (с другого АКА-16 ПРМ).

Первые три канала являются магистральными. АКА-16 ПРМ, работающие по каналу расширения не имеют в своем составе блоков, обеспечивающих работу по магистральным каналам.

Кроме того АКА-16 ПРМ имеет 6 модификаций по диапазонам рабочих частот. Нижнее значение базовой (начальной) частоты диапазона определяется потребителем.

В зависимости от диапазона, АКА-16 ПРМ различаются между собой только исполнением блока ЛФ и значением частоты первого гетеродина блока ГЕН, которая устанавливается программно.[3]

Характеристики ВЧ – канала [3] :

1) АКА-16 ПРМ работает в диапазоне частот (24-1000) кГц.

2) Шаг изменения базовой (начальной) частоты диапазона АКА-16 ПРМ составляет 1 кГц.

3) Чувствительность АКА-16 ПРМ (номинальный уровень входного сигнала, при котором гарантируется надежный прием команд) равна (22±1) дБ. Обеспечиваться возможность дополнительного снижения чувствительности на (15±2) дБ и (30±2) дБ и плавная регулировка в диапазоне 15 дБ.

4) Номинальное значение входного сопротивления АКА-16 ПРМ (75±15) Ом.

5) Затухание несогласованности в номинальной полосе канала не менее 10 дБ.

6) Затухание, вносимое АКА-16 ПРМ в 75-омный ВЧ тракт при параллельном соединении на частотах, отстоящих от краев номинальной полосы частот приема более чем на 10%, но не менее 12 кГц, не более 1 дБ.

7) Избирательность АКА-16 ПРМ не менее 80 дБ при отстройке от ближнего края номинальной полосы частот на 1.5 кГц и более.

8) Избирательность по зеркальному каналу не менее 80 дБ.

9) Время задержки на передачу команды с момента поступления сигнала на ВЧ-вход АКА-16 ПРМ до момента замыкания соответствующего выходного контакта, при отключенном устройстве задержки на срабатывание, не более 16 мс. [3] Характеристики телефонного – канала:

1) Чувствительность АКА-16 ПРМ (номинальный уровень входного сигнала, при котором гарантируется надежный прием команд) равна (26±1) дБ. Обеспечиваться возможность дополнительного снижения чувствительности на 20 дБ ступенями по 5 дБ.

2) Номинальное значение входного сопротивления АКА-16 ПРМ (600±30) Ом.

3) Затухание несогласованности в номинальной полосе канала не менее 14 дБ.

4) Цепи входа уравновешены относительно земли.

5) Время задержки на передачу команды с момента поступления сигнала на НЧ-вход АКА-16 ПРМ до момента замыкания соответствующего выходного контакта, при отключенном устройстве задержки на срабатывание, не более 15 мс.[3]

Характеристики оптоволоконной линии:

1) АКА-16 ПРМ предназначен для работы в канале связи «точка-точка» по выделенной волоконно - оптической линии связи (ВОЛС). Тип оптического волокна – одномодовое 9/125 мкм., с окном прозрачности, включающим длину волны 1310 нм.

2) Приемный оптический модуль АКА-16 ПРМ, построенный на основе PIN фотодиода, имеет следующие параметры:

-  максимальная детектируемая мощность (при l = 1310 нм) + 3 дБм;

-  чувствительность при вероятности ошибки 10-9 (в условиях 2 Мбод, 1310 нм) –41 дБм; тип оптического разъема FC.

3) Время задержки на передачу команды с момента поступления сигнала на вход приемника до момента замыкания соответствующего выходного контакта, при отключенном устройстве задержки на срабатывание, не более 2 мс.[3]

Характеристики канала расширения/ретрансляции команд:

1) Скоростной канал расширения/ретрансляции предназначен для:

-  приема команд от другого АКА-16 ПРМ при работе по каналу расширения (канал расширения не является магистральным каналом);

-  ретрансляции команд на передатчик АКА-16 ПРД.

2) Физические параметры канала расширения/ретрансляции соответствуют стандарту интерфейса RS-485. Задержка передачи информации по каналу не более 1 мс. [3]

Характеристики НЧ-канала ретрансляции команд:

1) НЧ-канал ретрансляции предназначен для ретрансляции команд на передатчики аппаратуры каналов автоматики.

2) Контрольные частоты (соответствуют значениям КЧ для НЧ-канала) имеют следующие значения :

-  контрольная частота 1 (КЧ1)    3060 Гц;

-  контрольная частота 2 (КЧ2)    3180 Гц.

3) Уровеннь передачи НЧ-сигнала составляет:

- (0 +- 1.0) дБ во всём диапазоне частот и при нормальных климатических условиях,

- ( 0 +- 2.0) дБ при воздействии предельных температур окружающей среды ( от 1 до 45° С) и изменении напряжения электропитания от +10% до -20% номинального значения.

4) Предусмотрена возможность снижения уровня передачи на 15 дБ ступенями по 3 дБ.

5) Номинальное значение выходного сопротивления приёмника 600 Ом.

6) Затухание несогласованности в номинальной полосе частот канала должно быть не менее 14 дБ.

7) Цепи выхода уравновешены относительно земли.

8) Задержка установления частоты в канале не более 0,3 мс.

1.5 Уровни помех и линейных затуханий

1.5.1 Электрические помехи в каналах ВЧ связи по ВЛ

Электрические помехи имеются в любом канале связи. Они являются основным фактором, ограничивающим дальность передачи информации из-за того, что сигналы, принимаемые приемником, искажаются помехами. Для того чтобы искажения не выходили за пределы, допустимые для данного вида информации, должно быть обеспечено определенное превышение напряжения принимаемого сигнала над напряжением помехи на выходе приемника.[1]

В каналах ВЧ связи по ВЛ сама линия является источником сильных помех. Поэтому уровень помех на выходе приемников этих каналов обусловлен в основном помехами, поступающими на вход приемника с линейного тракта. Эти помехи можно разделить на две основные категории – помехи нормального эксплуатационного режима и помехи, возникающие при авариях и коммутационных операциях энергетического оборудования.

При нормальном эксплуатационном режиме ВЛ помехи обусловлены в основном явлением коронирования проводов, а также распорок на расщепленных фазах и арматуры аппаратов высокого напряжения. Помехи возникают также в результате электрических разрядов в гирляндах изоляторов. На ВЛ напряжением 220 кВ и выше основным источником помех нормального режима является коронирование проводов.

При аварийных режимах и коммутационных операциях возникают следующие виды помех: от электрической дуги между ножами выключателей, от искровых разрядов при работе разъединителей и от электрической дуги в местах коротких замыканий. Эти помехи оказывают влияние на работу каналов ВЧ связи для релейной защиты и противоаварийнй автоматики. [1]

Физическая природа помех от коронирования проводов. При наличии напряжения на проводах линии в пространстве между проводами существует электрическое поле. Интенсивность его определяется напряженностью электрического поля. Напряженность поля максимальна у поверхности провода и уменьшается обратно пропорционально расстоянию до оси провода для одиночных проводов и по несколько более сложному закону для расщепленных проводов. На линиях напряжением 220 – 750 кВ и выше напряженность поля на проводах при нормальном режиме работы линии составляет 22 – 29 кВ/см.

При достаточно, большой напряженность поля у поверхности проводов происходят электрические разряды с провода в окружающее пространство. Каждый такой разряд называется коронным разрядом, а явление в целом – коронированием проводов или просто короной.

Возникновение коронного разряда объясняется тем, что при большой напряженности поля, имеющиеся в воздухе свободные электроны разгоняются под действием сил электрического поля до большой скорости и при столкновении с молекулами воздуха ионизируют их. При ионизации высвобождаются новые электроны, которые тоже разгоняются полем и ионизируют другие молекулы, и т.д. Этот процесс приводит к образованию электронной лавины. С удалением от провода напряженность поля уменьшается и лавина затухает. Видимая корона связана с большим количеством таких лавин. Ионизация воздуха вызывает свечение и треск, а движение заряда в поле - электрический ток.

По мере увеличения напряженности поля число точек коронирования возрастает. Когда напряженность поля достигает определенного для линии данной конструкции значения, отдельные импульсы сливаются в общий разряд, называемый общей короной. Общая корона на линии вызывает очень большие потери электроэнергии. Поэтому при проектировании ВЛ расстояния между проводами и тип проводов выбирают так, чтобы максимальная напряженность поля на проводах Еmax была меньше напряженности поля Ео , при которой возникает общая корона.

Отдельные импульсы местной короны называются стримерами, и потому такая корона часто называется стримерной. Стримерные импульсы являются генераторами ВЧ и радиопомех, создаваемых линией электропередачи. Источники стримерных разрядов обычно находятся на расстоянии нескольких метров один от другого ( до десяти ). Каждый источник создает один – три стримерных импульса за период промышленной частоты, т.е. 50 – 150 импульсов в секунду. Каждый стримерный разряд наводит в проводах импульсы тока, распространяющиеся в обе стороны от точки коронирования. Попадая на вход на вход приеиника ВЧ канала, они создают высокочастотные помехи. На вход приемника поступают импульсы помех от всех источников короны вдоль линии. По мере распространения импульсы претерпевают затухание, которое для высокочастотных составляющих тока больше, чем для низкочастотных. Поэтому в области низких частот помехи на входе приемника собираются с большей длины, чем в области высоких частот. Вследствие этого уровень помех несколько уменьшается с увеличением рабочей частоты.

Общее количество импульсов короны, поступающих на вход приемника канала связи, весьма велико. Для линии длиной 10 км оно превышает 3*10^5 импульсов в секунду. При такой частоте импульсов на выходе приемного фильтра помехи от короны являются флуктуационными практически в любой полосе частот, используемой отдельными каналами в системах ВЧ связи по ВЛ.[1]

Влияние атмосферных условий. Уровень помех в силиной мере зависит от атмосфеоного давления, влажности воздуха и его загрязнённости, наличия осадков, температуры и других факторов. Наиболее сильно уровень помех увеличивается при интенсивности дождя до 1 – 2 мм/ч. Дальнейший рост интенсивности дождя не приводит к увеличению уровня помех. При гололёде и изморози увеличивается генерация помех, но их уровень на входе ВЧ приёмника растет незначительно, а для трактов по тросам может даже уменьшиться из-за увеличения затухания модальных каналов. Поэтому при проектировании каналов ВЧ связи по ВЛ возможность увеличения уровня помех при гололёде или изморози не учитывается.

Помехи при коротких замыканиях на ВЛ. Большинство коротких замыканий на ВЛ сопровождается горением дуги в месте КЗ. Эта дуга горит до тех пор, пока поврежденная линия не будет отключена с обеих сторон устройствами релейной защиты. Процесс КЗ можно разбить на три периода, каждый из которых характеризуется своим видом генерируемых помех : период установления КЗ , стационарная фаза КЗ, когда горит устойчивая электрическая дуга, и период отключения линии.

В период установления дуги в месте КЗ возникают импульсы тока, вызывающие импульсы напряжения во всех проводах линии. Амплитуда этих импульсов ограничивается разрядником в фильтре присоединения. На выходе фильтра присоединения помехи имеют вид коротких импульсов с интервалами 0,05 – 0,1 мс с амплитудой более 100 В. На выходе приёмного фильтра с шириной полосы до 3,4 кГц эти помехи имеют характер гауссовых с уровнем действующего значения в полосе 1 кГц в пределах 0 – 15 дБ.

В стационарной фазе КЗ помехи резко уменьшаются. Они представляют собой последовательность отдельных импульсов, повторяющихся 1 – 2 раза в период промышленной частоты. Характер помех в установившейся фазе КЗ практически не зависит от длины дуги и значения тока КЗ.

В период отключения линии помехи обусловлены разрывом дуги в выключателе.Помехи на линии в этом случае представляют собой последовательность коротких импульсовсо средней частотой более 20 импульсов в 1 мс. На выходе фильтра с полосой до 4 кГц помехи по характеру близки к гауссовым и имеют в среднем уровень действующего значения около 12 дБ в полосе 1 кГц. Длительность одного КЗ равна длительности разрыва дуги в выключателях [1].

Помехи при коммутационных операциях. При работе выключателей с разрывом дуги рабочего тока линии помехи имеют такой же характер, как и при отключении тока КЗ.

Уровень этих помех при работе выключателей на данной подстанции на 3 – 4 дБ больше, чем при его работе на дальнем конце линии. В начале операции отключения или в конце операции включения, когда расстояние между ножами разъединителя мало, возникают частые импульсы помех со сравнительно небольшой амплитудой – несколько десятков вольт на входе ВЧ приемника.

В конце операции отключения или в начале операции включения, когда расстояние между ножами разъединителя велико, помехи имеют вид больших импульсов, появляющиеся 2 раза за период промышленной частоты. Эти помехи обычно имеют характер импульсных. Амплитуда импульсных помех на выходе фильтра присоединения тем больше, чем выше пробивное напряжение разрядника в фильтре присоединения, шире его полоса пропускания и больше ёмкость конденсатора связи [1].

1.5.2 Линейные затухания в ВЧ тракте

Для ВЧ связи при длине линии более 20 км наиболеьшее практическое значение имеют волны междупроводных мод. Эти волны, распространяясь вдоль ВЛ, налагаются одна на другую с соответствующими изменениями амплитуды и смещениями по фазе, преломляются и отражаются ( в том числе и переходят одна в другую ) в местах нарушения однородности линии и определяют значение затухания линейного тракта и неравномерность его изменения при изменении частоты [2].

Так, если длина нетранспонированной линии с горизонтальным расположением проводов L и рабочая частота f таковы, что сдвиг фаз между напряжениями модальных составляющих 1 и 2 в конце линии, обусловленный разницей в их скоростях распространения V1 и V2, равен π, т.е. если

, (1.2)

то при присоединении к ВЛ по схеме крайняя фаза-земля наблюдается резкое увеличение затухания линейного тракта ( полюс затухания ) и неравномерности затухания, обусловленного многократными отражениями волн. При переходе на присоединение по схеме средняя фаза-земля мода 2 в передаче сигнала не участвует и затухание линейного тракта и неравномерность этого затухания существенно уменьшается.[2] Аналогичные явления в той или иной степени наблюдается и для ВЛ с другим расположением проводов и для транспонированных ВЛ.

Запас по перекрываемому затуханию зависит от назначения канала и гололёдности района, в которомпроходит ВЛ. Для кааналов релейной защиты и противоаварийной автоматики значение этого запаса определяется как:


Азап = Азапо + ∆άгол, (1.3)

Где Азапо – запас на случай увеличения затухания линейного тракта, кроме тех случаев, которые обусловлены гололёдом и изморозью, а также на случай уменьшения мощности передатчика; Δάгол – увеличение запаса, необходимое для покрытия возрастания затухания из-за гололёда и изморози. Рекомендуемые МУ 34-70-186-86 значения Азапо в децибелах для каналов различного назначения даны в Таблице 1.2

Таблица 1.2

 Назначение канала Азапо, дБ
Релейная защита с передачей блокирующих сигналов ( в том числе ДФЗ ) 13*
Релейная защита с передачей отключающих сигналов 22
Противоаварийная автоматика 22

*В тех случаях, когда выполнение этого требования затруднительно, допускается принимать Азапо = 10 дБ.

Максимально допустимое затухание ВЧ тракта Атр,доп определяется как :

Атр,доп = Рпер – Рпр,min – Азап (1.4)

где Рпер – уровень передачи ВЧ сигнала данного канала ;

Рпр,min – минимально допустимый уровень приема, определяемый уровнем линейных помех, помехоустойчивостью приемника и отношением с/п на входе приемника, необходимым для передачи данного вида информации с требуемым качеством.

Для выбора числа усилительных участков выполняются расчеты затухания всех ВЧ трактов, входящих в трассу канала связи. Если трасса проходит транзитно через промежуточную подстанцию, то проверяется возможность выполнения ВЧ обхода этой подстанции. Выполнение возможно, если затухание цепочки линий вместе с обходами меньше Атр,доп. В противном случае на промежуточных подстанциях вместо обходов нужно устанавливать промежуточные усилители.

Уровни передачи и приёма. В технике связи принято выражать мощности передаваемых и принимаемых сигналов в относительных мерах – уровнях. При этом различают относительный и абсолютный уровни сигналов.

Относительным уровнем сигнала называется величина, равная десяти логарифмам отношения мощности Р данного сигнала к мощности Ро, уровень которой принимается за нулевой:

. (1.5)

Единицей измерения уровней является децибел (дБ). Один децибел соответствует отношению мощностей Р/Ро = 1,26.

В технике связи мощность, соответствующая нулевому уровню, принята равной 1 мВт. Уровень сигнала определенный по отношению к мощности в 1 мВт, называется абсолютным.

Уровни передачи и приема могут также определяться по напряжениям или токам соответствующих сигналов. При этом необходимо оговаривать не только мощность, соответствующую нулевому уровню, но и сопротивление цепи, на которой измеряется напряжение. Абсолютный уровень по напряжению определяется по формуле:

, (1,6)

где Uo – напряжение нулевого уровня, т.е. напряжение при котором в данном сопротивлении выделяется мощность 1 мВт.

В технике дальней связи за номинальные значения сопротивлений обычно принимают 600 и 75 Ом. Напряжения нулевого уровня соответственно составляют 0.775 и 0.274 В.

Минимально допустимый уровень принимаемого сигнала определяется уровнем помех в линйном тракте ,числом усилительных участков и пунктов переприёма и требуемым превышением уровня сигнала над уровнем помех на выходе приемника.

Для аппаратуры ОБП можно записать:

Рпр,min = Рс/п + РпомΔf + ΔРпром, (1.7)

Где Рс/п – минимально допустимое превышение уровня сигнала на выходе приемника над уровнем помех; РпомΔf - уроверь помех в рабочей полосе канала; ΔРпром – поправка, учитывающая наличие в канале промежуточных усилителей и пунктов переприема.

Минимально допустимыое превышение уровня сигнала над уровнем помехи т.е. Рс/п для каналов различного назначения даны в Таблице1.3.

Таблица 1.3

 Назначение канала  Рс/п, дБ
Дифференциально-фазная защита 31
Дистанционная и направленная защита с ВЧ блокировкой 17
Защита с передачей отключающих сигналов – команд 4
Телефонная связь 26
Телемеханика ЧМ 18/22*
Контрольная частота для управления АРУ 22

2. Разработка и обоснование функциональной схемы блока приёмника

2.1 Общие сведения

Т.к. прием сигнала аппаратурой команд автоматики осуществляется по высоковольтной линии электропередачи, то желательно чтобы цифровой части приемника предшествовал аналоговый тракт, который защитит остальную часть от помех высокого уровня. Общая структурная схема цифрового приемника бес привязки к конкретной аппаратуре приведена на рис.2.1 [6]

Рис. 2.1 Структурная схема цифрового приемника

АТП – аналоговый тракт приемника

БДК – блок дискретизации и квантования

ЦТП – цифровой тракт приемника

БОЧ - блок опорных частот

БР - блок регулировок

ЦАП – цифроаналоговый преобразователь

Аналоговый тракт приемника выполняет предварительную селекцию и усиление принимаемых сигналов. Его структура и характеристики определяются видом сигнала, уровнем и характеристиками помех, требованиями к качеству приема.

Наиболее полно используются преимущества цифровой обработки, если дискретизация и квантование сигнала осуществляются на радиочастоте. В этом случае АТП представляет перестраиваемый преселектор. Но более высокие требования предъявляются при этом к частоте дискретизации и разрядности АЦП, а также к блоку ЦТП.

Усиление АТП выбирается таким образом, чтобы собственные шумы приемника на входе БДК превышали шумы квантования. Следует обратить внимание на то, что при достаточно высокой частоте дискретизации уровень сигнала на входе БДК может быть меньше шага квантования. Необходимо лишь, чтобы эффективное значение напряжения смеси сигнала и помех на входе АЦП превышало шаг квантования.

Блок дискретизации и квантования представляет собой сложное устройство. Входное аналоговое колебание подвергается в нем двум операциям: дискретизации по времени и квантованию по уровню.

Дискретизатор реализуется в виде устройства выборки и хранения (УВХ), состоящего из аналогового ключа (АК) и накопительного элемента (НЭ). Для представления отсчетов сигнала в цифровой форме применяют АЦП. Общий вид БДК представлен на рис.2.2

 

Рис.2.2 Общая схема БДК

Импульсы U1 – стробирующие, U2 – стирающие.

Задачей УВХ является определение мгновенного значения напряжения в момент взятия отсчета и его фиксация на время, необходимое для преобразования аналогового значения в цифровую форму. После УВХ сохраняется счетное множество отсчетов колебания. Квантование в АЦП позволяет каждый непрерывный отсчет заменить цифровым значением, представляемым в унитарном или двоичном коде.

Цифровой тракт приемника осуществляет основную селекцию сигналов и их демодуляцию. Кроме цифровых фильтров и демодуляторов ЦТП может содержать устройства подавления или компенсации помех, трансмультиплексоры для обработки многоканальных сигналов, цифровые обнаружители и измерители параметров сигналов, цифровые спектроанализаторы и другие устройства выделения информации из принятого сигнала. К ЦТП можно также отнести цифровые системы синхронизации, фазовой и частотной автоподстройки, регулировки усиления, системы обеспечения отказоустойчивости и т.д.

Блок опорных частот вырабатывает колебания, необходимые для преобразования частот в приемнике и синхронизации его схем.

Блок регулировок БР содержит все необходимые для управления приемником устройсва: блок управления частотой настройки, блок регулировки усиления и чувсвительности, блок управления видами работ ( при смене вида сигнала ) и т.д.

Цифровой приемник часто имеет как цифровой выход, так и аналоговый. Для получения аналогового выхода сигнала используется цифроаналоговый преобразователь ЦАП. На рис.2.1 не показаны цепи контроля, индикации и питания приемника.[6]

2.2 Структурная схема цифрового приемника аппаратуры АКА - 16 ПРМ

 В структурную схему, изображенную на рис. 2.3 цифрового приемника (ЦПР) входят следующие блоки:

Входная цепь – предназначена для согласования блока ЦРП с линейным фильтром и его защиты от импульсной помехи в случае её прохождения через ЛФ. Содержит согласующее устройство и аттенюатор.

АЦП - предназначен для представления аналогового сигнала в цифровую форму для последующей его обработки в DSP.

Программная логика – обеспечивает алгоритм взаимодействия DSP процессора с портами обмена данными и аппаратной частью АКА-16 ПРМ.

RAM - обеспечивает хранение программ, задающих режим работы и алгоритмы обработки сигналов.

Селектор выбора частоты выполнен так, чтобы обеспечить ручной вариант задания рабочей частоты приема в зависимости от участка на котором установлена аппаратура АКА-16 ПРМ.

Блок индикации на плате ЦПР выполнен в виде светодиодной матрицы, а на панели АКА-16 ПРМ в виде ЖКИ на блоке ПРЦ.

DSP процессор выполняет основную селекцию и обработку цифрового сигнала,

 

 Рис. 2.3 Структурная схема цифрового приемника.

2.3 Линейный тракт приемника

Приемник работает следующим образом.

Сигнал, с линейного ВЧ-входа поступает в блок ЛФ, имеющий полосу пропускания 7% от частоты настройки, но не менее 5,5 кГц, где происходит:

-  подавление зеркального канала до уровня минус 36 дБ;

-  подавление канала прямого прохождения до уровня минус 35 дБ;

-  отстройка от параллельно работающего устройства.

С выхода блока ЛФ сигнал поступает на блок БОВЧ, где дополнительно фильтруется ФНЧ с частотой среза 1,1 МГц, что позволяет дополнительно снизить уровень частот зеркального канала и канала прямого прохождения на 50 дБ.

Ограничение сигнала в БОВЧ происходит на уровне около 7В амплитудного значения, что определяет верхний предел прошедшего без искажений входные цепи сигнала с линии. Для контроля уровня приходящего сигнала служит детектор ВЧ.

Для установки необходимого запаса по уровню входного сигнала служит аттенюатор. Аттенюатор имеет 3 ступенчатые регулировки (10, 20 и 30 дБ), и одну плавную (15 дБ).

Сигнал проходит через фильтр с полосой пропускания 3,2 кГц. Затухание фильтра при расстройке от края полосы на 6 кГц составляет 85 дБ.

Далее сигнал усиливается и ограничивается по амплитуде двухкаскадным усилителем. С первого каскада усилителя сигнал, кроме того, подается на детектор, формирующий сигнал для контроля уровня НЧ-сигнала.

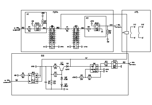
2.4 Функциональная схема аппаратуры каналов автоматики АКА-16 ПРМ

Функциональная схема АКА-16 ПРМ приведена в Приложении 2.[4]

Функционально и конструктивно АКА-16 ПРМ состоит из следующих основных блоков:

А1 - блок входного фильтра (ЛФ);

А2 - блок питания (БП);

А3 - блок обработки высокочастотный (БОВЧ);

А4 - блок синтезаторов частот (ГЕН);

А5 - блок центрального процессора (ПРЦ);

А6 - блок приемника высокочастотный (ПРВЧ);

А7 - блок управления выходными реле (ПДПА);

А8 - блок вспомогательных устройств (БВ1);

А9 - кроссплата КП5;

А10 - кроссплата КП2.

Схема индикации предназначена для отображения информации о состоянии АКА-16 ПРМ:

­  прием КЧ;

­  предупреждение;

­  неисправность.

Блок ПРВЧ предназначен для выделения сигнала передатчика из спектра сигналов и помех, принимаемых по проводам воздушных линий электропередачи и преобразования его в частоты команд противоаварийной автоматики, а также для формирования контрольных уровней принимаемых сигналов.

Блок ГЕН предназначен для программно-аппаратной реализации генераторов частот, необходимых для работы блока ПРВЧ.

Блок ГЕН состоит из следующих основных функциональных узлов:

­  устройство управления и контроля синтезаторов частот;

­  блок синтезаторов частот;

­  формирователь несущей частоты;

­  формирователь системной шины.

В состав устройства управления и контроля синтезаторов частот входят:

­  управляющий контроллер, построенный на микросхеме AT90S4433, с задающим кварцевым резонатором 8 МГц и цепью сброса ;

­  генератор стабильной частоты 32768 Гц со стабильностью ±2*10-6 в диапазоне температур от минус 40°С до +70°С;

­  триггер Шмидта ;

­  мультиплексор контроля каналов ;

­  развязывающие резисторы .

Блок ПРЦ предназначен для реализации алгоритма работы АКА-16 ПРМ.

В состав блока ПРЦ входят плата ПРЦ и Панель индикации.

Плата ПРЦ состоит из следующих основных функциональных узлов:

­  центральный процессор ;

­  формирователь системной шины ;

­  постоянное запоминающее устройство ;

­  flash – память ;

­  устройство перезапуска ;

Центральный процессор блока ПРЦ реализован на микропроцессоре N80С196KR.

Формирователь системной шины включает в себя:

­  буферные элементы ;

­  дешифратор адреса ;

­  формирователь сигналов выборки .

ПЗУ на микросхеме AT27C512 предназначено для хранения кода рабочей программы.

Flash-память предназначена для хранения текущих параметров и протокола событий. Общий объем flash-памяти 8 кБайт.

Устройство перезапуска предназначено для контроля работоспособности центрального процессора.

Приемник подключается к ВЧ-каналу с характеристическим сопротивлением 75 или 150 Ом (назначается при заказе). Фильтр входной (блок ЛФ) приёмника обеспечивает: согласование с каналом на частоте приёма, высокое входное сопротивление вне полосы приёма, защиту входных цепей приёмника от воздействия импульсов помехи высокой энергии, частичное (30 дБ) подавление помехи в полосе зеркальных частот.

Блок обработки ВЧ-сигнала – БОВЧ представляет собой цепь защиты входа от импульсной помехи и фильтр нижних частот (1,1 МГц), обеспечивающий подавление помех в полосе зеркальных частот (не менее 50 дБ). Основная фильтрация осуществляется в DSP. Тамже осуществляется преобразование в полосу частот (0 - 4) кГц. Аттенюаторы блока ПРВЧ позволяют снизить чувствительность приемника ступенями в 10,20,30 дБ и, дополнительно, плавной регулировкой на 15 дБ. На выход блока БОВЧ сигнал поступает через усилитель – ограничитель. Уровень сигнала, соответствующий началу работы ограничителя, считается уровнем чувствительности приёмника.

Для контроля наличия запаса по перекрываемому затуханию служит детектор. Детектор уровня сигнала на входе блока позволяет устройству контроля точнее определить неисправный узел или блок.

Дальнейшая обработка сигнала осуществляется в цифровом виде в блоке ПРВЧ, где аналоговый сигнал преобразуется с помощью АЦП в цифровой и обрабатывается DSP по программе, реализующей восемнадцать узкополосных фильтров с пороговыми устройствами на выходе. Уровень компарации для каждого порогового устройства определяется индивидуально для каждого фильтра (что позволяет выровнять АЧХ тракта в полосе приёма) и устанавливается на 3 дБ ниже уровня чувствительности. Результаты анализа сигнала (номер принимаемой команды или контрольной частоты, сообщение о низком уровне сигнала на входе), а так же сообщения о текущем состоянии функциональных узлов блока (например, о срабатывании сторожевого таймера) загружаются в регистр системной шины, который является выходом блока ПРВЧ и средством контроля его исправности центральным процессором (блок ПРЦ).

Генераторная система приёмника (блок ГЕН) формирует сигналы гетеродинов с помощью синтезаторов частоты, тактируемых генератором 48 МГц. Загрузка кодов частот в синтезаторы выполняется при помощи микроконтроллера. Кроме того, блок ГЕН содержит опорный термокомпенсированный тактовый генератор. Реализованный программно компаратор частот сигнала опорного генератора и сигнала синтезатора (гетеродина) позволяет определить величину отклонения частоты гетеродина, вычислить и загрузить в синтезатор скорректированный код частоты. Длительность рабочего цикла частотного компаратора - 1 секунда. Блок содержит регистры чтения и записи системной шины, которые служат для проведения операций тестового контроля блока ГЕН под управлением центрального процессора. Для настройки приемника на любую из рабочих частот используется синтезатор частоты перестраиваемый в диапазоне частот (5024 - 6000) кГц с шагом 1 кГц. Перестройка генератора осуществляется с панели управления блока ПРЦ или ПЭВМ.

Блок управления и контроля выходных реле (ПДПА) приёмника имеет в своём составе:

- восемь ключей управления выходными реле команд;

- восемь ключей контроля исправности цепей управления и обмоток реле команд;

- регистры чтения и записи системной шины, с помощью которых, центральный процессор коммутирует ключи управления и контроля, как в процессе тестирования блока, так и при приёме команд.

Блок вспомогательных устройств (БВ1) содержит схему управления реле внешней сигнализации («НЕИСПРАВНОСТЬ», «ПРЕДУПРЕЖДЕНИЕ», «КОМАНДА»), стабилизированный источник контрольного питания (6 В) обмоток выходных реле (для непрерывного контроля целостности элементов выходных цепей приёмника) и коммутатор источников питания рабочего и контрольного режимов, управляемый центральным процессором через регистр записи системной шины. Через регистр чтения системной шины

ПРЦ получает информацию об уровне напряжения питания выходных реле приёмника от устройства контроля этого уровня, расположенного в БВ.

Блок центрального процессора (ПРЦ) имеет в своём составе следующие функциональные узлы:

-  внешний сторожевой таймер, для контроля работоспособности и инициализации сигнала перезапуска системы;

-  центральный процессор;

-  ПЗУ, для хранения кода рабочих программ;

-  энергонезависимую (flash) память, для хранения файла конфигурации системы (например: значение частоты, временные задержки на включение и выключение выходных реле), фиксации времени поступления и номера принятой команды, а так же времени и признака возникшей неисправности;

-  часы реального времени;

-  панель управления и индикации (клавиатура из шести кнопок, тумблер выбора режима и табло ЖКИ);

-  формирователь системной шины, посредством которой, блок ПРЦ имеет возможность подавать тестовые управляющие воздействия и по сигналам отклика контролировать состояние всех функциональных узлов приёмника, а так же, при появлении на выходе блока ПРТЧ сигнала-команды ПА, включать соответствующее выходное реле.

Параметры настройки приемника: частота принимаемого сигнала, количество принимаемых команд, задержка на возврат, задержка на срабатывание, номера команд без ограничения длительности замкнутого состояния контактов выходного реле - задаются с пульта управления и заносятся в энергонезависимую память в режиме настройки приёмника.

Сигналы – команды принимаются одноимпульсным частотным кодом. В режиме ожидания сигнала-команды на вход приёмника должен непрерывно воздействовать сигнал контрольной частоты, пропадание которого (без замены сигналом команды) на 0,3 секунды блокирует работу выходных реле команд.

При пропадании сигнала контрольной частоты и возникновении сигнала команды происходит:

-  включение выходного реле и замыкание двух пар контактов соответствующей команды;

-  запись в энергонезависимую память номера принятой команды, времени поступления;

-  включение реле сигнализации «КОМАНДА».

Неисправность выходных цепей приемника, пропадание любого из вторичных источников питания, отсутствие контрольного сигнала более 5 сек или уменьшение напряжения питания процессора более чем на 10 % (ниже уставки сторожевого таймера), переводит приемник в режим «НЕИСПРАВНОСТЬ». При этом:

-  блокируется срабатывание выходных реле;

-  загорается индикатор НЕИСПР. на лицевой панели ПРЦ;

-  информация о неисправности индицируется на табло ЖКИ;

-  включается реле внешней сигнализации НЕИСПРАВНОСТЬ.

При кратковременном (менее 5 с) пропадании сигнала КЧ или снижении его уровня включается реле сигнализации «ПРЕДУПРЕЖДЕНИЕ» и на табло ЖКИ выводится соответствующая информация. Работа приёмника при этом не блокируется.

Включение приемника в работу (режим приёма команд ПА) осуществляется кнопкой ПУСК. При нажатии кнопки пуск происходит сброс внешней сигнализации, тестирование всех функциональных узлов приёмника и проверка наличия сигнала КЧ. В случае полной готовности системы приёмник включается в работу (о чём появляется сообщение на табло ЖКИ), в противном случае приёмник блокируется (что сопровождается появлением сигнализации «НЕИСПРАВНОСТЬ»).

Высокая помехозащищенность приемника при действии помех в канале связи является одной из важнейших характеристик и определяется построением схемы и программными алгоритмами. Например:

-  в приемном тракте реализована система ШОУ;

-  в каждой выходной цепи, фиксирующей прием соответствующей команды, возможно введение задержки на срабатывание (до 10 мс) и это время дополнительно используется для анализа частоты команды;

-  блокировка выходных реле в случае задержки появления команды после пропадания сигнала контрольной частоты более 250 мс.

Всё это снижает вероятность приёма ложных команд при воздействии помехи высокого уровня.


3. выбор элементной базы и моделирование работы основных функциональных узлов приёмника

3.1 Оценка разрядности входного и выходного сигналов

При приоектировании систем ЦОС требуется обеспечить определенный динамический диапазон при заданной величине отношения с/ш. В этом случае по заданным величинам D и Rш требуется определить разрядность кодов, используемых для представления отсчетов обрабатываемого сигнала. Необходимо оценить требуемые разрядности входного и выходного сигналов. Т.е. определить требования к АЦП / ЦАП и разрядность элементов памяти DSP.[5]

В нашем случае за основу был взят 16-ти разрядный сигнальный процессор фирмы ANALOG DIVICES ADSP-2191M. т.е. система с заданной архитектурой и параметрами цифрового устройства. Большинство операций предполагает представление чисел в дополнительном коде, в остальных случаях предполагается работа с беззнаковыми числами или простыми последовательностями двоичных символов.[6] В этом случае необходимо определить разрядность входного mвх и выходного mвых сигналов. При этом полагают что mвх = mвых . Оценим величины mвх и mвых по алгоритму приведенному в [4]. При D = 80 дБ и Rш = 16 дБ. [5]

1) Оценим величину mD – разрядность цифрового кода входного сигнала, при которой обеспечивается заданная величина динамического диапазона (без гарантии получения требуемой величины отношения с/ш).

mD = int(D/20lg2) (3.1)

mD = 14

где int(В) – наименьшее целое число, не меньше , чем число В.

2) Оценим допустимую величину мощности выходного шума, при которой обеспечивается заданная величина отношения с/ш.


Рш,доп = σ2вых,доп = 0.5*10 (3.2)

σ2вых,доп = 1.26*10-10

 

3) Оценим величину дисперсии собственного шума системы. Поскольку система реализуется на DSP с известными параметрами,то:

σ2вых,с = 6.23*10-15

4) Оценим допустимую величину дисперсии составляющей выходного шума, обусловленую квантованием входного и выходного сигналов DSP.

σ2вых+вх ≈ 1.26*10-10

5) Оценим величину mR – разрядность цифрового кода входного и выходного сигналов DSP, при которой обеспечивается заданная величина отношения с/ш (без гарантии получения требуемой величины динамического диапазона)

Положив mвх = mвых = mR

Отсюда

mR = (3.7)

mR = 16

6) Оценим разрядность входного и выходного сигналов mвх\вых, при которой обеспечивается заданная величина динамического диапазона и отношение с/ш. Из (3.6) и (3.1) получаем

mвх\вых = max{ mD, mR } (3.8)

mвх\вых = 16


7) Оценим реальную величину отношение с/ш при определеной из (3.8) разрядности входного и выходного сигналов. Для этого оценим величину мощности полного выходного шума.

Рш = σ2вых = σ2вых+вх + σ2вых,с (3.9)

σ2вых = 8.15*10-11 ( -100.9 дБ )

8) Оценим величину динамического диапазона входного сигнала

Dвх = 20lg2mвх (3.10) Dвх = 96.3 дБ

9) Оценим величину порогового отношение с/ш

Rпш = 10lg (3.11)

Rпш = 1.6 дБ

Собственный шум данного фильтра, реализованного на DSP 2191М, практически не влияет на полный выходной шум. Величины динамического диапазона и отношение с/ш определяются только разрядность входного и выходного сигналов. При заданных требованиях динамический диапазон полностью определяется разрядностью входного сигнала. Полученная величина отношения с/ш на нижней границе динамического диапазона оказалась лучше требуемой. Фактически данная система обеспечивает динамический диапазон порядка 96.3 дБ с хорошим запасом по отношению с/ш. [5]

3.2 Выбор элементов

Согласно предьявляемым требованиям, полученным результатам и имеющейся элементной базе, было решено использовать АЦП, DSP и элементы памяти фирмы ANALOG DIVICES.

В частности был выбран сигнальный процессор ADSP- 2191M, АЦП AD9223 ARO214 и программная логика сдвумя регистрами ALTERA MAX EPM 3128 ATC.

Печатная плата двусторонняя, резистивные элементы и конденсаторы отечественного производства.

3.3 Проверка работы модели на аппаратуре

После монтажа, настройки и программирования плата ПРМ была установлена в корпус апаратуры команд автоматики приемопередатчика высокочастотных защит ПВЗУ-Е. Были проведены тестовые испытания. Порядок проведения приведен в таблице 3.1

Таблица 3.1

Наименование испытания Номер пункта методов проверки
1. Проверка чувствительности 3.3.1
2. Проверка значения входного сопротивления  3.3.2
3. Проверка ширины полос НЧ-фильтров 3.3.3
4. Проверка затухания, вносимого АКА-16 ПРМ в 75-омный ВЧ тракт при параллельном соединении 3.3.4
5. Проверка избирательности 3.3.5
6. Проверка избирательности по зеркальному каналу 3.3.6
7. Проверка срабатывания предупредительной и аварийной сигнализаций 3.3.7
8. Проверка функций меню 3.3.8

3.3.1 Проверка чувствительности

Проверка чувствительности (УСК.103.000.00ТУ п.1.3.7) проводится в следующей последовательности:

1)  подключить к линейному ВЧ-входу АКА-16 ПРМ генератор ГСВЧ и милливольтметр (для точного измерения напряжения генератора);

2)  подключить к контрольным гнездам "ВЫХ", расположенным на лицевой панели блока ПРВЧ осциллограф;

3)  установить частоту генератора равной базовой частоте + 2 кГц;

4)  включить АКА-16 ПРМ в режиме "Готов";

5)  изменяя напряжение сигнала на выходе генератора, добиться начала ограничения сигнала на выходе ПРВЧ (гнездо "ВЫХ" на лицевой панели блока ПРВЧ);

6)  измеренное милливольтметром напряжение соответствует чувствительности АКА-16 ПРМ. Чувствительность должна быть минус (22±1) дБ.

3.3.2 Проверка входного сопротивления

Проверка входного сопротивления (УСК.103.000.00ТУ п.1.3.8) проводится в следующей последовательности:

1)  подключить к линейному ВЧ-входу АКА-16 ПРМ через резистор сопротивлением 75 Ом генератор ГСВЧ;

2)  подключить к линейному ВЧ-входу АКА-16 ПРМ милливольтметр;

3)  установить на выходе генератора сигнал частотой равной базовой частоте + 2 кГц и напряжением 100 мВ;

4)  включить АКА-16 ПРМ в режиме "Готов";

5)  измерить милливольтметром напряжение на ВЧ-входе АКА-16 ПРМ;

6)  Вычислить входное сопротивление по формуле 3.1:

Rвх =U вх *75/(Uген - Uвх.)(3.1)

где:

Uвх - напряжение на ВЧ-входе АКА-16 ПРМ (В);

Uген - напряжение на выходе генератора (0,1 В).

Значение входного сопротивления должно составлять (75±15) Ом.

3.3.3 Проверка затухания, вносимого при параллельном соединении

Проверка затухания вносимого АКА-16 ПРМ в 75-омный ВЧ тракт при параллельном соединении проводится в следующей последовательности:

1)  определить исходные данные для измерений:

­  Fв - верхняя граница полосы пропускания блока ЛФ;

­  Fн - нижняя граница полосы пропускания блока ЛФ;

­  десятипроцентная расстройка Fвр = Fв + 0,1хFв, Fнр = Fн - 0,1хFн;

2)  подключить к линейному ВЧ-входу АКА-16 ПРМ через резистор сопротивлением 75 Ом генератор ГСВЧ;

3)  подключить к линейному ВЧ-входу АКА-16 ПРМ милливольтметр;

4)  по методике, описанной в п.3.3.2 определить входное сопротивление для частот Fвр (Rвх.вр) и Fнр (Rвх.нр);

5)  определить затухание, вносимое АКА-16 в параллельно работающий канал по формулам (3.2-3.5):

aн = 10 log (2 х Rп.н / (Rп.н + 75)

aв = 10 log (2 х Rп.в / (Rп.в + 75)

где:

Rп.н = (75 х Rвх.нр)/(75 + Rвх.нр)

Rп.в = (75 х Rвх.вр)/(75 + Rвх.вр)

3.3.4 Проверка избирательности

Проверка избирательности проводится в следующей последовательности:

1)  подключить к контрольным гнездам "ВЫХ", расположенным на лицевой панели блока ПРВЧ милливольтметр;

2)  включить АКА-16 ПРМ в режиме "Готов";

3)  измерить собственные шумы приемного тракта;

4)  подключить к линейному ВЧ-входу АКА-16 ПРМ генератор ГСВЧ;

5)  установить напряжение сигнала на выходе генератора равным (4±1) В;

6)  постепенно приближать частоту генератора к частоте канала до появления сигнала на выходе ПРВЧ с уровнем, превышающим шумы на (4±1) дБ;

7)  снять характеристику канала приема, поддерживая постоянным напряжение на выходе ПРВЧ с помощью аттенюатора генератора;

8)  по снятой характеристике определить ослабление сигнала при отстройке от ближнего края номинальной полосы частот на 6 кГц. Избирательность АКА-16 ПРМ должна быть не менее 80 дБ при отстройке от ближнего края номинальной полосы частот на 6 кГц и более.

3.3.5 Проверка избирательности по зеркальному каналу

Проверка избирательности по зеркальному каналу проводится в следующей последовательности:

1)  подключить к контрольным гнездам "ВЫХ", расположенным на лицевой панели блока ПРВЧ милливольтметр;

2)  включить АКА-16 ПРМ в режиме "Готов";

3)  измерить собственные шумы приемного тракта;

4)  подключить к линейному ВЧ-входу АКА-16 ПРМ генератор ГСВЧ;

5)  вычислить полосу зеркального канала

6)  установить частоту генератора в пределах полосы зеркального канала (от Fз.н до Fз.в);

7) увеличивать напряжение не выходе генератора до появления на выходе ПРВЧ сигнала с уровнем превышающим шумы на (4±1) дБ;

8)перестроить частоту генератора в полосу основного канала и аттенюатором генератора установить напряжение на выходе ПРВЧ такое же, как на частоте зеркального канала;

9) по разности показаний аттенюатора определить уровень ослабления зеркального канала.

Избирательность по зеркальному каналу должна быть не менее 80 дБ.


4. Листинг программного обеспечения блока приёмника

Программа, задающая алгоритм работы процессора приведена в приложении 4

 

4.1 Возможные неисправности и действия при их возникновении

Перечень возможных неисправностей блоков БП и ПРЦ и способы их устранения приведены в табл. 4.1.

Таблица 4.1

Внешнее проявление и дополнительные признаки Вероятная причина Метод устранения
1. Не светится индикатор "Вкл" блока БП

1. Перепутана полярность питающего напряжения

2. Неисправен блок БП

1. Проверить полярность напряжения питания

2. Проверить блок БП

2. Не светится индикатор "Контроль" блока БП. При контроле напряжений вторичных источников питания отсутствуют одно или несколько выходных напряжений

1. Возможная перегрузка по току у измеряемого источника

2. Неисправен блок БП

1. Проверить соответствующую цепь на отсутствие замыканий

2. Проверить блок БП

3. Светится индикатор "Авария" на блоке БВ1, на табло индикатора не отображается информация 1. Неисправен блок ПРЦ 1. Проверить блок ПРЦ
4. На табло индикатора блока ПРЦ информация не отображается или представляет собой беспорядочный набор символов

1. Обрыв связей к индикатору блока ПРЦ

2. Неисправен индикатор блока ПРЦ

1. Проверить целостность проводов между платами блока ПРЦ

2. Проверить блок ПРЦ


5. Безопасность и экологичность

5.1 Краткая характеристика проекта

В дипломной работе выполнено проектирование на ЭВМ цифрового приёмника ВЧ- канала связи по ВЛ, для аппаратуры релейной защиты и противоаварийной автоматики ПВЗУ-Е. Диапазон рабочих частот 24 – 1000 кГц.

Производится предварительный расчет функциональных узлов ПРМ согласно имеющегося динамического диапазона уровня сигнала в зависимости от применения разрядности АЦП и процессора.

Основой автоматизированного рабочего места проектировщика является ПЭВМ, имеющая видеотерминал (дисплей), клавиатуру, манипулятор «мышь», принтер. Компьютер питается от сети переменного тока с частотой 50 Гц. Рабочее напряжение 220 В, потребляемая мощность не более 250 Вт, рабочий ток 1 А.

5.2 Безопасность проекта

Основные опасные факторы рабочего места при работе с ЭВМ [1] связаны с эксплуатацией оргтехники: компьютеров, принтеров и т.п. Труд оператора ЭВМ характеризуется отсутствием воздействия высоких уровней распространённых на производстве вредных факторов (пыль, вибрация,...), но на них влияет излучение, исходящее от мониторов, органы зрения находятся в постоянном напряжении.

При длительной работе за видеотерминалом у человека могут возникать: напряжение зрительного аппарата, общая усталость, раздражительность, нарушение сна, болезненные ощущения в глазах, головные боли, а также боли в пояснице, в области шеи и кистей рук. Отсюда возникают требования к безопасности рабочего места оператора, т.е. к микроклимату помещения, освещенности, техническим характеристикам используемой ЭВМ (в основном – дисплея), а также электро- и пожаробезопасности.

5.2.1 Электробезопасность

В соответствии с [2] электробезопасность – это система организационных и технических мероприятий и средств, обеспечивающих защиту людей от вредного и опасного воздействия электрического тока, электрической дуги и статического электричества.

Электрические установки, к которым относится практически все оборудование ЭВМ, представляют для человека большую потенциальную опасность, так как в процессе эксплуатации или проведения профилактических работ человек может коснуться частей, находящихся под напряжением. К числу опасных и вредных производственных факторов относятся повышенное значение напряжения в электрической цепи, замыкание которой может произойти через тело человека, повышенный уровень статического электричества, электромагнитных излучений, повышенную напряженность электрического и магнитного полей.

В отличие от других источников опасности электрический ток нельзя обнаружить без специального оборудования и приборов, поэтому воздействие его на человека чаще всего неожиданно.

При прохождении через тело человека ток оказывает термическое, биологическое и электролитическое действия. Следствия воздействия электрического тока на тело человека приведены в таблице 1.1.

Таблица 5.1 Воздействие электрического тока на тело человека

Вид воздействия Следствие Виды электротравм
Термическое Ожоги отдельных участков тела, нагрев внутренних органов Электрический ожог, электрический знак, металлизация кожи.
Биологическое Разложение и возбуждение живых тканей, судорожное сокращение мышц Механические повреждения
Электролитическое Разложение крови и других жидкостей, нарушение их физико-химического состава Электрический удар

Основные причины поражения электрическим током:

·  Случайное прикосновение или приближение на опасное расстояние к токоведущим частям, находящимся под напряжением;

·  Появление напряжения на металлических конструктивных частях электрооборудования;

·  Появление напряжения на отключенных токоведущих частях, на которых работают люди, вследствие ошибочного включения;

·  Возникновение шагового напряжения на поверхности земли в результате замыкания провода на землю.

·  Выполнение работы осуществлялось на ПЭВМ подключенной к сети переменного тока с напряжением 220 В.

Для защиты от поражения электрическим током при повреждении изоляции должны выполнятся следующие защитные меры:

·  Заземление;

·  Зануление;

·  Защитное отключение;

·  Выравнивание потенциала;

·  Система защитных проводов;

·  Изоляция нетоковедущих частей;

·  Электрическое разделение сети;

·  Малое напряжение;

·  Контроль изоляции;

·  Компенсация токов замыкания на землю.

Согласно [3] защитное заземление или зануление должно обеспечивать защиту людей от поражения электрическим током при прикосновении к металлическим нетоковедущим частям, которые могут оказаться под напряжением в результате повреждения изоляции. Защитное заземление следует выполнять преднамеренным электрическим соединением металлических частей электроустановок с «землей» или ее эквивалентом. При проектировании производственных зданий лучше использовать контурное заземление, т.к. ток через человека, касающегося корпуса, меньше, чем при выносном, внутри контура прокладывают горизонтальные полосы, которые дополнительно выравнивают потенциалы внутри контура. В качестве искусственного заземлителя используют стальные стержни. Вертикальные заземлители соединить стальной шиной и приварить к каждому заземлителю. В здании проложить магистраль заземления, к которой присоединяются заземляющие провода. Магистраль заземления соединяется с заземлителем не менее чем в двух местах.

Расчет заземления:

Сопротивление одиночного вертикального электрода:

Rв=p1/2pl·(Ln(2l/d)+0,5((4t+l)/(4t-l))) (5.1)

где t-расстояние от середины заземлителя до поверхности грунта

l-длина стержневого заземлителя

d-диаметр стержневого заземлителя

р1=р·y

где р-удельное сопротивление грунта

y-коэффициент сезонности

Принимаем: t=2,00м; l=2,5м; d=0,06м; р=100 Ом·м – суглинок; y=1,5.

Получаем: Rв=48,1 Ом.

Сопротивление стальной полосы, соединяющей стержневые заземлители.

Rn=p1/(2pl) ·Ln(l/d·t) (5.2)

l=164м

Получаем: Rn=1,8 Ом.

Ориентировочное число одиночных стержневых заземлителей.


n=Rв/([r3] ·hв) (5.3)

где [r3]-допустимое по нормам сопротивление заземляющего устройства

hв- коэффициент использования вертикальных заземлителей

Принимаем [r3]=4 Ом согласно «Правила установки электроустановок»; hв=1

Получаем n=12шт.

Принимаем расположение вертикальных заземлителей по контуру с расстоянием между смежными заземлителями 2l.

Необходимое число вертикальных заземлителей

n=Rв/([r3] ·hв)

где hв=0,66-действительное значение коэффициента использования

Получаем n=18шт.

Общее сопротивление заземляющего устройства

R=Rв·Rn/(Rв·hг+Rn·hв·n) (5.4)

hг=0,39-коэффициент использования горизонтального заземлителя

Получаем R=2,2 Ом

Расчет выполнен правильно т.к. выполняется условие R£[r3].

В «Правилах установки электроустановок» сопротивление заземления нормируется и в установках напряжением до 1000В сопротивление заземляющего устройства должно быть не выше 4 Ом. Действующее сопротивление заземляющего устройства 2 Ом.

При эксплуатации ЭВМ запрещается:

·  включать ЭВМ при неисправной защите электропитания;

·  подключать и отключать разъемы кабелей электропитания и блоков вентиляции при поданном напряжении электросети;

·  заменять съемные элементы под напряжением;

·  производить пайку аппаратуры, находящейся под напряжением;

·  снимать щиты, закрывающие доступ к токоведущим частям;

·  пользоваться электроинструментами с напряжением 36В и выше с незаземленными корпусами.

При правильной эксплуатации электроустановок и использовании соответствующих средств защиты риск поражения электрическим током сводится к минимуму.

Для предотвращения поражения электрическим током в организации согласно [4] должны проводится следующие мероприятия:

Компьютеры подключаются к сети с помощью трёхполюсных вилок, причем центральный контакт вилки надежно заземляется.

При эксплуатации электрооборудования рабочее место должно быть оборудовано так, что бы исключалась возможность прикосновения служащих к токоведущим устройствам, шинам заземления, батареям отопления, водопроводным трубам.

Обслуживающий персонал должен пройти инструктаж по технике безопасности на рабочем месте.

Осуществляется профилактическая проверка отсутствия напряжения, отключение неисправного оборудования и наложение заземления.

 

5.2.2 Пожарная безопасность

В современных офисах очень высокая плотность размещения офисной техники. В непосредственной близости друг от друга располагаются соединительные провода и коммутационные кабели. При протекании по ним электрического тока может выделяться значительное количество теплоты, что может привести к повышению температуры до 90-120 градусов Цельсия. При этом возможно оплавление изоляции соединительных проводов, их оголение и, как следствие, короткое замыкание, которое сопровождается искрением, ведет к быстрому нагреву и перегрузкам электрических сетей. Это может вызвать возгорание близлежащих легковоспламеняющихся веществ.

В соответствии с [5] пожарная безопасность объекта должна обеспечиваться системой предотвращения пожара, системой противопожарной защиты, организационно-техническими мероприятиями.

По классификации [6] рассматриваемое помещение по взрыво- и пожаробезопасности относится к самой безопасной категории Д («Помещения с негорючими веществами и материалами в холодном состоянии»).

Противопожарная защита помещения обеспечивается применением автоматической установки пожарной сигнализации, а также применением основных строительных конструкций здания с регламентированными пределами огнестойкости.

В рамках организационно-технических мероприятий выполняются следующие правила:

запрещается курение в помещении и применение открытого огня;

запрещается хранение на рабочем месте ЛВЖ в неприспособленной таре;

запрещается использование неисправного электрооборудования;

по окончании работы полностью обесточивается все имеющееся электрооборудование.

Кроме того, в соответствии с нормами первичных средств пожаротушения при площади помещения, не превышающей 100 м2, в распоряжении персонала имеется углекислотный огнетушитель ОУ-5, предназначенный для тушения загорания различных веществ и электроустановок с напряжением до 10 кВ при температуре окружающего воздуха от –40 до +50 °С.

При возникновении пожара или другой чрезвычайной ситуации персонал офиса эвакуируется из помещения по специально разработанному (в соответствии с [6]) плану эвакуации, находящемуся в помещении.

5.2.3 Микроклимат на рабочем месте

Наиболее значительным фактором, который чаще всего реально влияет на производительность и безопасность труда, является микроклимат рабочего места, который характеризуется уровнем температуры и влажности воздуха, скоростью его движения. Эти параметры должны соответствовать требованиям [7], приведенным в таблице 5.2.

Таблица 5.2. Требования к параметрам микроклимата в производственном помещении

Параметры Значения параметров
Микроклимата Летом Зимой
Температура, °C 23-25 22-24
Скорость воздушных масс, м/с 0.1-0.2 0.1
Относительная влажность, % 40-60 40-60

Высокая температура воздуха, особенно в сочетании с высокой влажностью, резко снижает работоспособность оператора. При этом человек быстро утомляется, у него понижается внимание, уменьшается скорость сенсомоторных реакций, нарушается координация движений, увеличивается количество ошибок.

Лаборатория имеет площадь пола 60 м2, на одного работающего приходится 7,5 м2, что соответствует требованиям [7].

Средняя температура воздуха в помещении составляет +22 °С, относительная влажность - 46%, атмосферное давление - 750 мм.pт.ст., содержание пыли - не более 10 мг/м воздуха рабочего места, максимальные размеры частиц - 2 мкм.

Помещение рабочего участка оборудовано системами кондиционирования и вентиляции, воздухообмен в нем обеспечивается также путем естественного проветривания помещения (открытие окон) по настроению персонала. Вследствие этого температура в помещении равномерно колеблется в пределах 22 - 24°С, влажность – от 44 до 50%.

 

5.2.4 Освещенность на рабочем месте

Помещения лаборатории должны иметь естественное и искусственное освещение согласно [8].

Рациональная освещенность помещения предусматривает:

правильный выбор источников света и систем освещения;

необходимый уровень освещенности рабочих поверхностей;

устранение бликов;

равномерное освещение;

устранение колебаний светового потока во времени.

При недостаточной освещенности и напряжении зрения состояние зрительных функций находится на низком функциональном уровне, в процессе выполнения работы развивается утомление зрения, понижается общая работоспособность и производительность труда, возрастает количество ошибок.

Равномерность освещения понимается как отношение интенсивностей наименьшего и наибольшего световых потоков. Следует ограничивать неравномерность распределения яркости в поле зрения пользователя ВДТ и ПЭВМ. Соотношение яркости между рабочими поверхностями не должно превышать 3:1 - 5:1, а между рабочими поверхностями стен и оборудования - 10:1, т.к. при переводе взгляда с яркоосвещенной на слабоосвещенную поверхность глаз вынужден переадаптироваться, что ведет к развитию утомления зрения и затрудняет выполнение производственных операций. Для обеспечения равномерности освещения применяется мягкий рассеянный свет из нескольких источников, светлая окраска потолка, стен и оборудования.

Требование направления света определяется необходимостью объемного восприятия объекта и стремлением не допустить ослепления прямым или отраженным светом. Удобным направление искусственного света считается слева сверху и немного сзади.

Прямая блесткость появляется в результате наличия источника света непосредственно в поле зрения оператора, отраженная блесткость - в результате наличия внутри поля зрения отражающих ярких поверхностей. Прямую блесткость можно уменьшить, избегая ярких источников света в пределах 60 см от центра поля зрения. Отраженную блесткость можно уменьшить, используя рассеянный свет и применяя матовые поверхности вместо полированных. Для уменьшения бликов от экрана монитора, затрудняющих работу оператора, необходимо использовать экранные фильтры, повышающие контрастность изображения и уменьшающие блики, или мониторы с антибликовым покрытием

Важной задачей является выбор вида освещения (естественное или искусственное). Применение естественного света имеет ряд недостатков:

естественный свет поступает, как правило, только с одной стороны;

неравномерность освещенности во времени и пространстве;

возможность ослепления ярким солнечным светом;

тенеобразование и т.д.

Применение искусственного освещения помогает избежать рассмотренных недостатков и создать оптимальный световой режим. Однако применение помещений без окон создает в ряде случаев у людей чувство стесненности и неуверенности. И для правильной цветопередачи нужно выбирать искусственный свет со спектральной характеристикой, близкой к солнечной.

5.2.4.1 Расчет необходимой освещенности

Естественное освещение должно осуществляться через оконные проемы, ориентированные преимущественно на восток и юго-восток и обеспечивать коэффициент естественной освещенности (КЕО) не ниже 1,2% в зонах с устойчивым снежным покровом и не ниже 1,5% на остальной территории. Для чего необходимо обеспечить достаточную площадь световых проемов. Площадь световых проемов (So) рассчитывается по формуле (5.5):

 (5)

где: Sn - площадь пола помещения (12 *5 = 60 кв. м.),

En - нормативное значение KEO (1.2),

K1 - коэффициент запаса (1.2),

g - световая характеристика окон (15)

K2 - коэффициент учитывающий затемнение окон противостоящими

зданиями (1),

V - коэффициент учитывающий повышение КЕО при

боковом освещении благодаря отражению света (1.2),

To - общий коэффициент светопропускания , определяется по  формуле (5.6)

To = T1 * T2 * T3 * T4 = 0.8 * 0.65 * 1 * 1 = 0.52(6)

где T1 - коэффициент светопропускания материала (для окон двойного стекла 0,8),

T2 - потери света в переплетах (деревянный, двойной, раздельный 0,65),

T3 - потери света в несущих конструкциях (1),

T4 - потери света в солнцезащитных устройствах (1),

Таким образом площадь светового проема:

кв.м.

Фактически имеется всего 1.5 м2 (одно окно 1 м * 1.5 м), указывает на необходимость искусственного освещения.

5.2.4.2 Расчет искусственной освещенности

Применение искусственного освещения помогает избежать рассмотренных выше недостатков естественного освещения и создать оптимальный световой режим. Искусственное освещение в помещениях эксплуатации мониторов и ПЭВМ должно осуществляться системой общего равномерного освещения.

Для искусственного освещения следует использовать, главным образом, люминесцентные лампы, у которых высокая световая отдача (до 75 лм/Вт и более), малая яркость светящейся поверхности, близкий к естественному спектральный состав излучаемого света, что обеспечивает хорошую цветопередачу.

Hа стадии светотехнического проектирования основной задачей является расчет потребной мощности осветительной установки.

Все методы расчета искусственного освещения основаны на формулах, связывающих освещенность с характеристиками ламп.

 Согласно СНиП [8], рассчитаем искусственную освещенность по формуле, учитывая, что в помещении имеется 16 ламп мощностью по 40 Вт:

 (5.7)

где F световой поток одной лампы, F = 440 лм.;
N число ламп, N = 45;
Z поправочный коэффициент, Z = 0,9;
G коэффициент использования осветительной установки, g = 20;
S площадь пола помещения, S = 60 м.кв.;
КЗ коэффициент запаса, КЗ = 1,4.

Подставляя численные данные в формулу, получаем:

Рассчитанное значение освещённости Е = 460 лк, что соответствует [8].

5.2.5 Шум и вибрации

Шум является одним из наиболее распространённых в производстве вредным факторов. Действие шума не ограничивается воздействием на органы слуха, шум через нервные волокна передается в центральную и вегетативную нервные системы, а через них воздействует на внутренние органы. Нормальный уровень шума не должен превышать 50дБ. При уровне выше 120 дБ начинаются недопустимые условия. Сильный шум действует отрицательно не только на органы слуха, но и на весь организм в целом, в том числе и на нервную систему. Шум приводит к усилению утомляемости и резкому падению производительности труда.

Для снижения шума следует:

·  ослабить шум самих источников, используя звукоизоляцию;

·  снизить эффект суммарного воздействия отраженных звуковых волн;

·  использовать архитектурные и технологические решения, направленные на изоляцию источников шума;

·  располагать помещение вдали от источников шума и вибрации.

Основным источником шума на рабочем месте оператора ПЭВМ являются вентиляторы охлаждения, трансформаторы ПЭВМ и принтер.

Уровень шума от вентиляторов и трансформаторов не превышает 45 дБ (данные взяты из технического паспорта), уровень звуковой мощности принтера (в зависимости от модели принтера) составляет до 50 дБ, но он работает не постоянно. Следовательно, уровень шума на рабочем месте оператора ПЭВМ следует считать допустимым.

Вибрация на рассматриваемом рабочем месте не проявляется ввиду отсутствия каких-либо производственных механизмов или машин. Вибрация, создаваемая работающими вентиляторами, практически равна нулю.

5.3 Эргономичность проекта

 

5.3.1 Эргономические требования к рабочему месту

Конструкция рабочего места и взаимное расположение всех его элементов (сиденье, органы управления, средства отображения информации) соответствуют антропометрическим, физиологическим и психологическим требованиям, а также характеру работы.

Данная конструкция рабочего места обеспечивает выполнение трудовых операций в пределах зоны деятельности моторного поля. Зоны досягаемости моторного поля в вертикальных и горизонтальных плоскостях для средних размеров тела человека приведены на рисунке 1.1. Выполнение трудовых операций “часто” и “очень часто” обеспечивается в пределах зоны досягаемости и оптимальной зоны моторного поля, приведенных на рисунке 1.2 (зоны 1, 2).

Расположение средств отображения информации, в данном случае это дисплей ЭВМ соответствуют [14].


Рис. 5.2. Зоны досягаемости и оптимальной зоны моторного поля

Уровень шума согласно [9] на рабочих местах с использованием устройств для исследований, разработок, конструирования, программирования и врачебной деятельности должен составлять до 50 dB. Машины, применяемые в ходе работы, создают максимальный уровень шума до 35dB (по техническому паспорту), что соответствует [9].

Для снижения нагрузки на глаза дисплей должен быть установлен наиболее оптимально с точки зрения эргономики. Верхний край дисплея должен находится на уровне глаз, а расстояние до экрана около 40 см, что укладывается в рамки от 28 до 60 см. Мерцание экрана происходит с частотой fмер = 85 Гц, что соответствует условию fмер > 70 Гц.

Рабочие места в лаборатории расположены перпендикулярно оконным проемам, это сделано с той целью, чтобы исключить прямую и отраженную блесткость экрана от окон и приборов искусственного освещения, которыми являются лампы накаливания, т.к. газоразрядные лампы при работе с дисплеями применять не рекомендуется (с целью снижения нагрузки на глаза).

Визуальные эргономические параметры ВДТ (видеодисплейных терминалов) являются параметрами безопасности, и их неправильный выбор приводит к ухудшению здоровья пользователей. Конструкция ВДТ, его дизайн и совокупность эргономических параметров должны обеспечивать надежное и комфортное считывание отображаемой информации. Корпус ВДТ и ПЭВМ, клавиатура и другие блоки и устройства ПЭВМ должны иметь матовую поверхность одного цвета с коэффициентом отражения 0,4 - 0,6 и не иметь блестящих деталей, способных создавать блики. Экран видеомонитора должен находиться от глаз пользователя на оптимальном расстоянии 600-700 мм, но не ближе 500 мм с учетом размеров алфавитно-цифровых знаков и символов.

Конструкция клавиатуры должна предусматривать:

исполнение в виде отдельного устройства с возможностью свободного перемещения;

опорное приспособление, позволяющее изменять угол наклона поверхности клавиатуры в пределах от 5 до 15 градусов;

высоту среднего ряда клавиш не более 30 мм;

расположение часто используемых клавиш в центре, внизу и справа, редко используемых - вверху и слева;

выделение цветом, размером, формой и местом расположения функциональных групп клавиш;

минимальный размер клавиш - 13 мм, оптимальный - 15 мм;

клавиши с углублением в центре и шагом 19 ± 1 мм;

расстояние между клавишами не менее 3 мм;

одинаковый ход для всех клавиш с минимальным сопротивлением нажатию 0,25 Н и максимальным - не более 1,5 Н;

звуковую обратную связь от включения клавиш с регулировкой уровня звукового сигнала и возможности ее отключения.

Конструкция рабочего стола должна обеспечивать оптимальное размещение на рабочей поверхности используемого оборудования с учетом его количества и конструктивных особенностей (размер ВДТ и ПЭВМ, клавиатуры и др.), характера выполняемой работы. При этом допускается использование рабочих столов различных конструкций, отвечающих современным требованиям эргономики.

Конструкция рабочего стула (кресла) должна обеспечивать поддержание рациональной рабочей позы при работе на ВДТ и ПЭВМ, позволять изменять позу с целью снижения статического напряжения мышц шейно-плечевой области и спины для предупреждения развития утомления.

Для обеспечения оптимальной работоспособности и сохранения здоровья профессиональных пользователей, на протяжении рабочей смены должны устанавливаться регламентированные перерывы.

5.4 Экологичность проекта

Экологическое воздействие системы на природную среду может быть связано с выбросами вредных веществ, тепловым или шумовым загрязнением, излучениями. В данном дипломном проекте можно выделить лишь три последних фактора, действующих только в пределах помещения.

 

5.4.1 Ионизационное излучение:

В процессе выполнения дипломной работы на ЭВМ и при эксплуатации программы человек подвергается воздействию ионизационного излучения, которое поступает с дисплея компьютера.

Излучение дисплея достигает нормируемых значений радиационного фона 60 мкР/час, уже на расстоянии 2 см от экрана. В целях дополнительной защиты на дисплей надет фильтрующий экран, снижающий величину дозы облучения. Таким образом, получаемая оператором доза ионизационного облучения не наносит вреда для организма человека.

 

5.4.2 Электромагнитное излучение

В соответствии с [14], пользователь персонального компьютера при работе с дисплеем подвергается воздействию низкоэнергетического рентгеновского и ультрафиолетового излучения, электромагнитному излучению, статического электричества, поэтому расстояние от одного дисплея до другого должно быть не менее 2,0 м в направлении тыла, а расстояние между боковыми поверхностями не менее 1,2 м. Экран видеомонитора должен находиться от глаз пользователя на расстоянии 600-700 мм, но не ближе 500 мм.

В помещении лаборатории расположение персональных компьютеров удовлетворяет вышеперечисленным требованиям.

5.4.3 Статическое электричество

Для предотвращения образования статического электричества и защиты от него в помещении необходимо использовать нейтрализаторы и увлажнители, а полы должны иметь антистатическое покрытие.

Защита от статического электричества должна проводиться в соответствии с санитарно-гигиеническими нормами допускаемой напряженности электростатического поля. Допускаемые уровни напряженности электростатических полей не должны превышать 20 кВ в течение 1 часа.

5.5 Чрезвычайные ситуации

В данном разделе представлен материал на тему «Основные конструктивные методы защиты радиоэлектронной аппаратуры от воздействия сильных электромагнитных излучений.

Приступая к эксплуатации средств вычислительной техники пользователю желательно знать, какие нарушения работоспособного состояния полупроводниковых приборов и типовых схем могут возникнуть при воздействии различных видов ионизационного излучения, являются ли они временными (обратимыми) или постоянными (необратимыми).

В первом приближении эффекты от воздействия ионизационного излучения можно рассматривать независимо, тем более что в реальных условиях на схему сначала действует гамма-импульс, а затем с определенным временным сдвигом — нейтронный импульс.

Ионизация, обусловленная действием гамма импульса, оказывает влияние на работу, например, интегральной схемы благодаря одному из трех механизмов: возникновению фототоков, протекающих через обратносмещенные переходы, полному нарушению работы транзистора и ухудшению свойств поверхности.

Фототоки, протекающие в цепях, могут приводить к появлению сигнала помехи на выходе схемы длительностью от нескольких наносекунд до сотен миллисекунд в зависимости от времени восстановления элементов схем. Может также произойти полное нарушение работоспособности транзисторов, например, в ИС с изоляцией pn-переходами из-за того, что переход между коллектором и подложкой во время действия гамма импульса становится проводящим. Полное нарушение работоспособности схемы может также возникнуть из-за того, что соответствующие элементы становятся проводящими и могут пропускать неограниченный ток через переходы в режиме насыщения. При этом могут возникнуть как вторичный пробой, так и выгорание металлизации или перегорание токопроводящих цепей.

Воздействие нейтронов, в свою очередь, также полностью нарушает работоспособность схем из-за недопустимой деградации параметров приборов, либо приводит к временным отказам, обусловленным ионизацией из-за действия нейтронов или отжига нестабильных структурных повреждений. Накопление поверхностного заряда или образование зарядов в окружающей атмосфере также приводит к деградированию параметров полупроводниковых приборов.

Каждый из типов аппаратуры требует конкретного комплекса мероприятий, сущность которых раскрыта ниже в изложении методов повышения и обеспечения стойкости РЭА к действию ЭМИ: конструкционных, схемотехнических, структурно-функциональных.

Рассмотрим подробнее конструкционные методы. Общий принцип конструкционных методов защиты от ЭМИ состоит в улучшении экранирования кабелей, аппаратуры, выбора наилучших схем заземления для каждого конкретного случая.

Экранирование является наиболее радикальным и, можно сказать, единственным эффективным способом защиты проводных линий. Оно позволяет одновременно решать следующие задачи: уменьшать опасные напряжения, наводимые в линиях под действием ЭМИ, а также уровни полей, проникающих в экранированные блоки по линиям связи. При использовании экранированных проводных линий следует учитывать, что эффективность экранирования в значительной степени зависит от места присоединения экранирующей оплетки к системе заземления объектов и качества этих соединений. Применение экранирующей оболочки, не соединенной с заземлением, не дает практически экранирующего эффекта. Это объясняется тем, что в данном случае в оболочке не возникают токи, поле которых могло бы уменьшить магнитную составляющую ЭМИ.

Помимо экранирования для уменьшения амплитуды напряжений, действующих в соединительных линиях в результате воздействия ЭМИ, следует выполнять эти связи с помощью симметричных линий. Симметрирование заключается в скручивании с определенным шагом проводов линии для выравнивания параметров каждого из них по отношению к земле. В этом случае напряжение, действующее на нагрузке, равно разности напряжений, наведенных ЭМИ в прямом и обратном проводах линии, и тем меньше, чем меньше отличаются полные сопротивления этих проводов относительно земли или экранной оболочки линии.

Значительное снижение влияния напряжений и токов, наводимых ЭМИ в соединительных линиях на элементы аппаратуры, достигается применением гальванического разделения внутренних и внешних линий связи. В качестве элементов гальванического разделения могут быть использованы трансформаторы, датчики Холла и т. д.

В настоящее время разработан ряд защитных устройств для защиты электроснабжения, управления и связи от наводок ЭМИ [11,12]. Однако эти защитные стройства имеют ограниченную пропускную способнность. При создании защитных устройств на токи до нескольких десятков килоампер, основанных на традиционных принципах работы, последние имеют большие габаритные размеры. В этих случаях особенно перспективны защитные устройства на базе сверхбыстродействующих взрывных коммутаторов [12].

Простым и эффективным способом этой экранировки является размещение всего электронного оборудования в металлической оболочке (экране). Правильно рассчитанная оболочка становится весьма эффективным экраном, защищающим от внешних генерируемых шумов и возмущений. Однако она не может снизить шумы, генерированные источниками, находящимися внутри металлической оболочки. Для снижения внутренних генерируемых возмущений могут быть применены различные заземляющие схемы. Если ввод в экранирующую оболочку выполнен неправильно, экранировка и заземление бесполезны. Таким образом, заземление, экранировку и прокладку кабелей рассматривают как различные аспекты одной и той же проблемы [15,16]

5.6 Вывод о безопасности и экологичности проекта

В соответствии с приведенными в нормативных документах требованиями к рабочему месту рассмотрим, в какой степени этим требованиям соответствует рабочее место, на котором производилась работа.

Требования электробезопасности в рабочем помещении полностью соблюдены.

Пожарная безопасность обеспечена наличием пожарной сигнализации и огнетушителями. Также из средств пожаротушения имеется по 2 гидранта на каждом этаже здания. На каждом этаже вывешен план эвакуации людей в случае пожара.

На рабочем месте шумы и вибрации практически отсутствуют. Рабочее помещени расположено окнами во двор, поэтому уличных шумов и вибраций нет. Шум и вибрация создаются только работающими ПЭВМ, но они создают максимальный уровень шума до 35 дБ (по техническому паспорту), что соответствует [13] (меньше 50 дБ).

Концентрация вредных веществ в воздухе рабочего помещения определяется лишь городским воздухом. Ежедневно проводится влажная уборка, так что содержание пыли также невелико.

Рабочее место по части требований к микроклимату и вентиляции оснащено кондиционером, который осуществляет поддержание таких параметров, как влажность и температура в установленных нормах.

Конструкция рабочего места и взаимное расположение всех его элементов (сиденье, органы управления, средства отображения информации) соответствуют антропометрическим, физиологическим и психологическим требованиям, а также характеру работу. Дисплей расположен так, что его верхний край находится на уровне глаз на расстоянии около 40 см, что укладывается в допустимые рамки от 28 до 60 см. Частота мерцания экрана fмер=100 Гц, что соответствует условия fмер>70 Гц.

Рабочее место расположено перпендикулярно оконныным проемам, что исключает прямую и отраженную блескость экрана от окон и приборов искусственного освещения, которыми являются лампы накаливания.

Интенсивность энергетических воздействий от ПЭВМ не превышает норм, допускаюдщзих работу в помещении в течение всего рабочего дня.

На основании ввышесказанного можно сделать вывод, что рабочее место удовлетворяет экологическим нормам и требованиям безопасности.


6. ЭКОНОМИЧЕСКОЕ ОБОСНОВАНИЕ ПРОЕКТА

Целью данного раздела является разработка смет и затрат на проектирование цифрового приёмника ВЧ-канала связи по ВЛ для аппаратуры релейной защиты и противоаварийной автоматики ПВЗУ-Е

Основными этапами разработки являются:

- Выбор функциональной схемы ПРМ

- Расчет разрядности АЦП и процессора

- Разработка платы и конструкции АКА ПРМ

- Возможности сопряжения основных узлов цифрового ПРМ с аналоговой частью ПВЗУ-Е

- Оформление

  В работе выполняются следующие расчеты:

- Расчет заработной платы с учетом квалификации и реальных тарифных ставок ИТР

- Расчет затрат на приобретение необходимого программного обеспечения

- Расчет затрат на материалы

- Расчет амортизационных отчислений

- Расчет затрат на электроэнергию

- Расчет накладных расходов

6.1 РАСЧЕТНАЯ ЧАСТЬ

Для создания программного обеспечения использовался персональный компьютер, монитор SyncMaster 753DFX и CD-RW NEC-7700 для записи пакета программ на лазерный диск. Перечисленное оборудование находится на балансе конторы разработчика и подготовка не требует больших затрат на приобретение компьютера и прочих устройств, эти затраты войдут в стоимость в качестве амортизационных отчислений. Для того, чтобы спроектировать ВЧ-канал связи и цифровой приёмник необходимо затратить определенное количество материальных, трудовых и денежных средств в виде макетов и макетных плат. Эти затраты составляют себестоимость проектируемого АКА ПРМ ПВЗУ-Е, программного обеспечения и являются издержками производства.

6.2 РАСЧЕТ МАТЕРИАЛЬНЫХ ЗАТРАТ

Материальные затраты состоят из затрат на основные и вспомогательные материалы, а также на покупные детали и полуфабрикаты, и рассчитываются по формуле

МЗ = Зом + Звм + Зпд и п + ТЗР, (6.1)

где     МЗ – материальные затраты, руб.;

Зом – стоимость основных материалов, руб.;

Звм – стоимость вспомогательных материалов, руб.;

Зпдип – стоимость покупных деталей и полуфабрикатов;

ТЗР – транспортно-заготовительные расходы, руб.  В качестве основных материалов для написания программы можно считать программное обеспечение. Итого: два диска с ПО по цене 75 рублей за штуку, то есть суммарные затраты на основные материалы составили 130 руб.

В качестве полуфабрикатов можно указать компакт диск, на который записана окончательная версия программы и пакет прикладных файлов.

Зпд и п = 15 руб.

Транспортно-заготовительные расходы составляют порядка 5% от затрат на материалы и покупные изделия:

ТЗР = ( Звм + Зпд и п) · 0.05 = 9 руб.(6.2)

Таким образом, затраты на материалы и покупные изделия составляют: = 189 руб.


6.3 РАСЧЕТ ОСНОВНОЙ ЗАРАБОТНОЙ ПЛАТЫ

Основная заработная плата рассчитывается по формуле

ЗПосн =,(6.3)

где     ЗПосн – основная заработная плата;

Tpi – трудоемкость работ, выполненных i-м исполнителем;

Tci – среднечасовая тарифная ставка за конкретный вид работ;

Для расчетов тарифной ставки примем заработную плату инженера УГТУ-УПИ 10 – разряда 1500 руб./месяц.

ЗП = 1500 руб./месяц.

Среднечасовая тарифная ставка вычисляется по формуле

Ст = = 8,52 руб.,(6.4)

где     ЗП – заработная плата, руб./месяц;

22 – число рабочих дней в месяце;

8 – продолжительность одной смены, час.

В ТАБЛИЦЕ 6.1 приведены основные этапы научно-исследовательской работы (НИР) и основная заработная плата за конкретный вид работ.

ТАБЛИЦА 6.1

Этапы НИР Исполни-тель Трудое-мкость, час Часовая ставка, руб. ЗПосн, руб.
1.Составление календарного графика работ. Инженер 2 8.52 17,04
2. Разбор и изучение литературы по теме -//- 40 -//- 340,80
3. Составление образа по изучаемым материалам -//- 2 -//- 17,04
4. Подготовка материалов и справочных данных -//- 16 -//- 136,32
5. Проектирование АКА ПРМ -//- 56 -//- 477,12
6.Теоретическое обоснование выбора модели -//- 32 -//- 172,64
7. Тестирование -//- 24 -//- 204,48
8. Внесение корректив в разработку -//- 8 -//- 68,16
9. Запись файлов на лазерный диск -//- 2 -//- 17,04
10. Экспериментальные работы с готовым образцом -//- 16 -//- 136,32
11. Прочие работы -//- 8 -//- 68,16
Итого, руб.: 1655,12

Основная заработная плата составит:

ЗП = 1655 руб. 12 коп.

С учетом уральского коэффициента (0.15), основная ЗП:

ЗПосн = 1655,12·1,15= 1903,39

Таким образом, затраты на основную заработную плату составят 1903 руб. 39 коп.

6.4 РАСЧЕТ ДОПОЛНИТЕЛЬНОЙ ЗАРАБОТНОЙ ПЛАТЫ

Дополнительная заработная плата составляет 15% от ЗПосн и составляет:

ЗПдоп = ЗПосн · 0.15 = 285,51

6.5 ЗАТРАТЫ НА СОЦИАЛЬНЫЕ ВЫПЛАТЫ

Согласно статье 241 Налогового кодекса Российской Федерации, начисления на основную и дополнительную заработные платы составляют 35,6 % от них и включают в себя (при налоговой базе менее 100.000 рублей):

- Федеральный бюджет          28,0 %;

- Фонд социального страхования Российской Федерации 4,0 %;

- Федеральный фонд обязательного медецинского страхования 0,2 %;

- Территориальные фонды обязательного медецинского страхования 3,4 %.

 Затраты на социальные выплаты определяются как единый социальный налог:

- Соц.страх. налог от несчастного случая на производстве 0,4 %

ЕСН=35,6% +0,4%

Итого: 36%

Общая сумма отчислений от основной и дополнительной заработной платы составляет

Нзп = (ЗПосн + ЗПдоп) · 0.36 (6.5)

Нзп = 788 руб. 04 коп.

 

6.6 ЗАТРАТЫ НА ЭЛЕКТРОЭНЕРГИЮ

Для расчета затрат на электроэнергию необходимо для каждой единицы электрооборудования определять количество потребляемой мощности, количество часов работы и стоимость одного киловатт - часа электроэнергии.

Зэл = Ki · Pi · C · КЧРi ,      (6.6)

где     Зэл – затраты на электроэнергию, руб.;

N – количество – оборудования;

Ki – количество единиц i-го оборудования;     

Pi – потребляемая мощность i-го прибора, кВт/час.;

КЧРi – количество часов работы i-го оборудования;

С – стоимость одного киловатт/часа электроэнергии (1.263 руб.) в соответствии c постановлением Свердловского Областного Правительства от 11.12.2002 г. за №379/ПК Екатеринбург «О тарифах электроэнергии для населения»

Затраты приведены в ТАБЛИЦЕ 6.2

ТАБЛИЦА 6.2

Наименование Марка Количество, шт. Потребляемая мощность, Вт Время работы, час Затраты, руб.
Компьютер Duron 750 1 50 120 7.58
Монитор SyncMaster 753DFX 1 80 120 12.13
Лампа накаливания --- 2 200 80 20.21
Итого 39.91

Потребляемая мощность взята из документации на приборы.

Итоговые затраты на электроэнергию составляют:

Зэл = 39 руб. 91 коп.

6.7 АМОРТИЗАЦИОННЫЕ ОТЧИСЛЕНИЯ

Расчет амортизационных отчислений производится по формуле 8:

Сам = Σ N ПСi * КЧРi/i = 1 РРi

где:    Сам – сумма амортизационных отчислений, руб.;

N – количество оборудования;

ПСi – первоначальная стоимость i-го оборудования, руб.;

КЧРi – количество часов работы i-го оборудования;

РРi – ресурс работы i-го оборудования, час.

Из постановления правительства Российской Федерации от 1 января 2002 года “О классификации основных средств, включаемых в амортизационные группы” ресурс работы компьютерного оборудования составляет 3 - 5 лет. Пусть ресурс работы перечисленного ниже оборудования составляет 3 года 5 месяцев, что соответствует примерно 30000 часам.

Результаты расчета приведены в таблице 6.3

Таблица 6.3  Амортизационные отчисления.

Наименование Марка

Коли-

чество

Пс, руб. РР, час. КЧР, час Затраты, руб.
Компьютер Duron 750 1 22000 30000 120 88
Монитор SyncMaster 1 5000 30000 120  20
Итого:  108

Амортизационные отчисления составили:

Сам = 108 руб. 00 коп.

 

6.8 НАКЛАДНЫЕ РАСХОДЫ

Накладные расходы включают расходы на управление и хозяйственное обслуживание, которые относятся ко всем работам, выполняемым в организации НИР, и составляют 150% от основной ЗП и общезаводские расходы, которые составляют 50% от основной ЗП.

Знр = ЗПосн · (1.5 + 0.5), (6.8)

Знр = 3806 руб. 72 коп.

 

6.9 КАЛЬКУЛЯЦИЯ ЗАТРАТ

Таблица 6.4

Статья расходов Сумма расходов
1. Материальные затраты 189,00
2. Основная заработная плата 1903,39
3.Дополнительная заработная плата 285,51
4. Социальные выплаты 788,04
5. Затраты на электроэнергию 39,91
6. Амортизационные отчисления 108,00
7. Накладные расходы 3806,72
Итого,руб: 7111,78

Таким образом, общая сумма затрат на научно-исследовательскую разработку составила:

ЗАТРАТЫ = 7111 руб. 78 коп.

Вывод: Приведённые выкладки, призваны показать руководителю предприятия или фирмы, какая часть работы составит основные расходы при разработке программного продукта для частичной модернизации аппаратуры релейных защит и противоаварийной автоматики. Учитывая общие затраты на создание АКА РЗ и ПА приведённые затраты являются экономически целесообразными и обоснованными в свете общего перехода связной аппаратуры от аналоговой формы к цифровой.


ПРИЛОЖЕНИЕ 1

СТРУКТУРНАЯ СХЕМА ЦИФРОВОГО ПРИЕМНИКА

 


ПРИЛОЖЕНИЕ 2

Функциональная схема АКА-16 ПРМ


ПРИЛОЖЕНИЕ 3

Функциональная схема управления реле команд


Описание работы функциональной схемы управление реле приема команд

Управление остальными реле построено по аналогичной схеме.

Схема работает следующим образом.

На транзисторе VT1 блока БВ1 построен параметрический стабилизатор напряжения. В исходном состоянии значение напряжения +UK на выходе источника (эмиттер транзистора VT1) равняется 6 В, что недостаточно для срабатывания реле, расположенных на кроссплате КП5. Таким образом, даже при появлении ложной (помеховой) команды на включение реле от блока ПРЦ, реле включено не будет.

Для включения реле выполняются следующие действия.

От блока ПРЦ в блок БВ1 поступает сигнал на включение ключа AV5. Ключ включается и шунтирует параметрический стабилизатор. Напряжение +UK поднимается до +24В. Значение напряжения +UK постоянно контролируется с помощью компаратора DA1, сигнал с которого через оптопару AV4.1 поступает на блок ПРЦ.

От блока ПРЦ на вход оптопары AV1.1 уровнем логического нуля поступает сигнал на включение реле. С выхода оптопары, через один из ключей элемента DD6, сигнал включения, уровнем (0,5-1,0) В поступает на обмотку реле. Реле включается.

Во включенном состоянии, через обмотку реле протекает ток, который открывает соответствующий ключ элемента DD7. Сигнал с выхода ключа, через оптопару AV5.1 поступает в блок ПРЦ для контроля включения реле.

Выключение реле происходит в обратном порядке.

Номинал резистора R1 подобран таким образом, что ключи элемента DD7 открываются даже при пониженном напряжении +UK (6 В). Таким образом, можно в тестовом режиме проверять целостность обмоток реле путем имитации включения реле на пониженном напряжении.

Значение пониженного напряжения +UK (6 В) выбрано исходя из напряжений срабатывания (18 В) и отпускания (12 В) реле.


ПРИЛОЖЕНИЕ 4

/* ADSP-2191 interrupt vector table */

/* locations based upon default interrupt priority at reset. */

/* peripheral mapping to specific interrupts is user-definable. */

/* define external and global variables & labels */

EXTERN start;

//#include "def2191.h"

//.section/pm seg_ivt;

section/pm IVreset;

/* RESET: 0x000 - 0x01F */

JUMP start;

RTI; RTI; RTI; RTI; RTI; RTI; RTI; RTI; RTI; RTI; RTI; RTI; RTI; RTI; RTI;

RTI; RTI; RTI; RTI; RTI; RTI; RTI; RTI; RTI; RTI; RTI; RTI; RTI; RTI; RTI; RTI;

/* powerdown: 0x020 - 0x03F */

.section/pm IVpwrdwn;

RTI; RTI; RTI; RTI; RTI; RTI; RTI; RTI; RTI; RTI; RTI; RTI; RTI; RTI; RTI; RTI;

RTI; RTI; RTI; RTI; RTI; RTI; RTI; RTI; RTI; RTI; RTI; RTI; RTI; RTI; RTI; RTI;

/* loop & PC stack: 0x040 - 0x05F */

.section/pm IVstackint;

RTI; RTI; RTI; RTI; RTI; RTI; RTI; RTI; RTI; RTI; RTI; RTI; RTI; RTI; RTI; RTI;

RTI; RTI; RTI; RTI; RTI; RTI; RTI; RTI; RTI; RTI; RTI; RTI; RTI; RTI; RTI; RTI;

/* Emulator Kernel/single step: 0x060 - 0x07F */

.section/pm IVkernel;

RTI; RTI; RTI; RTI; RTI; RTI; RTI; RTI; RTI; RTI; RTI; RTI; RTI; RTI; RTI; RTI;

RTI; RTI; RTI; RTI; RTI; RTI; RTI; RTI; RTI; RTI; RTI; RTI; RTI; RTI; RTI; RTI;

/* Host Port DMA: 0x080 - 0x09F */

//.section/code IVint4;

// RTI; RTI; RTI; RTI; RTI; RTI; RTI; RTI; RTI; RTI; RTI; RTI; RTI; RTI; RTI; RTI;

// RTI; RTI; RTI; RTI; RTI; RTI; RTI; RTI; RTI; RTI; RTI; RTI; RTI; RTI; RTI; RTI;

/* SPORT0 Receive: 0x0A0 - 0x0BF */

//.section/code IVint5;

// RTI; RTI; RTI; RTI; RTI; RTI; RTI; RTI; RTI; RTI; RTI; RTI; RTI; RTI; RTI; RTI;

// RTI; RTI; RTI; RTI; RTI; RTI; RTI; RTI; RTI; RTI; RTI; RTI; RTI; RTI; RTI; RTI;

/* SPORT0 Transmit: 0x0C0 - 0x0DF */

//.section/code IVint6;

// RTI; RTI; RTI; RTI; RTI; RTI; RTI; RTI; RTI; RTI; RTI; RTI; RTI; RTI; RTI; RTI;

// RTI; RTI; RTI; RTI; RTI; RTI; RTI; RTI; RTI; RTI; RTI; RTI; RTI; RTI; RTI; RTI;

/* SPORT1 Receive: 0x0E0 - 0x0FF */

//.section/code IVint7;

// RTI; RTI; RTI; RTI; RTI; RTI; RTI; RTI; RTI; RTI; RTI; RTI; RTI; RTI; RTI; RTI;

// RTI; RTI; RTI; RTI; RTI; RTI; RTI; RTI; RTI; RTI; RTI; RTI; RTI; RTI; RTI; RTI;

/* SPORT1 Transmit: 0x100 - 0x11F */

.section/code IVint8;

RTI; RTI; RTI; RTI; RTI; RTI; RTI; RTI; RTI; RTI; RTI; RTI; RTI; RTI; RTI; RTI;

RTI; RTI; RTI; RTI; RTI; RTI; RTI; RTI; RTI; RTI; RTI; RTI; RTI; RTI; RTI; RTI;

/* SPORT2 Receive or SPI0: 0x120 - 0x13F */

.section/code IVint9;

RTI; RTI; RTI; RTI; RTI; RTI; RTI; RTI; RTI; RTI; RTI; RTI; RTI; RTI; RTI; RTI;

RTI; RTI; RTI; RTI; RTI; RTI; RTI; RTI; RTI; RTI; RTI; RTI; RTI; RTI; RTI; RTI;

/* SPORT2 Transmit or SPI1: 0x140 - 0x15F */

.section/code IVint10;

RTI; RTI; RTI; RTI; RTI; RTI; RTI; RTI; RTI; RTI; RTI; RTI; RTI; RTI; RTI; RTI;

RTI; RTI; RTI; RTI; RTI; RTI; RTI; RTI; RTI; RTI; RTI; RTI; RTI; RTI; RTI; RTI;

/* UART Receive: 0x160 - 0x17F */

.section/code IVint11;

RTI; RTI; RTI; RTI; RTI; RTI; RTI; RTI; RTI; RTI; RTI; RTI; RTI; RTI; RTI; RTI;

RTI; RTI; RTI; RTI; RTI; RTI; RTI; RTI; RTI; RTI; RTI; RTI; RTI; RTI; RTI; RTI;

/* UART Transmit: 0x180 - 0x19F */

.section/code IVint12;

RTI; RTI; RTI; RTI; RTI; RTI; RTI; RTI; RTI; RTI; RTI; RTI; RTI; RTI; RTI; RTI;

RTI; RTI; RTI; RTI; RTI; RTI; RTI; RTI; RTI; RTI; RTI; RTI; RTI; RTI; RTI; RTI;

/* Timer A: 0x1A0 - 0x1BF */

.section/code IVint13;

RTI; RTI; RTI; RTI; RTI; RTI; RTI; RTI; RTI; RTI; RTI; RTI; RTI; RTI; RTI; RTI;

RTI; RTI; RTI; RTI; RTI; RTI; RTI; RTI; RTI; RTI; RTI; RTI; RTI; RTI; RTI; RTI;

/* Timer B: 0x1C0 - 0x1DF */

.section/code IVint14;

RTI; RTI; RTI; RTI; RTI; RTI; RTI; RTI; RTI; RTI; RTI; RTI; RTI; RTI; RTI; RTI;

RTI; RTI; RTI; RTI; RTI; RTI; RTI; RTI; RTI; RTI; RTI; RTI; RTI; RTI; RTI; RTI;

/* Timer C, PF Interrupt 0 & 1, Memory DMA: 0x1E0 - 0x1FF */

.section/code IVint15;

RTI; RTI; RTI; RTI; RTI; RTI; RTI; RTI; RTI; RTI; RTI; RTI; RTI; RTI; RTI; RTI;

RTI; RTI; RTI; RTI; RTI; RTI; RTI; RTI; RTI; RTI; RTI; RTI; RTI; RTI; RTI; RTI;

/*row.dsp*/

/*

*******************************************************************

*

* input: sr1 - input sample

* ouput: dm(wns), dm(result), dm(result2);

* shifted: ar, ax0, ax1, ay0, ay1, mx0, mx1, my0, my1, mr

*

*******************************************************************

*/

#include "def2191.h"

#define nsecs 3

#define datalen 2*nsecs+2

#define coeflen 5*nsecs

//nsecs

#define sftcnt 1

#define Buflen 50

#define Hilb_len 102

#define nflt 1

.section/dm seg_dmdata;

.var result[1];

.var result2[1];

.var rowoutput[1], fkoutput[1], n_1;

//.var wns[datalen*nflt];

.var wns[datalen];

.var CurBuffer;

.var Buffer1[Buflen];

.var Buffer2[Buflen];

.var Buffer3[Buflen];

.var Buffer4[Buflen];

.var BufferF1[4*Buflen];

.var BufferOut[16];

.var BufferOutPtr=BufferOut;

.var row_output;

.var Filt2Buf[6];

.var Filt3Buf[6];

.var ptr_Filt2Buf;

.var ptr_Filt3Buf;

.var ptr_FreqPhase;

.var PredResult;

.section/pm seg_pmdata;

/* Config  Start Start DMA Next descriptor

word page  address count pointer

------   ------  ------  -----    ------ 

*/

.var _RD_DMA_CONFIG1[5] = 0x8001, 0x0010,Buffer1, Buflen

_RD_DMA_CONFIG2;

.var _WR_DMA_CONFIG1[5] = 0x8003, 0x0000,Buffer1, Buflen,

_WR_DMA_CONFIG2;

.var _RD_DMA_CONFIG2[5] = 0x8001, 0x0010,Buffer2, Buflen,

_RD_DMA_CONFIG3;

.var _WR_DMA_CONFIG2[5] = 0x8003, 0x0000,Buffer2, Buflen,

_WR_DMA_CONFIG3;

.var _RD_DMA_CONFIG3[5] = 0x8001, 0x0010,Buffer3, Buflen,

_RD_DMA_CONFIG4;

.var _WR_DMA_CONFIG3[5] = 0x8003, 0x0000,Buffer3, Buflen,

_WR_DMA_CONFIG4;

.var _RD_DMA_CONFIG4[5] = 0x8001, 0x0010,Buffer4, Buflen,

_RD_DMA_CONFIG1;

.var _WR_DMA_CONFIG4[5] = 0x8003, 0x0000,Buffer4, Buflen,

_WR_DMA_CONFIG1;

.section/pm seg_pmdata;

//.var gain = "dat\gain25.DAT";

//.var coeff[coeflen*nflt]="1140.DAT";

#include "lpf.dsp";

#include "hilbert.dsp"

.section/dm seg_dmdata;

.var lpf[2];

.var n_2;

.var Uinp;

.section/pm seg_pmdata;

//.var Porog[2]={0x03D8,0x7C28};

.VAR coeff1 [coeflen]="Dat\280_el4.dat";

.var Porog1 [5]={0x7f,0xe7,0x17f,0x1e7,0x23f};

.var Porog2 [5]={0x01c,0x02a,0x040,0x070,0xae};

/*.var Coeff2a[11]="Dat\20k_2.dat";

.var Coeff2b[11]="Dat\19_5k_2.dat";

*/.var Coeff2c[10]="dat\17_4k.dat"; //="Dat\19k_2.dat";

/*.var Coeff2d[11]="Dat\18_5k_2.dat";

.var Coeff2e[11]="Dat\18k_2.dat";

.var Coeff3a[6]="Dat\19k_1.dat";

.var Coeff3b[6]="Dat\18k_1.dat";

*/.var Coeff3c[5]="dat\x.dat"; /*="Dat\20k_1.dat";

.var Coeff3d[6]="Dat\18_5k_1.dat";

.var Coeff3e[6]="Dat\19_5k_1.dat";

*/

//.var Fir_flt[1001*2]="Dat\fir.dat";

.section/pm IVint4;

ena sr;

dis int;

mx1=iopg;

mx0 = 0x8001;

mr1 = 0x1;

my0=dmpg1;

dmpg1=0;

//ax0 = 0x1;

/* write the Configuration words for the 2nd transfer, setting the Ownership and DMA enable bits */

iopg = Memory_DMA_Controller_Page;

my1 = 0x8003;

io(DMACW_IRQ) = mr1; /* writing a 1 to this register clears the interrupt */

dm(_RD_DMA_CONFIG1)= mx0;

dm(_WR_DMA_CONFIG1)= my1;

io(DMACW_CPR) = mr1;       /* Set the descriptor ready bit in both Write and Read channels */

io(DMACR_CPR) = mr1;        /* to signal to the DMA engine that the ownership bit has been set */

dm(_RD_DMA_CONFIG2)= mx0;

dm(_WR_DMA_CONFIG2)= my1;

dm(_RD_DMA_CONFIG3)= mx0;

dm(_WR_DMA_CONFIG3)= my1;

my1 = 0x8007;

dm(_RD_DMA_CONFIG4)= mx0;

dm(_WR_DMA_CONFIG4)= my1;

//io(DMACW_CFG) = mx0;//  /* enable DMA in both channels */

//io(DMACR_CFG) = mx0;//

iopg=mx1;

rti(db);

dmpg1=my0;

ena int;

.section/pm seg_pmcode;

.global ini_row,row,Start_DMA;

#define nsecs1 3

.global External_Port_Init;

External_Port_Init:

IOPG = External_Memory_Interface_Page;

ax0=0x38;

// ax1=b#0000000100010010;

ax1=b#0000001011100100;

// ax1=b#0000001111110110;

// || | ++++++---waitstates(2-0 for rd, 5-3 for wr),WaitStateMode (bits 7-6)

// || ++---------00-only ACK, 01 - Only waitStates 10 - both, 11 one of

// |+++-----------ClockDividerSelect bits 10-8: 000=1 : 101=32;

// +--------------WriteHoldEnable if 1 - enables extend the write data hold time by one cycle

IO(EMICTL)=ax0;

ax0=b#0000000001001001;

// ax0=b#0000110111111111;

IO(MS0CTL)=ax1;

IO(MS1CTL)=ax0;//ax1

IO(MS2CTL)=ax0;

IO(IOMSCTL)=ax0;

ax1=0x4001;

IO(MS3CTL)=ax0;

ax0=0xc080;

io(MEMPG10)=ax1;

io(MEMPG32)=ax0;

rts;

Start_DMA:

iopg = Memory_DMA_Controller_Page;


 
© 2011 Онлайн коллекция рефератов, курсовых и дипломных работ.