рефераты
Главная

Рефераты по авиации и космонавтике

Рефераты по административному праву

Рефераты по безопасности жизнедеятельности

Рефераты по арбитражному процессу

Рефераты по архитектуре

Рефераты по астрономии

Рефераты по банковскому делу

Рефераты по сексологии

Рефераты по информатике программированию

Рефераты по биологии

Рефераты по экономике

Рефераты по москвоведению

Рефераты по экологии

Краткое содержание произведений

Рефераты по физкультуре и спорту

Топики по английскому языку

Рефераты по математике

Рефераты по музыке

Остальные рефераты

Рефераты по биржевому делу

Рефераты по ботанике и сельскому хозяйству

Рефераты по бухгалтерскому учету и аудиту

Рефераты по валютным отношениям

Рефераты по ветеринарии

Рефераты для военной кафедры

Рефераты по географии

Рефераты по геодезии

Рефераты по геологии

Рефераты по геополитике

Рефераты по государству и праву

Рефераты по гражданскому праву и процессу

Рефераты по кредитованию

Рефераты по естествознанию

Рефераты по истории техники

Рефераты по журналистике

Рефераты по зоологии

Рефераты по инвестициям

Рефераты по информатике

Исторические личности

Рефераты по кибернетике

Рефераты по коммуникации и связи

Рефераты по косметологии

Рефераты по криминалистике

Рефераты по криминологии

Рефераты по науке и технике

Рефераты по кулинарии

Рефераты по культурологии

Курсовая работа: Разработка эквивалентных и принципиальных схем электрического фильтра и усилителя напряжения

Курсовая работа: Разработка эквивалентных и принципиальных схем электрического фильтра и усилителя напряжения

СОДЕРЖАНИЕ

Введение

1 Анализ технического задания

1.1  Общие сведения

1.2. Общие принципы проектирования электрического фильтра.

1.3. Общие принципы проектирования усилителя напряжения

1.4. Общие принципы и анализ спектра сложного периодического сигнала

1.5. Общие принципы анализа прохождения входного сигнала через радиотехнические устройства

1.6. Замечание

2 Разработка схем электрического фильтра

2.1. Основные положения теории

2.2 Синтез эквивалентной схемы

2.3 Разработка схемы электрической принципиальной

3 Разработка схем усилителя напряжения

3.1 Основные положения теории

3.2 Расчет схемы по постоянному току

4 Анализ спектра сложного периодического сигнала

4.1 Основные технические положения

4.2 Анализ спектра

5 Анализ прохождения входного сигнала через радиотехническое устройство

5.1 Различные допущения и ограничения

5.2 Анализ по схеме

Заключение

Список использованной литературы


Введение

В электротехнических, радиотехнических и телемеханических установках и устройствах связи часто ставится задача: из многих сигналов, занимающих широкую полосу частот, выделить один или несколько сигналов с более узкой полосой частот.

Сигналы (напряжения и токи) заданной полосы выделяют при помощи электрических фильтров. Один из простейших фильтров состоит из катушки и конденсатора, включённых последовательно или параллельно, т.е. представляет собой последовательный или параллельный контур. Однако в качестве пассивных фильтров чаще применяются четырёхполюсники из катушек индуктивности и конденсаторов и каскадные соединения четырёхполюсников.

К электрическим фильтрам различной аппаратуры предъявляются неодинаковые и даже противоречивые требования. В одной части полосы частот, которая называется полосой пропускания, сигналы не должны ослабляться, а в другой, называемой полосой задерживания (непропускания), ослабление сигналов не должно быть меньше определённого значения. Дополнительно могут накладываться определённые условия на вид фазовой характеристики фильтра. К фильтрам предъявляются и конструктивные требования в отношении их габаритов, массы, используемых материалов. Эти требования могут оказать решающее влияние на выбор одного из вариантов схем с аналогичными частотными характеристиками.

В качестве типовой курсовой работы нам предлагается проектирование электрического фильтра.

Синтез электрической цепи состоит из нескольких этапов, в частности:

-  Воспроизведение заданных требований к частотным характеристикам с помощью функций, удовлетворяющих условиям физической реализуемости (этап аппроксимации);

-  Определение электрической схемы, её конфигурации и параметров (этап реализации).

Полученную при синтезе электрическую схему, состоящую из индуктивностей, емкостей и сопротивлений, в общем случае следует рассматривать как эквивалентную схему. На её основе путем выбора конкретной элементной базы проектируется схема электрическая принципиальная, затем разрабатывается конструкция фильтра.

Существуют два конкурирующих метода синтеза фильтров. Длительное время при проектировании почти исключительно применялся синтез фильтров по характеристическим параметрам. В этом методе сопротивление нагрузки считается равным характеристическому сопротивлению, и все параметры проектируемого устройства выражаются через характеристические сопротивления и характеристическую постоянную передачи. В итоге проектируется фильтр, состоящий из однотипных Г, Т или П-образных звеньев, включенных каскадно. Однако неучет изменения характеристических сопротивлений в частотном диапазоне вызывает значительное отличие характеристик фильтра от требования задания. В настоящее время синтез по характеристическим параметрам применяется в случае, когда требуется быстро спроектировать фильтр с достаточно большими допусками к характеристикам.

Более современным является синтез по заданным рабочим параметрам, при котором проектируется LC-фильтр с произвольной нагрузкой.

Задачей работы является проектирование фильтра верхних частот. Исходя из того, что в задании не указаны какие-либо требования к фазовым или переходным характеристикам, то наложим дополнительные требования: необходимым является линейность фазовой характеристики и сохранение на выходе большой крутизны фронта импульса при малой величине выброса и малых колебаниях после импульса. Наиболее подходящим типом при таких условиях является фильтр Баттерворта.

Фильтр рассчитывается с помощью необходимых таблиц, справочников, из которых берутся нормированные значения элементов фильтра нижних частот и затем с помощью необходимых арифметических операций пересчитываются в реальные.


1. АНАЛИЗ ТЕХНИЧЕСКОГО ЗАДАНИЯ.

1.1 Общие сведения

Радиотехника является основной частью радиоэлектроники и включает в себя большое количество теоретических и “прикладных” дисциплин, разделов. При изучении, исследовании различных радиотехнических задач, приходится проводить анализ сигналов, эквивалентных и принципиальных схем, реальных устройств и систем, а также – синтезировать (разрабатывать, создавать) модели, схемы и различные реальные устройства.

Если проводимые расчеты, разработка завершаются изготовлением конструкторской и технологической документации, изготовлением макетов или опытных образцов, то обычно применяется термин “проектирование”.

В данной курсовой работе, в соответствии с заданием, необходимо решить следующие задачи:

- разработать (любым методом) эквивалентную, принципиальную схемы электрического фильтра на любых радиокомпонентах;

- разработать усилитель напряжения на любых радиоэлементах (схему электрическую принципиальную);

- любым методом рассчитать спектр сложного периодического сигнала, подаваемого с “генератора импульсов” на вход фильтра;

- проанализировать “прохождение” напряжения через фильтр и усилитель.

Эти задачи являются важными, практически полезными, т.к. разрабатываются и анализируются широко применяемые радиотехнические устройства.

Для последующих расчетов выбрана структурная схема с “аналоговыми” радиотехническими устройствами, показана на рисунке 1.



Рис. 1

Рис. 1

Цифровые функциональные узлы не будут рассматриваться по следующим причинам:

- необходимо дополнительно применять АЦП и ЦАП;

- разработка “цифровых схем” будет рассмотрена в следующих дисциплинах.

Решение основных задач данной курсовой работы можно проводить в различной последовательности.

Выберем следующий порядок расчетов:

а) разработка схем электрического фильтра, согласованного с источником импульсной последовательности и с усилителем напряжения;

б) разработка схем (схемы) усилитель напряжения;

в) анализ спектра “сигнала” генератора входного напряжения;

г) анализ прохождения “сигнала” генератора через электрический фильтр и усилитель.

Рассмотрим “общие принципы” решения перечисленных задач, а конкретные расчеты будут приведены в разделах 25.

1.2 Общие принципы проектирования электрического фильтра

Электрические фильтры – это линейные или “квазилинейные” четырехполюсники, многополюсники, имеющие частотнозависимые коэффициенты передачи по мощности (), по напряжению (), по току

(). Вместо безразмерных коэффициентов передачи при анализе и синтезе фильтров широко применяется ослабление () в децибелах:

,

где , ,  - модули коэффициентов передачи.

Диапазон частот, где близок к “1”, а ослабление “” близко к нулю, называется полосой пропускания. А там, где близок к “0”, а ослабление “” составляет несколько десятков децибел – находится полоса задерживания (ослабление затухания). Между ПП и ПЗ находится “переходная” полоса частот. По расположению полосы пропускания в частотном диапазоне, электрические фильтры называют:

ФНЧ – фильтр нижних частот;

ФВЧ – фильтр верхних частот;

ПФ – полосовой фильтр;

РФ – режекторный фильтр.

На рис. 2 а, б, в, г и рис. 3 а, б, в, г приведены примеры графических требований к модулю коэффициента передачи полной мощности () и ослаблению (а) для фильтра нижних частот (ФНЧ), фильтра верхних частот (ФВЧ), полосового фильтра (ПФ) и режекторного фильтра (РФ), соответственно.


           Кр                             Кр                             Кр                               Кр

         1                                1                                1                                  1         

  П         ПЗ         ПП           ПЗ          ПЗ      П П      ПЗ       ПП     ПЗ       ПП

      0,5                              0,5                            0,5                              0,5

0             f2        f3     f    0        f3        f2           f3н  f2н  f0  f2в   f3в        f2н    f3н   f0   f3в   f2в  

  а)  ФНЧ                б) ФВЧ                  в) ПФ                   г) РФ

Рис. 2

а, дБ                                 а, дБ                          а, дБ                            а, дБ

         40                              40                             40                                40

                          агар              агар                                агар        агар                     агар     агар

20                              20                              20                                20

Dа                             Dа                                      Dа                                    Dа

0         f2           f3     0      f3        f2            0 f3н  f2н  f0  f2в  f3в       0   f2н  f3н f0  f3в  f2в 

а)  ФНЧ                б) ФВЧ                  в) ПФ                   г) РФ

                                            Рис. 3

На рис. 2  и рис.  3    обозначено:

ПП, ПЗ - полоса пропускания и полоса задерживания, соответственно;

f2 (f2Н, f2В) - граничная частота полосы пропускания фильтра;

f3 (f3Н, f3В) - граничная частота полосы задерживания фильтра;

f0 - средняя частота фильтра (для ПФ и РФ);

Кр - модуль коэффициента передачи полной мощности;

Dа – ослабление фильтра в полосе пропускания, (не более);

агар- ослабление фильтра в полосе задерживания, (не менее);

Кроме того, для электрических фильтров приняты обозначения:

(f2В - f2Н) = 2Δfпп - полоса пропускания;

(f3В - f3Н) = 2Δfп3 - полоса задерживания;

f3 / f2 = Кпр - коэффициент прямоугольности ФНЧ, ФВЧ;

2Δfп3 / 2Δfпп = Кпр - коэффициент прямоугольности ПФ, РФ.

На рисунках 4 а, б, в, г, для примера, показаны схемы простых фильтров «Г-типа»:

Рис. 4

На рисунке 4, естественно, не показаны “резисторы внешних цепей”, с которыми согласован по мощности фильтр. Принцип “фильтрации” заключается в следующем. В полосе пропускания, вблизи резонансных частот, фильтр согласован с внешними “цепями” и в нагрузку передается максимальная мощность. В полосе задерживания согласование ухудшается, ослабление увеличивается.

Реальный электрический фильтр может быть выполнен на различных радиокомпонентах: “катушках и конденсаторах”, “волноводах”, “акустоэлектронных”. В принципе, можно пользоваться справочниками по расчету фильтров на вполне определенных радиокомпонентах. Однако более универсальным является следующий метод: вначале разрабатывается эквивалентная схема на идеальных LC-элементах, а затем в любые реальные, т.е. получается схема электрическая принципиальная наиболее прост перерасчет “конденсаторам и катушкам индуктивности”, т.к. “вид” схемы не меняется.

Но и при таком “универсальном подходе” возможны следующие способы синтеза эквивалентной схемы:

а) синтез в согласованном режиме из одинаковых Г-образных звеньев (синтез по “характеристическим” параметрам, синтез фильтр типа “К”)  [1].

Достоинство этого способа: простые расчетные формулы; рассчитанное ослабление в полосе пропускания () считается равным нулю.

Недостаток: в реальных фильтров согласования во всей полосе пропускания получить невозможно и 0 (достигает трех децибел).

б) полиномиальный синтез (синтез по рабочим параметрам, синтез “по справочникам ФНЧ”. “Предлагается” схема ФНЧ, учитывающая несогласования. ФНЧ легко пересчитываются в ФВЧ, в ПФ, в РФ.

Недостаток: необходимость использования справочников или специальных программных средств [2].

в) синтез по импульсным или переходным характеристикам применяется при синтезе цифровых фильтров.

Учитывая заданные требования в курсовой работе, общий объем работы, выберем для последующего синтеза метод синтеза по характеристическим параметрам.

1.3 Общие принципы проектирования усилителя напряжения

Аналоговый усилитель напряжения может быть разработан на интегральных микросхемах различного типа, на полевых транзисторах, на биполярных транзисторах (корпусных или бескорпусных). Учитывая небольшое значение требуемого коэффициента усиления по напряжению достаточно одного каскада усиления.

Выберем вариант с корпусным биполярным транзистором, как более дешевый. Учтем также, что можно применить только схему “с общим эмиттером”, без дополнительных усложнений, т.к. она обеспечивает и требуемое усиление, и согласование, в соответствии с величинами сопротивлений, указанным в задании. Схема “с общим коллектором” не усиливает напряжение, а схема “с общей базой” имеет маленькое входное сопротивление (десятки “Ом”), что не соответствует заданию.

1.4 Общие принципы и анализ спектра сложного периодического сигнала

Во всех вариантах задания, входной сигнал теоретически бесконечные импульсы различной формы (четные, нечетные, с постоянной составляющей или без нее). В реальных условиях “не бесконечные во времени”, но “достаточно протяженные” последовательности, встречаются часто. Анализ подобных последовательностей заключается в замене их – аналитическим выражением в виде некоторого “алгебраического” ряда с более простыми функциями. В аналоговой радиотехнике наибольшее применение для таких целей нашел “гармонический” ряд Фурье. Именно разложение в такой ряд в радиотехнике и принято называть спектром периодического сигнала. Рисунки амплитуд и начальных фаз отдельных “гармоник” ряда называют амплитудным и фазовым спектром.

Разложение в ряд Фурье будет рассмотрено в разделе 4.

1.5 Общие принципы анализа прохождения входного сигнала через радиотехнические устройства

а) После определения составляющих бесконечного спектра входного сигнала,  целесообразно провести сравнение, например, амплитуд первой и четвертой-пятой из них, меньше 0,10,2 доли от амплитуды первой, то “расчетный” спектр ограничивается, пренебрегая гармониками с небольшими амплитудами;

б) Анализируется фильтра для гармоник, оставшихся в “расчетном” спектре и определяются амплитуды в спектре сигнала на выходе фильтра. Можно принять, что фильтр не дает дополнительного фазового сдвига;

в) На входе усилителя целесообразно включить разделительный конденсатор, чтобы “постоянная составляющая”, если она имеется в сигнале, прошедшем через фильтр, не изменила режим по постоянному току усилителя. Ввиду малых по амплитуде переменных сигналов усилитель будем считать линейным для переменных сигналов (с постоянным ). Кроме того, будем учитывать, что схема “ОЭ” дает дополнительный фазовый сдвиг .

1.6 Замечание

Так как при расчетах различного вида будут встречаться различные “округления”, считаем, что разрешена погрешность в расчетах 10% на любом этапе расчета.


2. РАЗРАБОТКА СХЕМ ЭЛЕКТРИЧЕСКОГО  ФИЛЬТРА.

2.1 Основные положения теории

Итак, в разделе 1 был выбран метод синтеза в согласованном режиме из одинаковых звеньев “Г-типа”, LC-схемы которых показаны на рисунке 3.

Условные обозначения:

 f2 – граничная частота полосы пропускания;

 f3 – граничная частота полосы задерживания;

 Кпр=f3/f2 -коэффициент прямоугольности;

, не менее – гарантированное ослабление в ПЗ;

, не более – минимальное ослабление в ПП;

Rг= Rвхф=Rвыхф=Rн – значения сопротивлений для согласованного режима.

Расчетные формулы для ФНЧ, например, из [1]:

                                                                       (1)

                                                                  (2)

                                (3)

                                                             (4)

                   (5)

Последнее выражения справедливы только для построения графика в полосе задерживания и в переходной полосе. В полосе пропускания, по этому методу, считается , т.е. требования задания в рассчитанной эквивалентной схеме выполняются. Подключать звенья (одно к другому) можно “любыми клеммами”.

Если из ФНЧ требуется получить ПФ, и из ФВЧ – РФ, то отдельные “ветви” ФВЧ и ФВЧ преобразуются добавлением добавочных элементов к виду “рисунков 3 в,г”. Дополнительные элементы ветвей определяются по формуле:

, где - средняя частота ПФ или РФ.

2.2 Синтез эквивалентной схемы

В данном варианте задания, имеем  ФНЧ обладающий следующими характеристиками:

 f2  = 180 кГц;

 f3  = 60 кГц;

 Кпр  = 1/3;

 а гар  = 22 дБ:

 ∆a = 2,2 дБ;

 Rг=Rн=Rф=1 кОм.

Требования к расчёту и звено фильтра представлены на рисунке 5 а, б.



         а)                                                                     б)

Рис. 5

Рассчитаем основные параметры эквивалентной схемы:

 

 

 

, т.е. nзвеньев=2

Формула для построения графика ослабления при f<f2 :

На рисунке 6 представлена промежуточная и окончательная эквивалентные схемы с идеальными LC элементами.


Описание: 5 Описание: 6

Рис. 6

После пересчета элементов имеем:

С1 =  0,44 нФ, L1=0,44 мГн, С2=0,88 нФ,  L2=0,88 мГн.

Описание: E:\Мои программы\Учёба\2 курс\ОТЦ\картинки курсача\Кмю.bmp

На рисунках 7а, 7б показаны графики ослабления и коэффициента передачи по напряжению.

Описание: E:\Мои программы\Учёба\2 курс\ОТЦ\картинки курсача\Ф3 и Ф2.bmp

                   а                                                              б

Рисунок 7

График на рисунке 7б построен по формуле: . Сдвиг фазы, создаваемый фильтром будем считать в последующих расчетах нулевым.

2.3 Разработка схемы электрической принципиальной

На этом этапе определимся с реальными радиокомпонентами. Катушки индуктивности спроектируем, а конденсаторы выберем стандартные, выпускаемые заводом.

Будем разрабатывать схему с конденсаторами и катушками индуктивности, как наиболее дешёвую и обеспечивающую заданные требования.

Предпочтение отдадим конденсаторам с неорганическим диэлектриком — керамическим, рассчитанным на работу в высокочастотном режиме. Высокочастотная керамика имеет большое сопротивление и малые токи утечки, широкий диапазон рабочих температур, керамические конденсаторы имеют не большую стоимость. Остановимся на серии К10 - 57 - МПО - 100 В с отклонением величины ёмкости на % от номинального значения (ТУ 17501-91).

Характеристики и предельные эксплуатационные данные:

- керамические не защищенные, предназначенные для работы в цепях постоянного, импульсного и переменного токов, в том числе и в УВЧ диапазоне;

- сопротивление изоляции «вывод-вывод» - не менее 1000 МОм;

- минимальная наработка - 15000 ч;

- температура окружающей среды от-60 до +125°С;

- ёмкость практически не зависит от частоты;

- добротность более 20000;

- миниатюрное исполнение, с выводами расположенными по краям корпуса

Стандартные номиналы  конденсаторов, ближайшие к рассчитанным, выбираем:

С1= 0,425 нФ;

С2  = 0,85 нФ.

Катушки индуктивности можно выбрать близкими по номиналу из стандартной серии «ДМ», либо спроектировать их самостоятельно.

Спроектируем цилиндрическую катушку с однослойной намоткой на ферримагнитном сердечнике (рисунок 8).

Рисунок 8

Для расчёта числа витков будем использовать выражение:

,

где - число витков, =,  - относительная магнитная проницаемость материала сердечника,  - длинна катушки, = - радиус основания катушки, . Если для сердечника катушки выбран ферромагнетик, то без учета потерь различного вида в расчетах можно принять значение , указанное в обозначении, например: 20ВЧ, 30ВЧ, 50ВЧ, 100ВЧ, 60НН, 100НН, 200НН, 300НН, 600НН, 1000НН, 2000НН, 1000НМ, 2000НМ.

Для ферромагнетика марки 2000НН:


В качестве провода намотки (бывают провода марки ПЭВ, ПЭЛ, ПЭЛШО – медные, диаметром от 0,1 до 1 мм)  выберем медный провод марки ПЭЛ диаметром 0,1мм () , . Это позволяет намотать на выбранном размере сердечника до 100 витков выбранным проводом при однослойной намотке.

Учитывая длину провода в катушках L1 и L2  ценим тепловые и дополнительные (вихревые токи, поверхностный эффект) потери в катушках:

 Ом

 Ом

Добротность на частоте :

Присвоим катушкам индуктивности номер «своего частного технического условия»:  РЗ -090104-12-09ТУ.

Оценим дополнительные потери в полосе пропускания по формуле:

 дБ

т. е. потери не очень существенные и .


3. РАЗРАБОТКА СХЕМЫ УСИЛИТЕЛЯ НАПРЯЖЕНИЯ.

3.1 Основные положения теории

Для проектирования выбран однокаскадный усилитель напряжения по схеме “общий эмиттер”. Достоинства по данной схеме включения: обеспечивается усиление электрического сигнала по току, по напряжению, по мощности; в больших пределах можно изменят входное и выходное сопротивления в режиме переменных сигналов, что позволяет согласовать усилитель с внешними цепями.

Недостатком является значительная зависимость характеристики усилителя от температуры. Температурную стабильность улучшают введением дополнительного резистора в цепь эмиттера (отрицательная обратная связь).

Для дальнейшего использования выберем схему “средней стабильности” с фиксированным током смещения и эмиттерной стабилизацией рабочей точки.

Описание: 7

Рисунок 9 – Схема “средней стабильности”


Будем применять обозначения:

 - входное сопротивление в режиме “постоянного тока”;

 - входное сопротивление транзистора для “постоянного тока”;

 - коэффициент передачи по току (на постоянном токе);

,  - емкости p-n-переходов;

Iэ = Iк + h21э·Iб, т.е. Iэ≈Iк;

Im, Um (∆I, ∆U) – амплитуды переменных сигналов при “прохождении” их через усилитель;

 - входное сопротивление для малых переменных сигналов;

 - коэффициент передачи для малых переменных сигналов; (на низких частотах h21оэ≈h21э, на более высоких частотах - уменьшается).

В справочниках по транзисторам приводятся значения h21оэ с учетом разброса параметров. В данной курсовой работе используется среднее значение ;

 - выходное сопротивление ля переменных сигналов;

f1 – граничная чистота для схем ОЭ (h21оэ=1);

 - предельная частота (h21оэ уменьшается в 2 раза).


3.2 Расчет схемы по постоянному току

Выбрана схема с “общим эмиттером” с фиксированным током смещения и эмиттерной стабилизацией рабочей точки. Поскольку транзистор работает в режиме малого сигнала, то его структура не имеет значения. Выберем высокочастотный транзистор КТ312(ТТЗ.701.012 ТУ) n-p-n структуры.

Пример справочных данных маломощного высокочастотного n-p-n транзистора КТ312:

=120МГц

=30

Типовые режимы работы транзистора КТ312:

;

При проектировании усилителя необходимо учитывать следующие требования: через усилитель будет проходить напряжение с максимальной частотой 3*f1(третья гармоника), т.е. 3f1=3/T=180. Целесообразно выбрать транзистор, у которого ft/h21оэ≥3f1≥180 кГц, кроме того: . Этим условиям удовлетворяет транзистор КТ312, справочные параметры которого были приведены ранее.

Выберем рабочую точку из имеющихся данных на транзистор по справочнику. Для этого необходимо учесть требования задания:

1.  Rвх.ус=1000 Ом;

2.  |Ku|=Uм.вых/Uм.вх=Rк/Rэ>10;

3.  Rвых.ус≥500 Ом

для схемы рисунка 9 состоит из параллельного соединения и (), чтобы не учитывать одновременно несколько требований поступим следующим образом: выберем любую рабочую точку режима транзистора КТ312, причём в данной схеме будет больше требуемого. А затем перед разделительным конденсатором  включим        дополнительно(для переменных сигналов включим параллельно с ).

Выберем рабочую точку:

.

Расчёт по постоянному току проведём по законам Кирхгофа, начиная с контура на выходе:

. Используя Eп=10 В, значения мА и планируя

Uкэ=Еп/2=5В, определяем:. С учётом , , а по заданию требуется, чтобы |Ku|≥10. Выбираем Rк=2270 Ом Rэ=227 Ом. Определяем необходимый для данного режима ток базы транзистора: . Для определения значения резистора Rб, запишем уравнения входного контура: , Еп=10В, Iб=0,067 мА, Uбэ=0,55В, Iэ=2 мА, Rэ=227 Ом, тогда

3.3 Расчёт схемы по переменному току

Ku=-Rк/Rэ=-2270/227-10;

Rвхтранз=h11оэ+h21оэ*Rэ=0,55/0,067мА+30*227=15 кОм

 для переменных сигналов состоит из параллельного соединения элементов , и , т. е.:. Учитывая, что требуется, чтобы  , рассчитаем дополнительный резистор , который для переменных сигналов является подключённый параллельно с , т.е. новое , или

. Введём новое обозначение элементов усилителя и округлим их значения до ближайших стандартных:

=R1=1 кОм;

Rб=R2=124 кОм

Rk=R3= 2.3 кОм

Rэ=R4=230 Ом

Конденсатор Сэ=С4 устраняет ООС по переменному току. Выберем его значение С4=1мкФ, согласно формуле. Резисторы выберем типа           С2-33-0.125±5% ОЖО.467.093 ТУ.

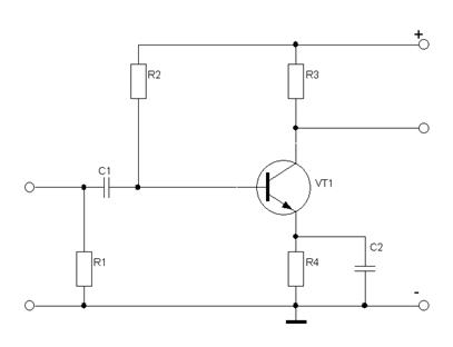
Описание: 9

Рисунок 10 – Схема электрическая принципиальная радиотехнического устройства

На рисунке 10: R1=1 кОм, R2=134 кОм, R3=2,3 кОм, R4=230 Ом, С1=440пФ, С2=880пФ, С3=1мкФ, L1=0,44 мГн, L2=0,88 мГн, VT1 – транзисор КТ312.


4 Анализ спектра сложного периодического сигнала

4.1 Основные технические положения

Описание: E:\Мои программы\Учёба\2 курс\ОТЦ\картинки курсача\Сигнал.bmp

Исходные данные приведены на рисунке 11.

Рисунок 11 – Исходные данные

Для рисунка 11: Uo= 0,1В, , Rг=500 Ом,

Аналитическое выражение для записи спектра(ряд Фурье) имеет вид:

,

где -  - постоянная составляющая;

-  - амплитуда при синусах;

-  - амплитуда при косинусах;

- , φ=arctg() - амплитуда и фаза произвольной гармоники входного сигнала;

-  - номер гармоник;

-  - частоты гармоник.

У чётных сигналов , а у нечётных . Кроме того может отсутствовать постоянная составляющая в сигнале.

При определении коэффициентов ряда Фурье функцию под знаком интеграла для чётных и нечётных функций  можно задавать на части периода, а результат вычислений округлять в большую сторону.

 

4.2 Анализ спектра

Для сигнала на рисунке 9:

;

 -для периода от 0 до T/4.

Функция  в данном варианте чётная (т. е. ), содержит постоянную составляющую. Определяем :

Таким образом, в спектре сигнала нет чётных гармоник; но по четным порядкам сигнал равен нулю

С учётом этого, аналитическое выражении сигнала для сигнала на входе фильтра:

U(t)вхФ =a1cos(w1t)+a3 cos(3w1t)+a5 cos(5w1t)+b7 cos(7w1t)+…=0,127 cos(w1t)+0,042 cos(w1t)+ 0,025 cos(5w1t) + 0.018 cos(7w1t)+ 0.014 cos(9w1t)+… .

Описание: E:\Мои программы\Учёба\2 курс\ОТЦ\картинки курсача\График ампл.bmp

Рисунок 12 – График амплитудного спектра сигнала


5 Анализ прохождения входного сигнала через радиотехническое устройство

 

5.1 Различные допущения и ограничения

Хотя, при различных округления несколько изменились коэффициенты передачи электрического фильтра, дополнительные корректировочные расчёты проводить не будем.

5.2 Анализ по схеме рисунка 9

На вход фильтра подаётся сигнал вида:

U(t)вхФ =a1cos(w1t)+a3 cos(3w1t)+a5 cos(5w1t)+b7 cos(7w1t)+…=0,127 cos(w1t)+0,042 cos(w1t)+ 0,025 cos(5w1t) + 0.018 cos(7w1t)+ 0.014 cos(9w1t)+…

Так как на входе фильтра стоит разделительный конденсатор , то постоянной составляющей a0/2=0.05 на выходе фильтра не будет.

U(t)вхФ =1cos(w1t+0)+ 1cos(w1t+0)+1 cos(w1t+0)+1 cos(w1t+0)+…≈0,127 cos(w1t)+0,042 cos(w1t)+ 0,025 cos(5w1t) + 0.018 cos(7w1t)+ 0.014 cos(9w1t).

Тогда на выходе фильтра и на входе усилителя будет напряжение  Так как переменные сигналы, подаваемые на усилитель, малы то считаем его линейным с |Ku|=-10.Ёмкостные и инерционные, свойства p-n – переходов не учитываем т.к. Тогда:

U(t)вхф=-10*(0,127 cos(w1t)+0,042cos(w1t)+ 0,025cos(5w1t) + 0.018 cos(7w1t)+ 0.014 cos(9w1t)).


Заключение

сигнал электрический фильтр усилитель радиотехнический

Таким образов, в соответствии с заданием, в данной курсовой работе решены следующие задачи анализа и синтеза:

- проанализирован спектральный состав входного сигнала, а также прохождение сигнала через радиотехнические устройства (электрический фильтр и усилитель);

- проведен синтез эквивалентных схем и проектирование принципиальных схем радиотехнических устройств.

В курсовой работе применены следующие допущения и ограничения:

- спектр рассчитывался по пятую гармонику, включительно;

- усилитель, фильтр и источник сигнала считались согласованными, что позволило применить классическую теорию синтеза фильтров;

- ввиду небольшой амплитуды входного напряжения режим работы усилителя считался “линейным”.

Из-за допущений, точность расчетов несколько снизилась, но уменьшилась трудоемкость.

В целом, требования задания выполнены.


Список использованной литературы

1 Гусев В.Г., Гусев Ю.М. Электроника: Учебное пособие для студентов приборостроительных специальных вузов.-М:Высш.шк., 1991.-623с.

2 Бакалов В.П. Основы теории цепей\ учебник для вузов. – М.: «Радио и связь», 2000 г. -588 с.

3 Расчет фильтров с учетом потерь: справ./пер. с нем. Литвиненко. Под ред. Сильвинской – М.: изд. «Связь», 1972 г. – 200 с.

5 Никонов И.В., Женатов Б.Д. Электрические цепи. Анализ и синтез: Учебное пособие.-Омск: ОмГТУ, 2004.-104с.


 
© 2011 Онлайн коллекция рефератов, курсовых и дипломных работ.