рефераты
Главная

Рефераты по авиации и космонавтике

Рефераты по административному праву

Рефераты по безопасности жизнедеятельности

Рефераты по арбитражному процессу

Рефераты по архитектуре

Рефераты по астрономии

Рефераты по банковскому делу

Рефераты по сексологии

Рефераты по информатике программированию

Рефераты по биологии

Рефераты по экономике

Рефераты по москвоведению

Рефераты по экологии

Краткое содержание произведений

Рефераты по физкультуре и спорту

Топики по английскому языку

Рефераты по математике

Рефераты по музыке

Остальные рефераты

Рефераты по биржевому делу

Рефераты по ботанике и сельскому хозяйству

Рефераты по бухгалтерскому учету и аудиту

Рефераты по валютным отношениям

Рефераты по ветеринарии

Рефераты для военной кафедры

Рефераты по географии

Рефераты по геодезии

Рефераты по геологии

Рефераты по геополитике

Рефераты по государству и праву

Рефераты по гражданскому праву и процессу

Рефераты по кредитованию

Рефераты по естествознанию

Рефераты по истории техники

Рефераты по журналистике

Рефераты по зоологии

Рефераты по инвестициям

Рефераты по информатике

Исторические личности

Рефераты по кибернетике

Рефераты по коммуникации и связи

Рефераты по косметологии

Рефераты по криминалистике

Рефераты по криминологии

Рефераты по науке и технике

Рефераты по кулинарии

Рефераты по культурологии

Контрольная работа: Лазерные терапевтические приборы

Контрольная работа: Лазерные терапевтические приборы

Введение

В настоящее время лазерное излучение с большим или меньшим успехом применяется в различных областях науки. Уникальные свойства излучения лазеров, такие, как монохроматичность, когерентность, малая расходимость и возможность при фокусировке получать очень высокую плотность мощности на облучаемой поверхности обеспечили широкое применение лазеров. Использование квантовой электроники оказалось, в частности, очень полезным для клинической медицины. В медицинских целях используются, в основном, твердотельные и газовые лазеры. Импульсные твердотельные лазеры применяют преимущественно в офтальмологии для операций по  устранению отслоения сетчатки глаза и при лечении глаукомы. Для этих целей была разработана специальная аппаратура с использованием неодимовых и рубиновых лазеров. Для операций с рассечением тканей импульсные лазеры оказались непригодны, поэтому для этих целей применяют лазеры непрерывного действия. В России лазеры применяются в биологии и медицине уже более 30 лет. Исторически сложилось так, что приоритет в раскрытии механизмов и в биологическом применении находится в странах бывшего СССР. В Советском Союзе была создана хирургическая аппаратура на СО2 лазерах. Такие хирургические установки применяют в общей хирургии, онкологии и других областях. [3]

Установками на основе аргоновых лазеров непрерывного действия с использованием специальных световодов пользуются медики при внутриполостных операциях.

В лазеротерапии применяются световые потоки низкой интенсивности, не более 100 мВт/см кв., что сопоставимо с интенсивностью излучения Солнца на поверхности Земли в ясный день. Поэтому такой вид лазерного воздействия называют низкоинтенсивным лазерным излучением (НИЛИ) , в англоязычной литературе Low Level Laser Therapy (LLLT)

В терапии разных болезней широко применяются газовые гелий-неоновые лазеры (ГНЛ). ГНЛ приводит к увеличению содержания в ядрах клеток человека ДНК и РНК, что свидетельствует об интенсификации процессов транскрипции (делений). Это первый этап процесса биосинтеза белков. В связи с этим возникает вопрос о запуске мутаций. Однако доказано, что частота хромосомных мутаций в клетках человека вызванных химическими мутагентами, при воздействии ГНЛ уменьшается. ГНЛ оказывает антимутагенный эффект, активизирует синтез ДНК и ускоряет восстановительные процессы в клетках подвергнутых потоку нейтронов или гамма - радиации. Это позволяет использовать лазерное излучение в онкологии, на вредных производствах, в военной медицине, как профилактический, так и лечебный фактор в комбинации с медикаментами. Положительные результаты получены при лечении трофических язв, ран, воспалительных процессов, некоторых сосудистых заболеваний и в кардиологии. За последние 15 лет механизмы действия во многом раскрыты и уточнены. Воздействие низкоинтенсивных лазеров приводит к быстрому стиханию острых воспалительных явлений, стимулирует репаративные (восстановительные) процессы, улучшает микроциркуляцию тканей, нормализует общий иммунитет, повышает резистентность (устойчивость) организма. [5]

Основными преимуществами, стимулирующими применение лазеров в медицине, являются радикальность лечения, снижение сроков вмешательства, уменьшение числа осложнений, кровопотери, улучшение условий стерильности и т. д.[4]


1. Обзор методов для лечебного воздействия на пациентов

Эффективность лазерной терапии во многом зависит от выбора методов воздействия и (или) их сочетания, а также от того, насколько технически правильно эти методы реализованы [1]

Исключительно важно понимать, что различные методы лазерной терапии не заменяют, а существенно дополняют друг друга, т. к. обеспечивают не только включение нескольких механизмов регулирования и поддержания гомеостаза, но и различных путей их реализации. Это принципиально необходимо для достижения гарантированного и максимально устойчивого эффекта.

Основная цель и задача каждого метода лазерной терапии — пространственно-временная организация лазерного воздействия при оптимальной плотности дозы. Каждая методика имеет свои особенности как в техническом (локализация и площадь светового пятна, доза, время, частота модуляции и др.), так и в клиническом плане. Грамотное, основанное на знании физиологических механизмов действия НИЛИ применение методик лазерной терапии в сочетании с достаточно строгим соблюдением основных принципов синергизма — основа максимально эффективного лечения. Основное разделение методов происходит по локализации воздействия:[1]

·  наружное;

·  внутриполостное;

·  внутрисосудистое;

·  сочетанное или комбинированное.

1.1  Метод наружного воздействия

Наружное воздействие

Обеспечивается следующими основными методиками: контактная, контактно-зеркальная и дистантная. В большинстве случаев применяют стабильный метод, когда излучающая головка находится на одном месте. Значительно реже используют лабильную методику, сканирование (движение) лазерной головкой, например, при сочетанном лазерно-вакуумном массаже [1]

Наружное воздействие дифференцируется также по предполагаемым органам-мишеням НИЛИ. Важно понимать, что в каждом случае мы имеем свои особенности развития ответных физиологических реакций организма, определяющих конечный (лечебный) эффект. Варьирование пространственно-временными параметрами воздействия позволяет с достаточно высокой степенью уверенности задавать направленность отклика (реакции).

1)  Местное воздействие на раны, травмы, ожоги, язвы и т. д. предполагает как местное влияние НИЛИ (в первую очередь), так и генерализованные эффекты. Стимулируются в большей степени пролиферация и микроциркуляция, оказывается местное противовоспалительное и иммуно-модулирующее действие.

2)  Воздействие на рефлекторные зоны, а именно:

на точки акупунктуры (ТА) — корпоральные и аурикулярные;

на зоны Захарьина—Геда;

паравертебрально.

3)  Воздействие на проекции внутренних органов.

4)  Воздействие на проекции сосудистых пучков.

5)  Воздействие на проекции иммунокомпетентных органов.

Местное воздействие

Если патологический процесс локализован в поверхностных слоях кожи или слизистой оболочки (повреждения различной этиологии, воспалительные процессы и др.), то воздействие НИЛИ направлено непосредственно на него. В этом случае предоставляются самые широкие возможности в выборе параметров метода. Возможно применение практически любой длины волны излучения или сочетание нескольких спектральных диапазонов; использование импульсных или непрерывных лазеров, а также различных видов модуляции излучения; применение матричных излучателей; сочетание НИЛИ с лекарственными препаратами местного действия (лазерофорез), с постоянным магнитом (магнитолазерная терапия), с вакуумным массажем и т. д.

Различают следующие методики воздействия:

1.  контактную, когда излучающая головка находится в непосредственном контакте с облучаемой поверхностью;

2.  контактно-зеркальную, когда излучающая головка находится в контакте с облучаемой поверхностью через зеркальную или зеркально-магнитную насадку;

3.  дистантную (неконтактную) методику, когда имеется пространство между излучающей головкой и облучаемой поверхностью.(рис.1)

Описание: D:\Документы Динара\Основные методы лазерной терапии_files\clip_ima.gif

Рис. 1

К контактно-зеркальной методике можно отнести и магнитолазерную терапию, когда используют чаще всего (для АЛТ «Матрикс») зеркальный магнит на 50 мТл (ЗМ-50) для головок ЛО1-ЛО7 или КЛО1-КЛО7, а также магнитную насадку ММ-50 для матричных излучателей МЛ01К и МЛ01КР.

При дистантной методике излучатель иногда находится на значительном расстоянии от поверхности тела, например, накручивается на вакуумную банку или иппликатор при лазерно-вакуумном массаже. Увеличение расстояния приводит к увеличению площади воздействия, следовательно, к снижению дозы. К дистантной, стабильной следует отнести вариант методики лазерно-вакуумной терапии для реализации методики ЛЛОД при лечении эректильной дисфункции.

Воздействие на рефлекторные зоны

Воздействие на точки акупунктуры — корпоральные и аурикулярные.

Точка акупунктуры (ТА) — это проецируемый на кожу участок наибольшей активности системы взаимодействия: покров тела — внутренние органы. Раздражение ТА сопровождается изменениями физиологических характеристик соответствующих органов, нормализующими их нарушенную деятельность. Органонаправленные, сегментарные и общие реакции организма могут иметь не только тонизирующий, но и снижающий тонус характер.

Особенности методик лазерной рефлексотерапии:

малая зона воздействия (диаметр 0,5—3 мм);

неспецифический характер фотоактивации рецепторных структур;

возможность вызвать направленные рефлекторные реакции;

неинвазивность воздействия, асептичность, комфортность;

возможность точного дозирования воздействия;

возможность применения метода для решения практических задач на определенном этапе лечения — как самостоятельного, так и в сочетании с различными медикаментозными, дието- и фитотерапевтическими видами лечения.

Врач должен хорошо знать локализацию ТА и сразу ставить оптическую насадку аппарата на зону нужной ТА с небольшой компрессией мягких тканей перпендикулярно поверхности кожи. (рис.2)


Описание: D:\Документы Динара\Основные методы лазерной терапии_files\clip_imb.gif

Рис.2

Параметры воздействия при акупунктурной методике: непрерывным или модулированным красным (0,63 мкм) лазерным излучением (АЛТ «Матрикс», головка КЛО3 с акупунктурной насадкой А-3), мощность на торце акупунктурной насадки 0,8—2 мВт (без модуляции) и 0,3—0,8 мВт (с модуляцией), экспозиция на корпоральную ТА 15—30 с. Частота модуляции излучения чаще всего в диапазоне 2—4 Гц [Буйлин В.А., 2002]. При воздействии на аурикулярные точки применяют лазерное излучение с длиной волны 0,532 мкм (зеленый спектр, излучающая головка ЛО-532-1 с акупун-ктурной насадкой А-3), т. к. излучение с данной длиной волны поглощается значительно сильнее, нет рассеяния, и таким образом обеспечивается избирательность воздействия. Мощность на торце акупунктурной насадки 0,5—1,0 мВт (диаметр световода 0,8—1 мм), без модуляции, экспозиция на аурикулярную ТА 5—10 с [1]

Воздействие на зоны Захарьина-Геда

Важным диагностическим критерием для врача служит повышение тактильной и болевой чувствительности в ограниченных участках кожи, наблюдающееся при заболеваниях внутренних органов. Предполагают, что болевые и неболевые кожные афферентные волокна и висцеральные афференты, принадлежащие определенному сегменту спинного мозга, конвергируют на одних и тех же нейронах спиноталами-ческого пути. При этом в какой-то степени теряется информация о том, от каких внутренних органов поступило возбуждение, и кора головного мозга «приписывает» это возбуждение раздражению соответствующих областей кожи. Подобные кожные боли, наблюдающиеся при заболеваниях внутренних органов, называются отраженными болями, а области, где возникают эти боли, — зонами Захарьина—Геда. Границы этих зон обычно размытые и соответствуют корешковому распределению кожной чувствительности      [10].(рис.3)

Описание: D:\Документы Динара\Основные методы лазерной терапии_files\clip_ima.jpg

Рис. 3

Параметры воздействия на зоны Захарьина—Геда (дерматомы). Чаще всего применяют матрицы из импульсных ИК-лазеров — МЛ01К или импульсных красных лазеров МЛ01КР для АЛТ «Матрикс». Частота повторения импульсов 80 Гц, мощность 40—50 Вт (30—35 Вт для МЛ01КР), в течение 1,5—2 мин, контактно.

Воздействие на паравертебральные зоны

Известно, что низкоинтенсивное лазерное излучение способно непосредственно воздействовать на нервные клетки и влиять на механизмы нейрогуморальной регуляции. Экспериментально-клинические исследования и многолетний практический опыт подтвердили возможность существенного повышения эффективности лазерной терапии при одновременном воздействии на очаг патологии и паравертебральную зону, соответствующую этому очагу. Такое комбинирование методик позволяет усилить эффекты местного воздействия НИЛИ и обеспечить ответную реакцию нервной системы, как на уровне всего организма, так и направленную на очаг патологии [1].

Параметры паравертебральной методики. В урологической практике чаще всего задействуются зоны нижней части грудного, поясничный и крестцовый отделы спинного мозга. Используют две излучающие головки ЛО2 (ЛО3), длина волны излучения 0,89 мкм, импульсная мощность 5—12 Вт, частота 80—300 Гц, контактно-зеркальная методика или МЛТ с зеркальной насадкой 50 мТл (ЗМ-50), стабильно, паравертебрально, 0,5—2 мин на зону.

Воздействие на проекции внутренних органов

Является одним из наиболее распространенных методов. Ранее использовали практически только импульсные инфракрасные (длина волны 0,8—0,9 мкм) лазеры, излучение которых проникает глубже, а импульсный режим оказался наиболее эффективным. В ходе экспериментальных и клинических работ с импульсными лазерами, излучающими в красной области спектра, нами была доказана высокая эффективность ЛТ такими лазерами [1]. Наши данные также позволяют с уверенностью говорить о более высокой эффективности комбинированного воздействия лазерным излучением ИК и красной областей. Для данной методики впервые в мире нами был разработан импульсный лазер, работающий в красной области спектра (0,63—0,65 мкм) [1]. Такие лазеры используются в излучающих головках ЛОК2, МЛ01КР и МЛС-1 для АЛТ «Матрикс».

Применение матричных импульсных лазеров (большая площадь воздействия с равномерно распределенной плотностью мощности излучения) позволяет также значительно повысить эффективность лазерной терапии и получить более стабильный эффект. За счет рассредоточения источников излучения на поверхности тела световой поток воздействует на больший объем биологических тканей по сравнению с точечным излучателем. Благодаря этому обеспечивается наиболее вероятное «попадание» энергии на патологический очаг, локализация которого не всегда точно известна и может меняться относительно поверхности тела при изменении положения самого пациента.

Параметры методики: матричная импульсная ИК-лазерная головка МЛ01К для АЛТ «Матрикс», длина волны 0,89 мкм, мощность 40—50 Вт (30—35 Вт для МЛ01КР), стабильно контактно 1,5—2 мин на зону. Часто используют МЛТ с магнитной насадкой 50 мТл (ММ-50). При комбинировании импульсного красного и ИК-лазеров временной интервал между воздействиями составляет 1,5—2 мин [1].

Воздействие на проекции сосудистых пучков

Осуществляется как на кровеносные, так и на лимфатические сосуды. Наиболее известна методика воздействия на синокаротидную зону (проекции внешних сонных артерий) симметрично, чаще всего при различных цереброваскулярных патологиях [10]. Метод может использоваться как альтернатива внутривенному лазерному облучению крови (ВЛОК). Эффекты, вызываемые как внутривенным, так и различными вариантами надартериального или надвенного лазерного облучения крови, идентичны, но подавляющее большинство врачей на основе своего клинического опыта отдает предпочтение ВЛОК.

Параметры методики: АЛТ «Матрикс», матричная импульсная ИК-лазерная головка МЛ01К, длина волны 0,89 мкм, мощность 40—50 Вт (30—35 Вт для МЛ01КР), стабильно контактно 1,5—2 или 5 мин на зону. Иногда используют МЛТ с магнитной насадкой 50 мТл (ММ-50). Менее эффективно использовать излучающие головки с одним лазером. В любом случае применяют импульсные лазеры. При комбинировании импульсного красного и ИК лазеров временной интервал между воздействиями составляет 1,5—2 мин [1].

Воздействие на проекции иммунокомпетентных органов

Метод используется при различных иммунодефицитных состояниях, осуществляется воздействие непосредственно на проекцию составляющих иммунной системы. Исследования показали, что НИЛИ влияет практически на все — как гуморальные, так и клеточные — компоненты иммунной системы, однако направленность воздействия может меняться в зависимости от очень многих факторов. Выбор методики достаточно индивидуален для каждой нозологии, но литературы по этой теме вполне достаточно, чтобы определиться с назначением оптимальной схемы лечения каждому специалисту в своей области.

Параметры методики: АЛТ «Матрикс», матричная импульсная ИК-лазерная головка МЛ01К, длина волны 0,89 мкм, мощность 40—50 Вт (30—35 Вт для МЛ01КР), стабильно контактно 1,5—2 мин на зону. Иногда используют МЛТ с магнитной насадкой 50 мТл (ММ-50). Вполне допустимо использование излучающих головок с одним лазером. В любом случае применяют импульсные лазеры. При комбинировании импульсного красного и ИК-лазеров временной интервал между воздействиями составляет 1,5—2 мин [1].


1.2  Внутриполостные методы

Внутриполостные методы лазерной терапии

Различаются по локализации доступа к полым органам. Процедуры проводят с помощью специализированных оптических насадок  посредством которых лазерное излучение доставляют в необходимую область с заданным пространственным распределением энергии. Используют как непрерывное, так импульсное излучение практически всех спектральных диапазонов. Поскольку площадь воздействия строго задана формой оптической насадки, мощность излучения устанавливается, как правило, на максимальный уровень (напоминаем, что у насадок есть потери). Варьирование дозой в данном случае осуществляется только временем воздействия и частотой для импульсного режима.

В урологии наибольшее распространение получила внутриполостная методика сочетанной лазерной терапии неспецифических воспалительных заболеваний предстательной железы с использованием специальной вибро-магнитолазерной головки ВМЛГ-10, которая описана подробно в соответствующем разделе частных методик.

1.3 Внутрисосудистый метод воздействия.

Внутривенное лазерное облучение крови (ВЛОК)

Одним из наиболее распространенных способов терапевтического воздействия НИЛИ на организм человека является ВЛОК, которое в настоящее время успешно используется в самых различных областях медицины. Глубокая научная проработка вопроса и прогнозируемость результатов терапии способствуют применению ВЛОК как самостоятельно, так и в комплексе с другими методами лечения. Трудно найти аналог ВЛОК по простоте применения, универсальности и эффективности лечения.

Появившаяся недавно уникальная аппаратура, разработанная совместно Научно-исследовательским центром «Матрикс» и ФГУ «ГНЦ лазерной медицины Росздрава» — лазерный терапевтический аппарат «Матрикс-ВЛОК» — позволяет проводить воздействие излучением с несколькими длинами волн, от 0,36 (УФО) до 0,9 мкм, и мощностью от 1 до 35 мВт, что обеспечивает максимально эффективные режимы лечения.

Универсальность биологического действия НИЛИ в целом, и метода ВЛОК непосредственно, обусловлена влиянием на низший (субклеточный и клеточный) уровень регулирования и поддержания гомеостаза, а при возникающих нарушениях этих механизмов, являющихся истинной причиной многих заболеваний, воздействие НИЛИ корректирует и стратегию адаптации (физиологических реакций) более высокого уровня организации живого. Например, улучшение под действием НИЛИ кислородно-транспортной функции эритроцитов и реологических свойств крови приводит, в свою очередь, к улучшению трофического обеспечения и микроциркуляции практически во всех органах и тканях. А уже в зависимости от конкретной локализации патологического очага мы говорим о той или иной области медицины, в которой получен положительный эффект от применения ВЛОК.

Всю совокупность изменений в крови, наблюдаемых при ВЛОК, необходимо рассматривать в значительной степени как отклик системы регулирования гомеостаза на патологические процессы в отдельных органах и тканях, не выделяя принципиально одно звено как ведущее. Основными механизмами лечебных факторов ВЛОК являются:

коррекция клеточного и гуморального иммунитета;

повышение фагоцитарной активности макрофагов;

усиление бактерицидной активности сыворотки крови и системы комплемента;

снижение уровня С-реактивного белка, уровня средних молекул и токсичности плазмы;

возрастание в сыворотке крови содержания иммуноглобулинов IgA, IgM, IgG, а также изменение уровня циркулирующих иммунных комплексов;

увеличение количества лимфоцитов и изменение их функциональной активности;

увеличение способности Т-лимфоцитов к розеткообразованию и ДНК-синтетической активности лимфоцитов, стабилизация соотношения субпопуляции Т-хелперов/Т-супрессоров;

повышение неспецифической резистентности организма;

улучшение реологических свойств крови и микроциркуляции;

регуляция гемостатического потенциала крови;

сосудорасширяющее действие;

противовоспалительное действие;

аналгезирующее действие;

нормализация ионного состава крови;

повышение кислородно-транспортной функции крови, а также уменьшение парциального напряжения углекислого газа;

увеличивается артериовенозная разница по кислороду, что является признаком нормализации тканевого метаболизма;

нормализация протеолитической активности крови;

повышение антиоксидантной активности крови;

нормализация процессов ПОЛ в мембранах клеток;

стимуляция эритропоэза;

стимуляция внутриклеточных систем репарации ДНК при радиационных поражениях;

нормализация обменных процессов (белкового, липидного, углеводного, внутриклеточного энергетического баланса);

нормализация и стимуляция регенераторных процессов.

Показания для внутривенного лазерного облучения крови определяются механизмами биологического действия НИЛИ (см. выше) и особенностями клинического применения метода.

Противопоказания. Необходимо обратить внимание на то обстоятельство, что некоторые противопоказания для общеклинической практики отнюдь не являются таковыми для узких специалистов, работающих в специализированных учреждениях или подразделениях.

Существует также ряд ограничений для проведения ВЛОК. В литературе упоминаются следующие противопоказания:

все формы порфирии и пеллагра;

фотодерматозы и повышенная чувствительность к солнечным лучам;

гипогликемия и склонность к ней;

приобретенные гемолитические анемии;

геморрагический инсульт;

подострый период инфаркта миокарда;

почечная недостаточность;

гемобластозы в терминальной стадии;

кардиогенный шок;

крайне тяжелые септические состояния;

выраженная артериальная гипотония;

гипокоагуляционный синдром;

застойная кардиомиопатия;

лихорадочные состояния неясной этиологии;

повышенная кровоточивость.

Не следует назначать ВЛОК пациентам, которые получают гепарин и другие антикоагулянты.[2]


2. Обзор известных технических средств для проведения лазерной терапии

лазерная терапия лечебный

2.1 Аппарат для магнитолазерной терапии «МИЛТА-Ф-8-01»

Аппарат «МИЛТА-Ф-8-01» - современная модель аппаратов серии «МИЛТА», предназначенная для оснащения лечебных учреждений различного профиля. Изобретение относится к медицинской технике, а именно к устройствам для диагностики и физиотерапевтического воздействия инфракрасным лазерным и светодиодным излучениями в сочетании с магнитным полем на внутренние и внешние ткани биологического объекта, в том числе при диагностике и лечении нарушений в сердечной деятельности.[7]

Лечебные эффекты: противовоспалительный, иммуномодулирующий, анальгетический, бактерицидный, противоотечный, нейротрофический и др.

Аппарат для диагностики и магнитолазерной терапии состоит из терминала 2 и пульта управления 1.(рис.4)

Пульт управления 1 содержит блок цифровой индикации 11, блок звуковой индикации 25, источник питания светодиодов 13, соединенный со светодиодами 4 терминала 2, источник питания лазерного излучателя 14, соединенный с лазерным излучателем 5 терминала 2, а также синхронизатор 18, состоящий из последовательно соединенных усилителя сигналов сердечного ритма 19, вход которого является сигнальным входом аппарата, селектора R-зубцов 20, формирователя пачек импульсов 21, первого переключателя 24, соединенного с выходом формирователя пачек импульсов 21, дисплея 22, второй вход которого соединен со вторым выходом усилителя сигналов сердечного ритма 19, пульт управления содержит также микропроцессор 12, блок адаптации 15 и блок переключения режимов 26, соединенный с входом коммутации микропроцессора.

Терминал 2 содержит светодиоды 4, фотодиод 7, лазерный излучатель 5, источник постоянного магнитного поля 6, одна сторона которого представляет лицевую часть терминала 2, фотоприемник 10, второй переключатель 9, по крайней мере, один дополнительный фотодиод 8 и камеру 3, внутренняя поверхность которой выполнена с возможностью отражения оптического излучения, причем камера 3 размещена между внутренними поверхностями источника постоянного магнитного поля 6, одно из оснований камеры 3 представляет лицевую плоскость терминала 2, а на другом основании камеры 3 жестко установлены светодиоды 4, фотодиод 7, лазерный излучатель 5, при этом дополнительный фотодиод 8 установлен в отверстии, выполненном в источнике постоянного магнитного поля 6, и через второй переключатель 9 подключен к фотоприемнику 10, к которому через второй переключатель 9 также подключен и фотодиод 7, при этом выход фотоприемника 7 соединен с индикаторным входом микропроцессора 12, к индикаторному выходу которого подключен блок цифровой индикации 11, а к выходу микропроцессора 12 подключен блок звуковой индикации 25, при этом к первому и второму запускающим выходам микропроцессора 12 подключены соответственно вход источника питания светодиодов 13 и вход источника питания лазерного излучателя 14, при этом запускающий вход микропроцессора 12 через первый переключатель 24 подключен к запускающему входу аппарата 23, а информационный вход-выход микропроцессора через блок адаптации 15 подключен к информационному входу-выходу аппарата 16.

Лечебно-диагностический магнитолазерный аппарат может работать:

- в автономном режиме;

- в режиме внешнего запуска лазера от постороннего генератора;

- в кардиологическом режиме.

1.  В автономном режиме работы микропроцессор 12 формирует импульсы запуска лазера, которые через запускающий выход микропроцессора поступают на источник питания лазерного излучателя 14. Частота следования импульса и временная экспозиция работы аппарата дискретно задаются микропроцессором 12 и устанавливаются с помощью блока переключения режимов 26, а величина их отображается на блоке цифровой индикации 11. После установления требуемых частоты повторения лазерного излучения и экспозиции устанавливается заданный уровень излучения светодиодов 4. Для этого терминал 2 размещается в специальное ложе на корпусе пульта управления 1, к фотоприемнику 10 через переключатель 9 подключается фотодиод 7, включаются светодиоды 4 и по отраженному от ложа терминала сигналу, по показаниям блока цифровой индикации 11 устанавливается требуемый уровень мощности излучения светодиодов 4. Излучение отключается. Аппарат готов к работе.

Терминал 2 накладывают на биообъект и кнопкой "Пуск" включают излучение лазерного излучателя 5 и светодиодов 4, отраженный от биообъекта сигнал поступает соответственно на фотодиоды 7 и 8, причем на фотодиод 7 поступает сигнал, отраженный от поверхностных слоев биообъекта, а на фотодиод 8 - от подповерхностных (внутренних) слоев. Величина этих отраженных сигналов зависит от многих факторов, в том числе от наличия патологии (опухоль, гной, перелом, ожог и т.д.). Подключая к фотоприемнику 10 фотодиод 7 или фотодиод 8, можно диагностировать наличие патологии на поверхности или внутри биообъекта и ее локализацию по показаниям блока цифровой индикации 11.

Микропроцессор 12 формирует сигнал, поступающий на блок звуковой индикации 25, сигнал которого извещает о готовности аппарата к работе и об окончании облучения (конец экспозиции).

Блок адаптации 15 аппарата позволяет управлять микропроцессором, задавая с внешнего компьютера необходимый режим работы для конкретного пациента и получать на компьютере информацию о результатах работы с пациентом (мощность излучения светодиодов, частота повторения лазерного излучателя, энергия (доза), полученная пациентом за время сеанса, коэффициент отражения от биообъекта и др.).

2.  В режиме внешнего запуска аппарата на запускающий вход аппарата 23 от внешнего генератора поступает запускающий импульс, который через первый переключатель 24 поступает на микропроцессор 12, где формируется импульс запуска лазера с частотой, определяемой внешним генератором. Все остальные операции при работе с аппаратом и биообъектом такие же, как и при автономном режиме, за исключением установки частоты повторения лазерного излучения, которая теперь задается внешним генератором.

3.  В кардиологическом режиме работы сигналы от электродов, установленных на биообъекте, поступают на сигнальный вход аппарата 17 и через усилитель сигналов сердечного ритма 19 - на дисплей 22 и селектор R - зубцов 20. Усилитель сигналов сердечного ритма 19 формирует электрический сигнал, соответствующий электрокардиограмме сердца пациента, который и наблюдается на дисплее 22. Селектор R-зубцов 20 формирует импульс, синхронный с R-зубцом, который поступает на формирователь пачки импульсов 21.

Оператор с помощью пульта управления 1 может регулировать количество импульсов в пачке от 1 до 20 и их задержку по отношению к R-зубцу в пределах цикла сердечной деятельности. Сформированный в формирователе пачек импульсов 21 сигнал через первый переключатель 24 поступает в микропроцессор 12, где формируется пачка импульсов, запускающая лазерный излучатель 5.

Одновременно с формирователя пачки импульсов 21 на дисплей 22 поступает строб-импульс, позволяющий на кардиограмме наблюдать фазу (время задержки) пачки импульсов по отношению к R-зубцу.

При работе с пациентом терминал 2 накладывается на область сердца со стороны груди. Все остальные операции при работе с аппаратом и биообъектом такие же, как и в автономном режиме, за исключением установки частоты повторения лазерного излучения, которая в данном случае определяется частотой биения сердца.[7]

Описание: C:\Documents and Settings\Admin\Local Settings\Application Data\Opera\Opera\temporary_downloads\2143293.tif

Рис.4

1 - Пульт управления; 2 – Терминал; 3 – Камера; 4 – Светодиоды;5 - Лазерный излучатель; 6 - Источник постоянного магнитного поля; 7 – Фотодиод;

8 - Дополнительный фотодиод; 9 - Второй переключатель;10 - Фотоприемник

11 - Блок цифровой индикации;12 – Микропроцессор;13 - Источник питания светодиодов;14 - Источник питания лазерного излучателя;15 - Блок адаптации

16 - Информационный вход-выход аппарата;17 - Сигнальный вход аппарата

18 – Синхронизатор;19 - Усилитель сигналов сердечного ритма; 20 - Селектор R-зубцов ; 21 - Формирователь пачек импульсов; 22 – Дисплей;

23 - Запускающий вход аппарата; 24 - Первый переключатель; 25 - Блок звуковой индикации;26 - Блок переключения режимов.

Технические характеристики «МИЛТА-Ф-8-01» [9]

Лазерное излучение, длина волны, мкм        0,85-0,89 инфракрасное

Импульсная мощность лазера, Вт                   5-7

Частота повторения импульсов лазера, Гц              8 частот:

Мощность излучения светодиодов, мВт         любое значение от 0 до 120

Встроенный фоторегистратор (Уст. дозу обл.)    есть

Напряжение электропитания, В                                 220

Потребляемая мощность, Вт                                       35

Габаритные размеры (д/ш/в),мм                       240х215х215

Масса в кейсе-футляре, кг                                   3,5

Габаритные размеры (с упаковкой), мм            330х260х120

2.2 Аппарат для проведения лазерной терапии «Узор»

Изобретение относится к медицинской технике, а именно к приборам, основанным на импульсном лазерном излучении, применяемым в терапии.

Известный аппарат применяется для лечения круга заболеваний, таких как суставной ревматизм. Отсутствие в аппарате возможности изменения (путем регулировки) импульсной мощности лазерного излучения не позволяет оптимизировать лазерное воздействие на организм пациента. Под оптимизацией понимается возможность индивидуального подбора параметров излучения при данном конкретном заболевании индивидуально для данного пациента для достижения оптимального терапевтического эффекта, с одной стороны, при недопущении избыточного облучения, с другой стороны.

К достоинствам известного аппарата относится то, что он обладает техническими характеристиками, позволяющими эффективно использовать его для лазерной терапии и диагностики в различных областях экспериментальной медицины. К недостаткам аппарата относится то, что он может работать только в стационарных условиях в силу своих габаритных размеров и веса, а также и то, что использование высокого напряжения для работы аппарата снижает его электробезопасность в целом. [7]

На рис. 5 представлена функциональная схема предлагаемого лазерного аппарата.

Описание: C:\Documents and Settings\Admin\Local Settings\Application Data\Opera\Opera\temporary_downloads\2033212.tif

Рис.5

Полупроводниковый инжекционный излучатель 1, накопитель энергии 2, транзисторный ключ 3, генератор 4 последовательности импульсов, таймер 5, источник 6 питания, стабилизатор 7 напряжения, индикатор 8 напряжения питания.

В аппарате имеется внутренний узел контроля напряжения питания. Он с помощью светодиода сигнализирует о состоянии источника питания. При нормальном напряжении питания светодиод излучает непрерывно. При снижении напряжения питания ниже порогового уровня светодиод мигает. Это значит, что необходимо сменить источник питания или зарядить его.

Аппарат выключается повторным нажатием кнопки пуск/стоп, либо автоматически, через время, определяемое положением встроенного в схему регулятора.

Технические характеристики аппарата «Узор».[9]

Режим излучения                                                                       Импульсный

Длина волны излучения                                                            0,89 мкм

Частота повторения импульсов                                                300-3000 Гц

Частота следования пачек импульсов                                      1-100 Гц

Длительность импульса лазерного излучения                     не менее 70 нс

Мощность импульса лазерного излучения                                      1-10 Вт

Средняя мощность лазерного излучения, регулируемая до           5 мВт

Напряжение питания                                                                          6-9 В

Максимальный ток потребления                                                       50 мА

Максимальная потребляемая мощность                                         350 мВт

Время автономной работы в максимальных режимах                      2 ч

Среднее время работы без технического обслуживания                 2000 ч

Габаритные размеры                                                    280 х диаметр 30 мм

Масса,                                                                                       не более 300 г

Диапазон рабочих температур                                                        0-45оС

2.3 Аппарат для проведения лазерной терапии «УГХ-01Л ЭЛАТ.»

Изобретение относится к медицинской технике, а именно к устройствам для физиотерапевтического воздействия лазерным излучением. Данное лазерное терапевтическое устройство относится к устройствам управляемой генерации лазерного излучения медицинского назначения, использующим в качестве источников полупроводниковые лазеры, и предназначенным для терапии внутренних органов и кожных покровов.

Недостатком известного устройства является

- использование лазерных диодов, требующих для управления мощные внешние схемы накачки, что делает невозможным совмещение нескольких независимо управляемых каналов излучения в пределах одного малогабаритного ручного излучателя.

- недостаточно широкий частотный диапазон;

- малое число устанавливаемых значений частот следования импульсов излучения, обусловленное применение простейших схемных решений и не позволяющее производить эффективное лечение пораженных тканей с различной морфологией;

-запуск лазерной экспозиции с блока управления и отсутствие органа контроля включения экспозиции на излучателе, снижающие контроль за соблюдением требований лазерной безопасности.

-Не учтена обратная частотная зависимость импульсной мощности лазерного излучения при постоянном напряжении питания лазера, что может приводить к импульсным перегрузкам в области нижних частот и преждевременной деградации излучающего кристалла лазера.

Целью изобретения является повышение эффективности воздействия.

Указанная цель достигается тем, что лазерное терапевтическое устройство, включающее схему управления, генератор-формирователь импульсов запуска, стабилизированный источник напряжения и лазерный излучатель снабжается рядом дополнительных схем, а именно: рядом дополнительных генераторов-формирователей импульсов запуска и рядом полупроводниковых лазерных излучателей, рядом регуляторов напряжения питания излучателей; схемой дистанционного управления, выход которой подключен к пусковому входу источника напряжения, запоминающим блоком с множеством записанных кодов частот следования импульсов запуска, адресный вход которого соединен с выходом адреса кода частоты схемы управления, а информационный выход - с входом записи частоты каждого генератора-формирователя.

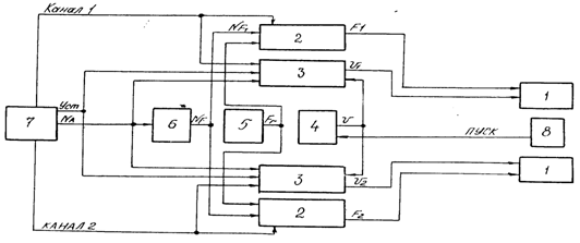
На рис. 6 представлена блок-схема двухканального лазерного терапевтического устройства УГХ-01Л ЭЛАТ.[7]

Устройство лазерное терапевтическое УГХ-01Л ЭЛАТ (см.рис. 6) содержит: два полупроводниковых лазерных излучателя 1, входы запуска которых соединены с выходами F1, F2 генераторов-формирователей 2 импульсов запуска, а входы питания - с выходами U1, U2 регуляторов 3 напряжения питания излучателей, два генератора-формирователя 2 импульсов запуска, входы записи частоты NF1, NF2 которых соединены с выходом запоминающего блока 6, тактовые входы - с выходом генератора 5 тактовых импульсов, а входы управления записью - с выходами выбора канала КАНАЛ 1, КАНАЛ 2 схемы управления 7.

Устройство также содержит два регулятора 3 напряжения питания излучателей, входы управления которых соединены с выходом установки УСТ, выходами КАНАЛ 1, КАНАЛ 2, выходом NA адреса кода частоты, схемы управления 7, а пусковые входы - с выходом U источника стабилизированного напряжения 4, запоминающий блок 6, вход которого соединен с выходом NA схемы управления 7, схему 8 дистанционного управления, выход которой подключен к пусковому входу источника 4.[7]

Описание: C:\Documents and Settings\Admin\Local Settings\Application Data\Opera\Opera\temporary_downloads\2008955.tif

Рис.6

полупроводниковые лазерных излучателя 1, генераторы-формирователи 2 импульсов запуска, регуляторов напряжения питания излучателей 3, источника стабилизированного напряжения 4, генератор тактовых импульсов  5, запоминающего блока 6, схемы управления 7, схема дистанционного управления 8.

2.4 Лазерный терапевтический аппарат "АЛЬФА-1МК"

Лазерный терапевтический аппарат "АЛЬФА-1МК" представляет собой усовершенствованную модель лазерной аппаратуры серии "АЛЬФА". В ранее выпускавшихся аппаратах использовалось только невидимое инфракрасное излучение с длиной волны в диапазоне 0,8-0.95 мкм в импульсном и непрерывном режимах. В аппаратах " АЛЬФА-1МК"импульсный излучатель работает в невидимом инфракрасном диапазоне, а непрерывный в видимом красном диапазоне с длиной волны 0,67 мкм. Замена непрерывного инфракрасного излучателя излучателем видимого красного диапазона повышает доверие пациента и соответственно психоэмоциональный эффект лечения, а также позволяет более широко применять ранее освоенные методики использования гелий-неоновых лазеров.[9]

Аппарат предназначен для применения в физиотерапии, гинекологии, урологии, неврологии, хирургии, стоматологии, рефлексотерапии, дерматологии, кардиологии, пульманологии и других областях медицины при лечении с использованием монохроматического низкоинтенсивного оптического импульсного излучения ближней инфракрасной области спектра, непрерывного излучения красной области видимого диапазона и слабых магнитных полей таких заболеваний как артрозы, артриты, заболевания кожи, стоматиты, простатит, трофические и плохо заживающие послеоперационные язвы, гинекологические заболевания, ишемическая болезнь сердца, заболевания легких, невриты, невралгии, радикулиты, остеохондрозы, риниты, гаймориты, тонзиллиты, воспалительные и дистрофические заболевания опорнодвигательного аппарата, внутренних органов, периферической нервной системы и др.

Аппарат может быть использован в лечебно-профилактических и санаторно-курортных учреждениях, а также при проведении медико-биологических исследований.[9]

Технические характеристики аппарата АЛЬФА-1МК.

Длина волны излучения, мкм                                  импульсное  0,8-0, 95

непрерывное  0, 63-0, 69

Режим излучения                                              импульсный, непрерывный

Частота следования оптических импульсов

дискретная, Гц                                                              50; 1000; 3000; 5000

Регулировка частоты ВНУТРИ диапазона

(минимальная частота импульсов - 10 Гц)        плавная с перекрытием диапазона

Время облучения (с дискретной установкой)

• мин                                                                                    до 9, 5

Режим работы аппарата                                                    автоматический

Питание аппарата:

Напряжение                                                                    220В частота, Гц 50

Потребляемая мощность не более, Вт                                   20

диапазон рабочих температур, с                                                 +10 - +35

Габаритные размеры, мм                                               320X260X135

масса аппарата не более, кг                                                     4, 4

Длительность импульса

оптического излучения 0, 5 не менее,                                 7*10-8

Наибольшее значение средней мощности

оптического излучения не менее, мВт:            - в непрерывном режиме 5

- в ИМПУЛЬСНОМ режиме 4

Погрешность измерения значения

средней мощности  не более,  t                                                   20

3. Техника безопасности при работе с лазерными приборами.

1.  При работе с лазерами необходимо соблюдать требования безопасности, изложенные в ГОСТ Р 507023-94 «Лазерная безопасность. Общие требования» и Санитарных нормах и правилах устройства и эксплуатации лазеров №5804-91.

2.  Лазеры устанавливают в кабинах, занавешенных шторами из  светопоглощающего материала.

3.  Запрещается смотреть навстречу прямому и зеркально отраженному лучу.

4.  В случае использования лазерного излучения видимого диапазона, а также средневолнового ультрафиолетового излучения на глаза медицинского персонала и больных необходимо надевать очки с темной окраской стекол и боковой защитой типа СЗС.22 (по ГОСТ 124.003-74).

5.  В кабинетах лазеротерапии стены и потолок должны иметь матовое покрытие. При этом стены окрашиваются масляной краской в цвет, способствующий максимальному поглощению отраженных лучей (зеленый, салатный).

6.  В кабинете рядом с лазером (0,7 м от него) необходимо разместить кушетку для пациента, а также обеспечить свободный доступ обслуживающего персонала к пульту управления и проход пациента к кушетке. Расстояние между лазером и стеной кабинета (стенкой процедурной кабины, другим аппаратом) должно быть не менее 1 м. Двери помещений должны быть оборудованы внутренними замками, иметь табло «Посторонним вход воспрещен!» и знак лазерной опасности.

В физиотерапевтических отделениях и кабинетах применяют лазерные установки, аппараты и приборы, которые по интенсивности излучения относятся к низкоинтенсивным и, согласно технически требований к лазерным аппаратам, входят в классы 1,2, За. Согласно ГОСТу Р 50723-94 они могут использоваться в кабинетах ФТО с указателем на кабине, где находится лазерный аппарат, знака лазерной опасности. Лазерные установки 3 и 4 класса опасности должны размещаться в отдельных помещениях. Стены должны изготавливаться из несгораемых материалов с матовой поверхностью. Двери помещений должны закрываться на внутренние замки с блокирующими устройствами, исключающими доступ в помещение во время работы лазеров. На двери должен быть знак лазерной опасности и автоматически включающееся световое табло "Опасно, работает лазер!". Персонал, допускаемый к работе с лазерами, должен пройти инструктаж и специальное обучение безопасным приемам и методам работы.[8]


4.Выбор аппарата для проведения лазерной терапии методом анализа иерархий

Проблема


Рис.7. Иерархия проблемы

Таблица 1. Матрица парных сравнений для уровня 2.

Длина волны Мощность излучения Потребляемая мощность Вектор приоритетов
Длина волны 1 1/3 6 0.44
Мощность излучения 3 1 4 0.48
Потребляемая мощность 1/6 1/4 1 0.08

λmax=3,1 ИС=0,05 ОС=0.08

Таблица 2. Выбор критерия: матрица парных сравнений для уровня 3.

Длина волны «Милта» «Узор» «Альфа 1М» Вектор приоритетов
«Милта» 1 6 1/3 0.41
«Узор» 1/6 1 1/5 0.07
«Альфа 1М» 3 5 1 0.5

λmax=3,2 ИС=0,1 ОС=0.17

Мощность излучения «Милта» «Узор» «Альфа 1М» Вектор приоритетов
«Милта» 1 9 7 0.62
«Узор» 1/9 1 8 0.33
«Альфа 1М» 1/7 1/8 1 0.04


 

 λmax=3,3 ИС=0,12 ОС=0.2

Потребляемая

мощность

«Милта» «Узор» «Альфа 1М» Вектор приоритетов
«Милта» 1 1/9 1/3 0.06
«Узор» 9 1 1/5 0.5
«Альфа 1М» 3 5 1 0.43

λmax=3.3 ИС=0,12 ОС=0.2

Таблица 3.Результирующая таблица.

0.44 0.48 0.08 Глоб.вектор приоритетов
«Милта» 0.41 0.62 0.06 0.37
«Узор» 0.07 0.33 0.5 0.3
«Альфа 1М» 0.5 0.04 0.43 0.32

Результат: На основании значения компонентов вектора обобщенных приоритетов выбран вариант, имеющий максимальную величину-аппарат «Милта».


5.Организация отделений физиотерапии. Требования к помещениям для проведения физиотерапевтических процедур

Общие положения

Рациональное устройство, оборудование и планировка кабинетов ФТО должны обеспечивать эффективное использование всех современных методов физиотерапии, создание для больных наиболее комфортных условий в процессе приема лечебных процедур и отдыха, соблюдение техники безопасности и норм охраны труда работников ФТО.

Размещение и устройство помещений ФТО должно соответствовать действующим Строительным Нормам и Правилам САНПИН 2.1.3.1375-03, введенным Постановлением Главного Государственного Санитарного врача Российской Федерации № 124 от 6 июня 2003 года (рег.№ в Минюсте 4709 от 18 июня 2003года) и отраслевому стандарту ОСТ 42-21-16-86 "ССБТ. Отделения, кабинеты физиотерапии, общие требования безопасности" (1986 г.), введенному в действие приказом МЗ СССР от 4.11.86 года №1453.

Здания лечебных учреждений, в которых расположены ФТО, должны быть оборудованы системами приточно-вытяжной вентиляции с механическим побуждением и естественной вытяжной без механического побуждения. Состав и площадь помещений ФТО определяются заданием на проектирование на основании расчетного количества процедур: физиотерапевтические процедуры (электрофототерапия, теплотерапия, пелоидотерапия и др.), массаж, лечебная физическая культура (в том числе бассейны, ванны для лечения движением в воде), трудо- и механотерапия и др.

Помещения ФТО разрешается использовать только по их прямому назначению. Проведение в них каких-либо других работ, не связанных с эксплуатацией физиотерапевтической аппаратуры, запрещается. Все процедурные кабинеты и кабинеты врачей должны быть оборудованы умывальниками с горячей и холодной водой.

Кроме процедурных кабинетов, ФТО должно иметь следующие помещения:

- кабинет заведующего ФТО -12 м2;

- кабинет врача-физиотерапевта -12 м2;

- кабинет старшей медицинской сестры -12 м2;

- кладовая для хранения переносной медицинской аппаратуры и расходного медицинского имущества -6 м2;

- кабинет текущего ремонта аппаратуры -18 м2;

- бельевая для хранения чистого белья -6 м2;

- кладовая для хранения предметов уборки помещений и грязного белья - 4 м2;

- кладовая для хранения баллонов с углекислотой - 8 м2;

-компрессорная - по нормам СНиП;

- санузлы с умывальниками в шлюзах мужские и женские для больных и персонала - по нормам СНиП.

Поверхность стен, полов и потолков помещений должна быть гладкой, легко доступной для влажной уборки и устойчивой при использовании моющих и дезинфицирующих средств, разрешенных к применению в установленном порядке. Стены палат, кабинетов врачей, холлов, вестибюлей, столовых, физиотерапевтических и других лечебно-диагностических кабинетов с сухим режимом рекомендуется окрашивать силикатными красками (при необходимости  в сочетании с масляными красками). Для окраски потолков может применяться известковая или водоэмульсионная побелка. Полы должны обладать повышенными теплоизоляционными свойствами (паркет, паркетная доска, деревянные полы, окрашенные масляной краской, линолеум). Размещение оборудования и мебели в помещениях ФТО должно обеспечивать доступность для уборки.

В каждом кабинете необходимо предусмотреть сигнализацию для приглашения больных на процедуру и вызова медицинского персонала в процедурную кабину для оказания помощи больному.

В каждом кабинете, где проводят процедуры в положении больных лежа на кушетках, должен быть шкаф с ячейками для хранения индивидуальных простыней, закрепляемых за больными на период лечения.

Кабинеты электро- и фототерапии

Состав и площадь вновь строящихся и реконструированных кабинетов электро- и фототерапии, требования к вентиляции, отоплению, кондиционированию воздуха, освещению помещений должны соответствовать действующим СНиП.

Стены помещений в кабинетах на высоту 2 м следует окрашивать масляной краской светлых тонов, остальную часть стен и потолок - клеевой. Облицовка стен керамической плиткой запрещается. Пол должен быть деревянным без выбоин или покрыт линолеумом, не образующим статического электричества. Запрещается для покрытия пола и изготовления занавесей процедурных кабин применять синтетические материалы, способные создавать статические электрические заряды.

Площадь кабинетов электро- и фототерапии необходимо планировать из расчета 6 м2 на кушетку, а при наличии одной кушетки - не менее 12 м2.

Отдельно должен быть оборудован кабинет для проведения внутриполостных процедур площадью 18 м2 на одно гинекологическое кресло.

Для проведения лечебных процедур следует оборудовать процедурные кабины, каркас которых выполняется из пластмассовых или хорошо отполированных деревянных стоек, либо металлических (никелированных или покрытых масляной краской) труб. [6]

Металлические конструкции кабин необходимо изолировать от каменных стен и полов путем установки фланцев на подкладках из токонепроводящего материала толщиной 40-50 мм (прокладки из дерева, предварительно проваренные в парафине и окрашенные масляной краской). Крепежные шурупы (болты) фланцев не должны быть длиннее высоты прокладки.

Лазерные установки 3 и 4 класса опасности должны размещаться в отдельных помещениях. Стены должны изготавливаться из несгораемых материалов с матовой поверхностью. Двери помещений должны закрываться на внутренние замки с блокирующими устройствами, исключающими доступ в помещение во время работы лазеров. На двери должен быть знак лазерной опасности и автоматически включающееся световое табло "Опасно, работает лазер!". Лазерные установки 1 и 2 класса опасности разрешается размещать в общих помещениях. В кабинетах лазеротерапии стены и потолок должны иметь матовое покрытие. При этом стены окрашиваются масляной краской в цвет, способствующий максимальному поглощению отраженных лучей (зеленый, салатный). В кабинете рядом с лазером (0,7 м от него) необходимо разместить кушетку для пациента, а также обеспечить свободный доступ обслуживающего персонала к пульту управления и проход пациента к кушетке. Расстояние между лазером и стеной кабинета (стенкой процедурной кабины, другим аппаратом) должно быть не менее 1 м. Двери помещений должны быть оборудованы внутренними замками, иметь табло «Посторонним вход воспрещен!» и знак лазерной опасности. В помещениях для электро- и фототерапии должна быть приточно-вытяжная вентиляция с подачей подогретого воздуха, обеспечивающая 3-4-х кратный обмен воздуха в час, и оконные фрамуги. [6]

Каждое помещение должно иметь самостоятельную питающую линию тока, идущую от распределительного щита, проложенную проводами необходимого по расчету сечения. Для распределения нагрузки по фазам тока вводы следует прокладывать с расчетом при напряжении 380/110 или 220/127 В четырехпроводные. Присоединение к этой линии бытовой электроаппаратуры запрещается. В каждом помещении необходимо оборудовать групповой щит (например, АП-50, А-3114/7), с общим рубильником или пускателем, имеющим обозначение «включено-выключено», на 60-100 А, на котором монтируют сетевой вольтметр с переключателем фаз. Групповой щит следует монтировать с предохранителями Е-27 или автоматическими выключателями максимального тока на 15 А с числом групп соответственно числу установленных аппаратов (в числе аппаратов учитывают также стерилизаторы и другие приборы). Распределительное напряжение для питания аппаратов -127 или 220 В.

В кабинетах электро- и фототерапии нагревательные приборы системы центрального отопления, трубы отопительной, газовой, водопроводной, канализационной систем, а также любые заземленные предметы должны быть закрыты деревянными кожухами, покрытыми масляной краской, по всему протяжению и на высоту, недоступной прикосновению больных и персонала. Вентиляционные отверстия в защитных кожухах над батареями должны быть диаметром не более 4 мм.

Металлические заземленные корпуса аппаратов при контактном размещении электродов следует устанавливать в недоступном для больного месте, а при невозможности соблюдения этого условия доступные для больного заземленные корпуса аппаратов должны быть защищены изолирующими экранами от возможного прикосновения больного.[6]


Заключение

В настоящее время выпускаются десятки аппаратов лазерной терапии (АЛТ): стационарные и переносные; многопрофильные и узкоспециализированные; применяющие лазеры различных типов и их комбинации и т.д. За годы развития лазерной терапии сформировались и требования к аппаратуре, которые в обобщенной форме были сформулированы относительно недавно соответствии с повышением уровня лазерной медицины значительно выросли и требования к современным АЛТ, наступил следующий этап развития лазерной терапевтической аппаратуры, как направления медицинского приборостроения - формирования единой целенаправленной политики в разработке и производстве на основе максимально тесного сотрудничества исследователей различных специальностей, практических врачей и производителей.

Универсальность - один из основополагающих принципов, заложенных в современном "инструменте" врача или исследователя. Основная цель универсальности - с минимальными затратами удовлетворить многочисленные, порой противоречивые требования врачей к аппаратуре. совместить несовместимое позволяет блочный принцип построения аппаратуры.[3]

Анализ литературных данных позволяет сделать следующие выводы о перспективах развития аппаратуры для НИЛТ:

1. Производство универсальных аппаратов, построенных по блочному принципу (базовый блок - излучающая головка - насадка) и позволяющих с минимальными затратами перепрофилировать их для лечения различных заболеваний.

2. Производство узкоспециализированных комплексов, сочетающих, как правило, несколько способов воздействия на организм человека.

3. Производство малогабаритных, автономных, исключительно простых в обращении и максимально безопасных аппаратов, предназначенных для самостоятельного использования их пациентами по назначению и под наблюдением лечащего врача.

4. Разработка и повсеместное внедрение методик НИЛТ, основанных на воздействии несколькими длинами волн монохроматического излучения (синяя, зеленая, красная и инфракрасная) . Реализовать это в малогабаритном и универсальном аппарате позволяют полупроводниковые лазеры с соответствующими длинами волн излучения.

5. Замена непрерывных лазеров на генерирующие наносекундные импульсы пиковой мощностью 1-10 Вт и имеющие среднюю мощность на 2-3 порядка меньше, чем у применяемых сегодня непрерывных лазеров.

6. Реализация многочастотного режима модуляции лазерного излучения всей иерархией эндогенных ритмов конкретного пациента (или максимально возможным набором) , охватывая диапазон от онтогенеза (10-10 Гц) до частот оптического диапазона электромагнитных волн (1014 Гц) , которыми и осуществляется воздействие.

В работе представлены некоторые технические средства для проведения лазерной терапии, приведены их достоинства и недостатки, описаны структурные схемы каждого аппарата и сделан их сравнительный анализ методом иерархий.[3]


Список используемой литературы:

1.  Москвин С.В., Буйлин В.А. Основы лазерной терапии. – М.–Тверь, ООО «Издательство «Триада», 2006. – 256 с.

2.  Гейниц А.В., Москвин С.В., Азизов Г.А. Внутривенное лазерное облучение крови. – Тверь, ООО «Издательство «Триада», 2006. – 250 с.

3.  Н. Д. Девятков, Лазеры в клинической медицине - М.: Медицина, 1981 г., 399 с.

4.  Д. С. Плетнева. Лазеры в клинической медицине. — М., Медицина.

5.  Гримблатов В. М. Современная аппаратура и проблемы низкоинтенсивной лазерной терапии // Применение лазеров в биологии и медицине (Сборник). — Киев, 1996, С. 123 – 127.

6.  Улащик В.С., Луктомский И.В. Общая физиотерапия.- Минск Книжный дом,2004.-512с.,ил.

7.  www.fips.ru

8.  ГОСТ 42-21-16-86  ССБТ. Отделения, кабинеты физиотерапии. Общие требования безопасности.

9.  www.electro-tech.narod.ru

10.  Ениг В. Вегетативная нервная система // Физиология человека / Под ред. Р. Шмидта и Г. Тевса. Т. 2. – М.: Мир, 1996. – С. 343–383.


 
© 2011 Онлайн коллекция рефератов, курсовых и дипломных работ.