рефераты
Главная

Рефераты по авиации и космонавтике

Рефераты по административному праву

Рефераты по безопасности жизнедеятельности

Рефераты по арбитражному процессу

Рефераты по архитектуре

Рефераты по астрономии

Рефераты по банковскому делу

Рефераты по сексологии

Рефераты по информатике программированию

Рефераты по биологии

Рефераты по экономике

Рефераты по москвоведению

Рефераты по экологии

Краткое содержание произведений

Рефераты по физкультуре и спорту

Топики по английскому языку

Рефераты по математике

Рефераты по музыке

Остальные рефераты

Рефераты по биржевому делу

Рефераты по ботанике и сельскому хозяйству

Рефераты по бухгалтерскому учету и аудиту

Рефераты по валютным отношениям

Рефераты по ветеринарии

Рефераты для военной кафедры

Рефераты по географии

Рефераты по геодезии

Рефераты по геологии

Рефераты по геополитике

Рефераты по государству и праву

Рефераты по гражданскому праву и процессу

Рефераты по кредитованию

Рефераты по естествознанию

Рефераты по истории техники

Рефераты по журналистике

Рефераты по зоологии

Рефераты по инвестициям

Рефераты по информатике

Исторические личности

Рефераты по кибернетике

Рефераты по коммуникации и связи

Рефераты по косметологии

Рефераты по криминалистике

Рефераты по криминологии

Рефераты по науке и технике

Рефераты по кулинарии

Рефераты по культурологии

Курсовая работа: Исследование влияния состава флюида на показания термодебетомеров нефтяных эксплуатационных скважин

Курсовая работа: Исследование влияния состава флюида на показания термодебетомеров нефтяных эксплуатационных скважин

Кафедра общей и прикладной геофизики

Курсовой проект

Исследование влияния состава флюида на показания термодебетомеров нефтяных эксплуатационных скважин

Выполнила: студентка группы 4151

Медведева В. А.

Проверил:

профессор Неретин В. Д.

Дубна, 2005


ОГЛАВЛЕНИЕ

Введение

Исследование притока и поглощения жидкости и газа в эксплуатационных и нагнетательных скважинах

Приборы для измерения расходов жидкости и газа

Термокондуктивная расходометрия

Расходомеры

Работа с дебитомером на скважине и интерпретация дебитограмм

Практическая часть

Определение зависимости приращения температуры ΔТ от коэффициента А для модели газа, воды и нефти

Интерпретация дебитограмм

Заключение

Список литературы


Введение

Для уточнения положения, мощности и вертикальной неоднородности коллекторов, определения эффективности перфорации, гидроразрыва, солянокислотной обработки, оценки коэффициента продуктивности отдельных прослоев, а также для решения других задач в разрезе, вскрытом эксплуатационной скважиной, необходимо выделить интервалы, отдающие жидкость, определить дебит из каждого пласта. В нагнетательных скважинах соответственно необходимо выделить интервалы, принимающие жидкость, и определить объем жидкости, поглощаемой, каждым интервалом.

Аналогичные исследования необходимо проводить также до и после мероприятий по интенсификации пластов (солянокислотной обработки, гидроразрыва, дополнительной перфорации, и т. п.) с целью выяснения эффективности обработки.

В результате исследований получают график изменения суммарного (для всех пластов ниже заданной глубины) или поинтервального дебитов по глубине скважины, называемых профилями притока (поглощения) жидкости или газа.

Профили притока получают следующими методами: 1) измерением скорости движения жидкости в стволе скважины с помощью специальных приборов, называемых дебитомерами и расходомерами (первые предназначены для исследования эксплуатационных скважин, вторые – нагнетательных); 2) определением скорости движения по стволу скважины некоторой «метки », например радиоактивных изотопов, нагретой воды: и т. п., добавленных в поток флюида, или части флюида, отличающейся радиоактивностью, температурой или другими свойствами; 3) изучением изменений температуры флюида в месте его.


Исследование притока и поглощения жидкости и газа в эксплуатационных и нагнетательных скважинах

Дебитомеры и расходомеры могут быть с местной регистрацией и дистанционные. В приборах с местной регистрацией измеренная величина регистрируется устройством, помещенным в самом скважинном снаряде. Их пакеры обычно раскрываются однократно с помощью спускового механизма, также размещенного в скважинном снаряде. В дистанционных приборах измеряемая в виде электрического сигнала величина передается на поверхность по кабелю и там регистрируется обычными регистраторами станций.

Дебитомеры различаются также способом пакеровки. Дебитомеры с абсолютной пакеровкой обеспечивают проход всего потока через измерительный канал. Дебитомеры с пакерами зонтичного типа лишь частично перекрывают пространство между стенкой скважины и дебитомером.

Существуют также более простые дебитомеры без пакеров. Их применение целесообразно при измерении больших расходов жидкости или газа, а также при стационарной установке прибора в скважине, когда доля флюида, проходящего через датчик, остается примерно постоянной. Введение пакеров в конструкцию дебитомеров вызывает значительное усложнение их конструкции, но в то же время повышается точность определения дебитов.

По принципу действия основного элемента – датчика наиболее распространенные скважинные дебитомеры и расходомеры относятся к одному из двух типов: турбинным (вертушечным) или термоэлектрическим.


Приборы для измерения расходов жидкости и газа

Методы сважинной дебитометрии
Механические Электрические
С постоянным перепадом давления С переменным перепадом давления Турбинные Акустически Тепловые

Автономные расходомеры

Дебит жидкости измеряется следующим образом. После раскрытия пакера поток жидкости поступает в калиброванную трубу прибора и воздействует на турбинку, ротор которой вращается в пластмассовых подшипниках с агатовым подпятником. Вращение турбинки передается пишущему перу посредством магнитной муфты и понижающего редуктора.

Показания дебитомеров поплавково-пружинного типа в большей степени зависят от плотности потока. Кроме того, трение в регистраторе существенно влияет на чувствительность приборов этого типа.

Расходомеры, спускаемые в скважину на проволоке, не получили широкого распространения.

Дистанционные тахометрические расходомеры

Дистанционный дебитомер ДГД-2 с абсолютным пакером предназначен для определения величины притока жидкости из отдельных пропластков продуктивного горизонта в нефтяных скважинах при фонтанном или компрессорном способе добычи нефти.

Дебитомер ДГД-8 применяют также для спуска в затрубное пространство глубиннонасосных скважин.

Дебитомеры-расходомеры РГД-2М, РГД-36, РГТ-1 и «Кобра-РЗб», применяют для исследования фонтанных и нагнетательных скважин. Основные отличия приборов состоят в конструкции пакерующего устройства.

Расходомеры РГД-3, РГД-5 и РГД-6 предназначены для измерения дебитов в скважинах при закачке воды непосредственно через эксплуатационную колонну. Измерительные части расходомеров этого типа имеют одинаковую конструкцию.

Для измерения расходов горячей воды, закачиваемой в пласт при термических методах добычи нефти, ВНИИКАнефтегаз разработал скважинный расходомер «Терек-3».

Дистанционные расходомеры обтекания. Термокондуктивные расходомеры

Турбинные датчики расхода, как известно, работают удовлетворительно при сравнительно больших скоростях потока жидкости. В этом случае повышается точность измерений (особенно при измерении небольших расходов), а также уменьшается степень влияния вязкости на показания расходомера. Однако возрастает перепад давления на приборе, что затрудняет процесс измерения и приводит к некоторому искажению действительного профиля притока.

Дистанционные дебитомеры относятся к расходомерам обтекания. Применяют их для измерения небольших расходов.

Принцип действия термоэлектрических датчиков расхода заключается в измерении количества теплоты, теряемого предварительно или непрерывно нагреваемым телом, помещенным в потоке газа или жидкости.

Беспакерный скважинный дебитомер СТД-2 (Рис. 1) состоит из кожуха 1, датчика 2 и кабельной головки 3, соединенной с датчиком с помощью переходника 5, уплотненного кольцами 4. Чувствительным элементом служит терморезистор, представляющий собой сопротивление, навитое из изолированного тонкого медного провода и помещенное в медную трубку. При подводе напряжения термосопротивление нагревается до температуры большей, чем температура окружающей среды. При движении жидкости (газа) терморезистор охлаждается тем больше, чем больше скорость потока, а следовательно, уменьшается его активное сопротивление, которое регистрируется наземным прибором. Электрическая схема дебитомера представляет собой мост постоянного тока с четырьмя плечами, три плеча которого расположены в наземном приборе, а четвертое плечо образуется одножильным кабелем с подключенным к нему терморезистором. Прибор может работать в режимах «дебитомер» и «термометр.

Рис. 1. Беспакерный скважинный дебитомер СТД-2

1 – кожух; 2 – датчик; 3 – кабельная головка; 4 – кольца; 5 – переходник.

Для исследования глубиннонасосных скважин разработаны дебитомеры СТД-16 и СТД-4 диаметрами соответственно 16 и 20 мм.

 

Термокондуктивная расходометрия

Принцип работы термокондуктивных расходомеров основан на зависимости температуры подогреваемого термодатчика от скорости потока флюида. Термодатчиком служит резистор, нагреваемый током до температуры, превышающей температуру окружающей среды. Приращение температуры термодатчика , позволяющее судить о скорости потока, определяется либо по приращению сопротивления датчика  (в приборах типа СТД либо по приращению частоты .

Термокондуктивные расходомеры должны удовлетворять следующим требованиям: допустимая погрешность определения приращения температуры не должна превышать ±0,2 °С; тепловая инерционность датчика не должна быть более 10 с; верхний предел измерений дебита осевого потока не должен быть ниже 150 м3/сут; диаграммы должны повторяться с погрешностью не более удвоенной величины флуктуационной ошибки измерения.

Расходомеры

Чувствительным элементом термокондуктивных расходомеров (Рис. 2) является резистор-датчик, нагреваемый электрическим током до температуры, превышающей температуру среды. Резистор-датчик включен в мостовую схему, с помощью которой наблюдается изменение его сопротивления при постоянной величине нагревающего тока. По величине этого изменения можно судить о температуре датчика и скорости потока.

Рис. 2. Расходомер термокондуктивный.

1 – кабельная головка; 2 – резистор-датчик; 3 – защитный кожух; 4 – хвостовик

Термокондуктивный индикатор СТИ. Термокондуктивный индикатор СТИ предназначен для исследования нефтяных эксплуатационных и нагнетательных скважин через насосно-компрессорные трубы диаметром 50 мм и выше, а также через межтрубное пространство и рассчитан на работу в комплексе с каротажными станциями, оборудованными универсальными источниками питания УИП-К и каротажными регистраторами.

Принцип действия. Скважинный термокондуктивный индикатор притока СТИ работает по принципу термоанемометра: в нем установлен датчик (активное сопротивление), нагреваемый постоянным стабилизированным током до температуры большей температуры омывающей его среды. Набегающий поток жидкости или газа охлаждает датчик и тем самым изменяет его активное сопротивление. В скважине величина теплоотдачи датчика зависит от скорости потока, теплофизических характеристик среды, тока питания. В скважине постоянного диаметра в однородной среде теплоотдача датчика зависит только от скорости потока. Активное сопротивление в таком случае обратно пропорционально средней линейной скорости потока, что позволяет в благоприятных условиях измерять скорость потока и построить профиль притока или поглощения флюида.

Для среды с неоднородным распределением теплофизических характеристик (в обводненных нефтяных скважинах или с «застойной» водой) определяются только качественные показатели притока пласта.

Активное сопротивление датчика определяется по мостовой схеме, в измерительную диагональ которой включен регистратор. Измерительный мост расположен в наземном пульте, к которому подключено стабилизированное, питание от источника УИП-1, УИП-2 или УИП-К. Скорость флюида, обтекающего датчик, регистрируется в виде диаграммы изменения выходного сигнала измерительного моста панели управления регистраторами серийных каротажных станций.

Скважинный прибор состоит из блока преобразователя температуры и притока, предназначенного для преобразования изменения скорости и температуры радиального потока в изменения сопротивлений преобразователя притока; сменных центраторов, для центрирования скважинного прибора в эксплуатационной колонне при спуске его через насосно-компрессорные трубы.

Технические характеристики термокондуктивных индикаторов притока различных типов приведены в табл. 1.

Таблица 1

Техническая характеристика термокондуктивных индикаторов притока типа СТИ

Показатель Тип аппаратуры
СТИ-4 СТД–2

Диапазон измерений расхода скважинного флюида, м3/сут:

·  по нефти, воде и двухфазным смесям

·  по газу

1–300

≤1·106

≤300

≤1·106

Минимальный диаметр обслуживаемыхскважин, мм 30 50
Ток через датчик при измерениях, мА 120 или 150
Активное сопротивление датчика, Ом 1000+50
Скорость записи, м/ч ≤100
Максимальная температура окружающей среды, °С 80
Максимальное гидростатическое давление, МПа 30 40

Кабель:

тип

максимальная длина, м

КОБД-2 КОБД-2,4

3000

Габаритные размеры индикатора притока СТИ, мм 1865Ч25 900Ч36
Масса, кг 4,6 2
Система измерения Аналоговая

Диапазон измерений расхода скважинного флюида, м3/сут:

·  по нефти, воде и двухфазным смесям

·  по газу

2–600

(2·103)–(1·106)

2–1000

≤1·106

Минимальный диаметр обслуживаемых скважин, мм 30 50
Ток через датчик при измерениях, мА 120 или 70 150 или 75
Активное сопротивление датчика, Ом 1000±50
Скорость записи, м/ч ≤100
Максимальная температура окружающей среды, °С 150
Показатель Тип аппаратуры
СТИ-8 ПСК-1 (блок СТИ)
Максимальное гидростатическое давление, МПа 60

Кабель:

·  тип

·  максимальная длина, м

КП-2-180 КГЗ-67-180

5000 6000

Габаритные размеры индикатора притока СТИ, мм 1800Ч25 431Ч36
Масса, кг 10 2
Система измерения Аналоговая

Термоэлектрический скважинный дебитомер СТД. Техническая характеристика скважинного термокондуктивного дебитомера

1)  Назначение – исследование скорости потока жидкости по колонне по результатам измерения приращения температур. Прибор СТД-2 используется для фонтанирующих и нагнетательных скважин; СТД–4 – для скважин, эксплуатирующихся при помощи штанговых насосов.

2)  Тип прибора – беспакерный.

3)  Аппаратура рассчитана для измерений на одножильном бронированном кабеле и на работу с серийными каротажными станциями.

4)  Параметры датчика:

сопротивление при 20°С, Ом………………………………………1000±4

наружный диаметр корпуса датчика, мм………………..……………….8

длина, мм……………………….…………...…………………………...300

рабочий ток, мА:

в режиме дебитомера……………………………………...…..120 или 150

в режиме термометра………….……………………………………10–12

5)  Запись дебитограмм как по точкам (около 5 мин на 1 точку),

так и непрерывно со скоростью порядка 100 м/ч, что соответствует

минимальной скорости современных подъемников.

6)  Порог чувствительности (в начале шкалы) –около 4 м3/сут по воде, около 1–3 м3/сут по нефти.

7)  Максимальное рабочее давление 360 кгс/см2

8)  Максимальная рабочая температура +80°С

9)  Габариты скважинного прибора, мм:

СТД-2: диаметр –36, длина –540

СТД-4: диаметр –20, длина –430.

10)  Вес скважинного прибора около 1 кг.

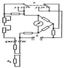
Термоэлектрический скважинный дебитомер СТД работает по принципу термоанемометра. На рис. 3 показана упрощенная электрическая схема дебитомера. Сопротивление датчика дебитомера Rд нагревается проходящим по нему током (120–150 мА) и его температура становится выше температуры среды в скважине. В местах притока жидкости (газа) датчик охлаждается, в результате чего изменяется его сопротивление. Это изменение сопротивления фиксируется мостовой схемой, в одно из плеч которой включен датчик. Измеряемый параметр в виде напряжения разбаланса моста регистрируется измерительным прибором или фоторегистратором каротажной станции.

Е – источник тока; Rд – переключатель (1 – эталон; 2 – температура; 3 – дебитомер); ЦЖК – жила кабеля; ОК – его броня

Рис. 3. Принципиальная электрическая схема термодебитометра СТД.

Переход от приращений сопротивления к скорости движения жидкости (газа) осуществляют по эталонной кривой, получаемой в результате эталонирования прибора, т. е. измерения его показаний при различных скоростях потока в трубе того же диаметра, что и диаметр обсадной колонны.

Сопротивление датчика помещают в металлическую трубку диаметром 8 мм и длиной 300 мм; для уменьшения постоянной времени свободное пространство в трубке заливают металлическим сплавом с температурой плавления 80–130 °С.

Исследования дебитомерами, как правило, проводят в действующих скважинах. Лишь при необходимости установления межпластовых перетоков иногда исследуют остановленные скважины.

Исследования могут проводиться при непрерывном движении прибора в скважине либо «по точкам», т. е. на отдельных глубинах при неподвижном приборе. При обработке результатов, используя данные эталонировки прибора, от импульсов в минуту переходят к абсолютным величинам – дебиту в кубических метрах в сутки.

Полученная кривая, показывающая количество (долю) жидкости, проходящей через сечение скважины на различных глубинах, называется интегральной дебитограммой (Рис. 4, а, кривая 1). Она показывает суммарный дебит всех пластов, расположенных ниже данной глубины. В интервалах притока на такой дебитограмме наблюдается рост показаний, а в интервалах поглощения – их уменьшение. Приращение показаний в определенном интервале пропорционально количеству жидкости, отдаваемой (поглощаемой) этим интервалом. Так, на Рис. 4 притоки жидкости наблюдаются в четырех интервалах, отмеченных стрелками, причем наибольшая часть притока (7 м3/сут, или около 40%) связана с верхним интервалом (1529–1539 м). Далее по интегральной дебитограмме строят дифференциальную дебитограмму (см. Рис. 4, а, кривая 2), показывающую интенсивность притока (поглощения) на единицу мощности пласта. Для получения абсцисс этой кривой приращения показаний на интегральной кривой делят на мощность интервала, в котором наблюдается соответствующее приращение.

1 – интегральная дебитограмма; 2 – дифференциальная дебитограмма

Рис. 4. Примеры дебитограмм, зарегистрированных турбинным (а) и термоэлектрическим (б) дебитомерами.

На Рис. 4, б изображена схематическая дебитограмма, полученная термодебитомером. При переходе через интервал, на котором в скважину поступает жидкость, следовательно, изменяется скорость движения потока, за счет изменения теплообмена изменяется сопротивление чувствительного элемента. По этому изменению и выделяют отдающий интервал. Вследствие более сильного влияния потока жидкости, перпендикулярного к оси прибора (радиального потока), по сравнению с потоком вдоль оси скважины в кровле отдающих жидкость интервалов (но не всегда) наблюдается минимум, выше которого отмечается некоторый рост показаний. Подошва интервала поступления жидкости в скважину отмечается по началу спада кривой (при движении прибора снизу вверх), а кровля – по минимуму или (при его отсутствии) по точке перегиба кривой. Количественное определение дебита проводят по разнице δТ между показаниями ΔТ ниже интервала и выше интервала притока (после прохождения указанного выше переходного участка непосредственно после минимума). Переход от значений δТ к дебиту осущестляют по градуировочной кривой. Поскольку теплопроводность нефти, газа и воды различна, приращение сопротивления для трех сред при одной и той же скорости потока различна. Поэтому эталонировочная кривая должна быть получена для каждой из этих сред. Из-за различия теплопроводности сред термодебитомер показывает изменение показаний при переходе через раздел вода – нефть или вода – газ. Аналогично производят построение интегрального и дифференциального профилей по данным механической расходометрии. Интегральный профиль притока может быть описан формулой:


где hк hп – глубины залегания кровли и подошвы исследуемого работающего интервала, qz – удельный расход. Если движение флюида происходит вниз по стволу, то получаемый профиль расхода будет являться уже профилем приемистости. Зависимость расхода флюида от глубины описывается выражением

дифференцирование которого дает профили расхода отдельных интервалов. Для i-го объекта дифференциальный профиль может быть построен по удельным расходам дг:

где , расходы в верхней и нижней точках изучаемого интервала глубин  (Рис. 5).

Рис. 5. Профиль притока по расходометрии [по А.И. Ипатову, М.И. Кременецкому].


РАБОТА С ДЕБИТОМЕРОМ НА СКВАЖИНЕ И ИНТЕРПРЕТАЦИЯ ДЕБИТОГРАММ

Переход от приращения ΔT к объемной скорости Q движения потока осуществляется по эталонной кривой ΔТ=f(Q), получаемой по результатам измерений ΔT при различных скоростях движения жидкости в трубах. Диаметр труб должен быть равен диаметру эксплуатационной колонны, в которой намечается проводить замер СТД.

1– интервал перфорации; 2, 3 в эксплуатационной колонне соответственно нефть вода 4–интервал с движением жидкости по колонне; 5 – движение жидкости отсутствует; 5–интервал притока; 7, 8 – соответственно точки первичного и вторичного замеров; а и б – общий и удельный дебиты.

Рис. 6. Пример исследования скв. 38 Красноярской площади.

Измерения аппаратурой СТД в скважине проводят по точкам или непрерывно. При работе по точкам показания отсчитывают приблизительно через 5 мин после включения тока питания датчика, когда практически заканчивается процесс установления теплообмена. Непрерывная запись осуществляется при неравновесном режиме работы мостовой схемы. В результате измерений получают кривую изменения приращения температуры датчика с глубиной, называемую дебитограммой (Рис. 6).

При переходе через интервал, на котором жидкость поступает в колонну и, следовательно, изменяется скорость движения потока, происходит изменение приращения температуры датчика; по этому изменению и выделяют отдающий жидкость интервал. Вследствие наличия радиальной составляющей движения потока против интервала поступления жидкости в колонну переход от значения приращения под этим интервалом к меньшему значению над ним происходит не монотонно, а так, как это показано на Рис. 6. В кровле интервала наблюдается минимум; переход от минимальных показаний к установившимся значениям приращения над интервалом притока происходит на длине, зависящей от режима потока, но не превышающей 40 диаметров скважины. Иногда минимум в кровле получается нечетким или совсем не отмечается.

Подошву интервала, на котором жидкость поступает в скважину, отмечают по началу спада кривой (при движении снизу вверх), кровлю – по минимуму кривой. Если минимум против кровли интервала не выделяется, границы его отмечают по точкам перегиба кривой. Мощность выделяемого при этом интервала может быть несколько завышена.

За изменение приращения температуры на ί-том интервале притока (Δί) принимают разницу между усредненными показаниями ΔТί ниже интервала притока и усредненными установившимися показаниями ΔТί выше интервала. По этим данным, пользуясь эталонировочной кривой ΔT = f(Q), можно получить прирост объемной скорости ΔQi на i-том интервале притока. Способ определения прироста объемной скорости ΔQi по изменению приращения температуры Δί иллюстрируется Рис. 7. Для повышения однозначности интерпретации необходимо следить за параметрами датчика и учитывать местоположение исследуемого участка разреза относительно интервала перфорации. На диаграмме имеется ряд характерных участков, на которые при интерпретации следует обращать внимание в первую очередь.


1, 2, 3 –отдающие интервалы. Остальные обозначения см. Рис. 6

Рис. 7. Схематические диаграмма приращения температуры (а), градуировочная характеристика (б), профиль притока (в).

1. Участок, относящийся к эксплуатационной колонне выше самого верхнего интервала притока с показаниями ΔTэк соответствующими суммарному дебиту скважины QΣ. Последний определяется по измерениям на поверхности.

2. Участок, относящийся к эксплуатационной колонне ниже самого нижнего интервала притока, где скорость равна нулю. Показания в этом случае (ΔТ0Н в нефти и ΔТ0В в воде) должны соответствовать значениям, полученным при эталонировании прибора в неподвижной среде при заданной силе тока питания датчика.

Если в скважине имеется раздел нефть–вода, то четко отмечается рост приращения при переходе от воды к нефти. Если этот раздел располагается в той части скважины, где нет движения жидкости, то при переходе от воды к нефти должно наблюдаться изменение приращения от ΔТ0В до ΔТ0Н. Если в воде значение приращения температуры отличается от ΔТ0В, то это служит надежным признаком движения жидкости по скважине и наличия притока в нижней части скважины.

3.      Участок, относящийся к эксплуатационной колонне в промежутке между отдающими интервалами, – участок установившегося потока ΔТу. Он может иметь место при условии достаточного расстояния между кровлей нижележащего и подошвой вышележащего интервалов.

4.      Участок, относящийся к лифтовой колонне, при входе в которую (в связи с резким возрастанием линейной скорости движения жидкости) величина приращения снижается до величины ΔТлк. Если эксплуатация ведется по затрубному пространству, то при входе в лифтовую колонну скорость потока снижается, а величина приращения температуры возрастает.

Сняв отсчеты по перечисленным участкам, можно определить профиль притока в исследуемом интервале. Для более точной интерпретации дебитограмм необходимо иметь данные о характере жидкости, заполняющей исследуемый интервал скважины, полученные резистивиметром, влагомером, плотностномером или другим способом, и данные о дебите и составе жидкости, определяемые на поверхности. В скважине получают, как правило, минимум две дебитограммы (вторая повторная), одну термограмму и кривую ПС. Прежде чем приступить к интерпретации дебитограмм, необходимо проверить их качество. Дебитограмма считается качественной, если при повторении обеспечена воспроизводимость не хуже ±0,5°С. Повторяемость дебитограмм должна обеспечиваться не только по форме, но и по абсолютным значениям измеренного сигнала на идентичных глубинах.

В качестве примера на Рис. 6 показаны результаты исследования скважины термоэлектрическим дебитомером и их интерпретация. Скв. 38 Красноярской площади Пермской области эксплуатировалась фонтанным способом и имела следующие интервалы перфорации: 1364– 1369; 1377–1381; 1400–1404 м (песчаники). Общий дебит нефти из скважины не превышал 14 м3/сут. По дебитограмме можно сделать вывод, что отдающими являются интервалы 1365,6–1369 и 1379,2–1381 м. Величина приращения температуры для суммарного дебита Qσ = 14 м3/сут составляет ΔТэк » 27°С, а в неподвижной нефти (Q = 0) ΔТ0Н » З0°С. Считая, что для данного диапазона значений объемных скоростей зависимость приращения сопротивления от дебита линейная, получим в интервале 1365,6–1369 м дебит 3 м3/сут, в интервале 1379,2–1381 м – 10 м3/сут.

Нижний интервал перфорации практически не работает. Из дебитограммы видно, что на глубине 1363 м находится окончание лифтовых труб, а на глубине 1403 м – раздел нефти и воды (для использованного датчика ΔT0В = 14°С).

Анализ дебитограмм, снятых термокондуктивным дебитомером, показал, что эффективность выделения по ним отдающих интервалов зависит от условий измерения. В скважинах с однородной средой во всех случаях по измерениям аппаратурой СТД уверенно выделяются все работающие интервалы вскрытого пласта, профиль притока в этом случае характеризуется количественно. В безводных скважинах, в которых имеется застойная вода, и в скважинах, дающих нефть с водой, выделение отдающих интервалов усложняется, а дифференциация дебитограмм СТД в ряде случаев снижается.

А, Б–замеры резистивиметром. Условные обозначения см. рис. 6.

Рис. 8. Пример, иллюстрирующий снижение разрешающей способности термокондуктивного дебитомера при исследовании безводной скв. 139 Трехозерной площади при расположении притока под уровнем застойной воды.

Пример снижения разрешающей способности термокондуктивного дебитомера при исследовании скважины, фонтанирующей безводной нефтью под уровнем застойной воды, приводится на Рис. 8. Исследования проводились при режимах работы в 40 и 60 м3/сут. По дебитограмме СТД четко выделяется хвостовик насосно-компрессорных труб на глубине 1463 м. Наиболее четко притоки отмечаются в интервалах 1487–1489 и 1490– 1492 м при большом дебите. Дебитограммы при меньшем дебите менее дифференцированы. Нефте-водораздел в данной скважине располагается выше отдающих интервалов. Вместе с тем его положение изменяется в значительных пределах во времени, что подтверждается замерами как резистивиметром, так и дебитомером.

IIV – номера групп диаграмм по таблице 7.

Рис. 9 Типовые формы дебитограмм, полученные с помощью термокондуктивного дебитомера.

В результате анализа большого количества дебитограмм СТД, снятых в скважинах при этих условиях, и сопоставления их с дебитограммами, полученными механическим дебитомером, а также с диаграммами, полученными гамма-плотностномером, влагомером и другими методами установлено, что все случаи можно свести к четырем (Рис. 9 и табл. 2). Они различаются значениями измеряемого сигнала ΔT в четырех характерных точках отдающего интервала: первая точка (ΔТ1) – под интервалом, вторая (ΔТ2)– против подошвы интервала, третья (ΔТ3) – против кровли интервала, четвертая (ΔТ4) – над интервалом. Эта классификация позволяет однозначно выделять интервалы притока и поглощения практически во всем многообразии производственных условий.

Таблица 2

Классификация форм дебитограмм, зарегистрированных термокондуктивным дебитомером для различных условий

Номер группы диаграмм

Характеристика отдающего интервала,

°С

Примерные условия, при которых данные формы диаграмм встречаются
I

ΔT1 » ΔT2

ΔT3 < ΔT2

ΔT4 > ΔT3

ΔT4 < ΔT2

Притоки нефти и нефти с водой значительной величины (более 20 м3/сут). Среда однородная; эмульсия устойчивая. С ростом дебита разность ΔT0Η – ΔT4 увеличивается

II

ΔT1 < ΔT2

ΔT3 < ΔT2

ΔT4 > ΔT3

ΔT4 > ΔT2

Притоки нефти значительной величины. Если ΔΤ1 » ΔΤ0Β, то водонефтяной раздел расположен ниже работающего интервала. С ростом дебита разность ΔΤ0Η – ΔΤ4 увеличивается

III

ΔT1 » ΔT2

ΔT3 < ΔT2

ΔT4 » ΔT3

Слабые и средние притоки нефти, воды нефти с водой, интервал притока располагается под уровнем застойной воды. Аналогично отмечаются поглощающие интервалы
IV

ΔT1 ΔT2

ΔT3 < ΔT0

ΔT4 » ΔT3 » ΔT1

Слабые притоки нефти при большом удельном дебите. Интервал располагается под уровнем водонефтяного раздела

Эффективность измерений термокондуктивным дебитомером снижается, если измерения проводятся в период неустановившегося притока, когда часто получаются невоспроизводимые результаты измерения. В связи с этим необходимо контролировать стабильность режима работы скважины по буферному давлению и суммарному притоку. Из-за влияния большого числа факторов в случае многофазного потока результаты исследования являются в основном качественными, по ним можно лишь установить наличие отдающего интервала, его границы и получить приблизительные представления о дебите (большой, малый). Особенно неблагоприятные условия в случае многофазного потока (нефть с водой), при наличии небольших перемычек между отдающими интервалами и малых удельных дебитов.

В ряде случаев при низком буферном давлении и значительной обводненности нефти приток из скважины не стабилен. Выделение отдающих интервалов по дебитограмме СТД затруднено и не всегда может быть успешно осуществлено. Такой пример показан на Рис. 118. Исследуемая скважина (Q = 75 т/сут, 38% воды) характеризуется нестабильным притоком, вследствие чего дебитограммы СТД 1, 2, 3, полученные последовательно, не повторяются в средней и верхней частях интервала перфорации, хотя действующие интервалы и видны. Надежно выявлены интервалы притоков подошвенной части. При измерениях Механическим дебитомером (РГД-1м) эти интервалы не выделяются. Таким образом, даже в указанных тяжелых условиях целесообразно применение аппаратуры СТД.

Повысить эффективность исследования скважин с застойной водой можно при условии выноса ее из интервала исследования переводом скважины на режим, при котором обеспечивается очистка интервала перфорации от воды, или другими способами.


Практическая часть

Определение зависимости приращения температуры ΔТ от коэффициента А для модели газа, воды и нефти

Обычно термокондуктивным дебитомером измеряется приращение сопротивления датчика или приращение температуры (в °С)

Для дебитомера получим:

где

Rж = 1000,85 Ом – электрическое сопротивление датчика при температуре потока Тж;

R0 = 1000 Ом – электрическое сопротивление датчика при температуре Т0 = 20°С;

А – коэффициент исследуемой среды взят из табл. 3;

v – линейная скорость потока;

α = 17·10–6 °С–1 – температурный коэффициент материала сопротивления датчика;

s = 5·10–5м2 – площадь поверхности датчика;

 = 1, для угла атаки 90° – безразмерный коэффициент, учитывающий влияние угла, под которым поток набегает на датчик;

dk = 0,15м – диаметр колонны;

d = 0,008м – внешний диаметр датчика;

с1, b – безразмерные коэффициенты, зависящие от режима потока. В данном случае с1 = 0,59, b = 0,47 для модели нефти и газа и с1 = 0,21, b = 0,62 для модели воды.

Рассмотрим зависимость приращения температуры ΔТ от коэффициента А для трех разных сред, в зависимости от разных скоростей потока, меняющихся в интервале от 1см/с до 8см/с.

Рис. 10. зависимость приращения температуры ΔТ от коэффициента А для нефти.

Рис. 11. зависимость приращения температуры ΔТ от коэффициента А для воды.


Рис. 12. зависимость приращения температуры ΔТ от коэффициента А для газа.

На основании полученных зависимостей можно сделать вывод о том, что кривую на определенных участках можно аппроксимировать прямой линией, это может во многом упростить решаемую задачу. При скоростях флюида близких к нулю превышается предел чувствительности дебитомера, приведенный технической характеристике выше. При нулевой скорости существует приращение температуры ΔТ0, являющееся максимальным. А с возрастанием скорости величина ΔТ уменьшается, что видно из рисунков 10, 11, 12.

Сравнивая Рис. 10 и Рис. 11, можно сказать, что при различных свойствах флюида, определяемых коэффициентом А изменения температур получаются одного порядка. А на Рис. 12 значения ΔТ на порядок превышают предел чувствительности дебитомера. На основании этого можно сказать, что термокондуктивный дебитомер не применяют в газовых скважинах, в которых используются механические дебитомеры.

Интерпретация дебитограмм

 

Рассмотрим рис.13, на котором представлены результаты измерения, проведенного при помощи потенциал зонда N 8,5 M 0,5 A, дебитомера СТД–2 и беспакерного механического дебитомера.


Рис. 13 Результаты измерения дебитомерами СТД–2 и беспакерным механическим по скв. 410 Кулешовской площади при Q = 458 м3/сут.

Условные обозначения см. Рис. 6

По кривой потенциал зонда можно выделить участок с высоким сопротивлением от 1737м до 1788м. Повышение сопротивления дает возможность предположить наличие коллектора с флюидом, у которого значение амплитуды кажущегося сопротивления резко возрастает.

По дебитограммам СТД–2 и беспакерного механического дебитомера можно выделить несколько участков, характеризующих зону притока флюида:

I 1748–1750м – ΔТ = 1,15°С; n = 240 об/мин;

II 1751–1752м – ΔТ = 1,25°С, n = 120 об/мин;

III 1753–1755м – ΔТ = 1,4°С; n = 90 об/мин;

IV 1758–1760м – ΔТ = 1,1°С, n = 78 об/мин;

V 1767–1769м – ΔТ = 1,7°С; n = 140 об/мин;

VI 1772–1775м – ΔТ = 1,9°С; n = 15 об/мин.

С учетом приведенной выше таблицы 7 и классификации форм дебитограмм можно определить примерные условия, при которых данные формы диаграмм встречаются. Если рассмотреть интервал глубин 1737–1783м, то можно предположить, что он характеризуется притоками нефти и нефти с водой значительной величины (более 20 м3/сут), однородной средой и устойчивой эмульсией.

Для того, чтобы определить дебет каждого интервала притока, нужно воспользоваться градуировочной характеристикой (приложение). ΔТ0Н – это приращение температуры при нулевой объемной скорости, оно является максимальной величиной перепада температур на датчике, с возрастанием объемной скорости потока эта величина должна уменьшаться. Поэтому на графике ΔТ0Н соответствует нулевому дебету и является максимальной величиной. Для данной кривой СТД ΔТ0Н будет равна 1,9°С. Величина приращения температуры для суммарного дебита составляет ΔТэк равное 1,1°С. ΔТэк – это приращение температуры, относящееся к эксплуатационной колонне. Считая, что для данного диапазона значений объемных скоростей зависимость приращения сопротивления от дебита линейная, можно провести прямую.

На этом графике можно отметить интервалы, снятые с дебитограммы СТД–2. Δ1 = 0,05; Δ2 = 0,15; Δ3 = 0,1; Δ4 = 0,3; Δ5 = 0,1; Δ6 = 0,1. И для этих интервалов притока определить соответствующие им дебеты: в интервале 1748–1750м дебит 28,6 м3/сут; интервале 1751–1752м дебит 85,8 м3/сут; интервале 1753–1755м дебит 57,3 м3/сут; интервале 1758–1760м дебит 171,7 м3/сут; интервале 1767–1769м дебит 57,3 м3/сут; интервале 1772–1775м дебит 57,3 м3/сут.

На основании проведенной интерпретации можно выделить высокодебитные зоны притока и определить фильтрующийся флюид.


Заключение

Основные помехи при дебитометрии следующие: 1) неполнота пакеровки из-за нарушения пакера или неплотного прилегания его к трубе; 2) изменение внутреннего диаметра обсадных труб, обусловливающее погрешность в определении дебита при исследованиях с беспакерными приборами или с приборами с неполной пакеровкой; 3) нарушение герметичности цементного кольца, приводящее к тому, что часть жидкости (газа) движется по заколонному пространству; влияние этого фактора особенно велико при замерах пакерными приборами; 4) образование столба жидкости в забое, частично или полностью перекрывающего интервалы поступления нефти или газа; влияние этого фактора особенно существенно для беспакерных дебитомеров. Наконец, скорость потока меняется в зависимости от положения прибора относительно стенки скважины. Эта зависимость особенно сильна для приборов малого диаметра, поэтому они должны снабжаться центрирующими фонарями.

Основные положительные качества: неподверженность системы влиянию механических примесей, высокая чувствительность, низкая погрешность исследования в однородных жидкостях. При исследовании многофазного потока термокондуктивный дебитомер может оценить поток только качественно («есть приток», «нет притока»). Особенностью термокондуктивных дебитомеров, существенно сужающей область их применения, является большая зависимость показаний прибора от теплофизических свойств исследуемых жидкостей.

Профили расхода, полученные при расходометрии, целесообразно дополнять результатами обработки других методов, дающих информацию о заколонных и межколонных перетоках. Комплексный подход позволяет в ряде случаев обнаружить обводнение продуктивных пластов и образование техногенных залежей газа.


Список литературы

1). Справочник геофизика. Том второй Геофизические методы исследования скважин. Под редакцией С.Г. Комарова. – Гостоптехиздат, М.–1961.

2). Справочник геофизика. Геофизические методы исследования скважин. Под редакцией В.М. Запорожца. – Недра, М.–1983.

3). Геофизические исследования скважин. В.М. Добрынин, Б.Ю. Вендельштейн, Р.А. Резванов, А.Н. Африкян. – Нефть и газ, М.–2004.

4). Глубинные приборы для исследования скважин. А.И. Петров. – Недра, М.–1980.

5). Справочник. Аппаратура и оборудование для геофизических исследований нефтяных и газовых скважин. А.А. Молчанов, В.В. Лаптев, В.Н. Моисеев, Р.С. Челокьян – Недра, М.–1987.

6). Скважинный термокондуктивный дебитомер СТД. И. Г. Жувагин, С. Г. Комаров, В. Б. Черный. – Недра, М.–1973.


 
© 2011 Онлайн коллекция рефератов, курсовых и дипломных работ.